目前,医疗电器OEM厂商正在开发技术含量更高的、用于治疗和监控常见疾病的个人保健设备。这些产品价格合理,极大提高了医疗保健质量。MCU在家用血压计、肺活量计、脉搏血氧计及心率监测器等便携式医疗设备中起着重要作用。大多数此类产品中的实际生理信号是模拟信号,在测量、监控或显示前需要进行放大、过滤等处理。
将高性能模拟外设嵌入超低功耗 MCU 中,不仅可以实现便携式医疗电子设备的片上系统化,而且还可延长电池使用寿命。本文将介绍简化便携式电池供电医疗设备的模拟前端设计的多种方法,如将运算放大器、ADC、DAC等高性能外设与低功耗MCU结合使用。MCU 具有数字滤波、处理功能,还可以显示血压、肺活量、心率及血氧含量等生理数据。将上述外设与 MCU 结合使用,不仅可以实现上述全部功能,而且还可通过关闭外设使其进入待机模式(电流消耗仅为几mA)来满足功耗要求。
就是一个很好的例子,其16 位RISC CPU不仅能提供所需的信号处理能力,而且还具有超低的工作电流,使电池在此类应用中的寿命可达数年之久。该 MCU 集成了运算放大器、12位多通道ADC及双 12 位 DAC等外设,是模拟信号处理电路的一部分。除嵌入高性能模拟外设之外,该器件还具有 120KB的片上闪存及通用串行通信接口(USCI)。 以下为集成模拟外设实现医疗产品单芯片解决方案的具体介绍。
血压计
图1为血压计功能结构图。该应用通常使用桥式压力变送器作为传感器,与充气式袖袋相连。变送器可通过端口引脚激活,由于仅在压力测量时被激活,所以可以显著节省电能。传感器的mV级输出与压力成正比。此信号在数字化之前需要放大,然后由ADC进行测量。放大后的信号可检测科罗特科夫 (Korotkoff) 音并确定心脏收缩及舒张压读数。MCU中的3个运算放大器能够出色地完成这项工作。几个放大器共同组成的高增益差动放大器功能块可消除应用中的共模噪声。使用 3 个放大器的差动放大器功能块如图 2 所示。放大后的信号从内部输入至 12 位ADC。器件中的DMA外设可以进行高效的数据处理,能够快速执行Korotkoff音检测算法,并滤掉影响测量结果的噪声。16位CPU以较低的MIPS处理能力处理上述算法。该器件还集成了带有稳压充电泵的 160 段的 LCD驱动器,以提供稳定对比度,从而进一步完善了该单芯片解决方案。MCU中的120KB 低功耗闪存可以在现场进行软件升级,由于闪存具有系统内可编程性,所以可以当作数据记录器。器件中的USCI串行端口可以与PC 或 PDA 通信,以下载记录的数据。由于 MCU 具有超低功耗架构,在血压测量模式下,该解决方案的工作电流低于 3mA。在空闲模式下,该器件正常工作并显示实时时钟的电流消耗不足 3mA。

图1 血压计功能结构图
中PWM 输出控制的直流电马达对袖袋进行充/放气。这是该血压计唯一用到 6V 电源驱动马达的地方。如果不能满足电源需求,整个血压计可以用一节 3V 锂离子钮扣电池供电。不过,目前只有少数马达可以靠这种高阻抗钮扣电池驱动,所以,此例可以使用4节普通低成本AAA碱性电池及低压降稳压器 (LDO) 为MCU提供 3.3V电源。假设每天测量两次血压,这些电池可以使用两年。MCU可以长期工作在活动显示计时模式,原因是该模式的电流消耗非常小。另外,用户查看存储的血压读数时也不会增加电流消耗。此外,集成的双通道 DAC能够产生相移180°的正弦波,从而可以提高变送器性能。
肺活量计
肺活量计也称为肺功能测试 (PFT)设备,在医疗诊断中用于测试肺容量。在该应用中,测量参数是一定呼气时间内的气流量,单位为升/分钟。所用传感器是气动变送器,实际上是压差变送器。除了无需充气马达外,该肺活量计与血压计设计类似。3个MCU运算放大器用作测量气流的传感器放大器。肺活量计其他部分的设计比较简单,12 位 ADC的作用是测量气流并与存储的标准化数值进行比较。闪存有助于存储各种标准化数值,使设计适用于各种情况。图 1 可以作为该肺活量计的参考设计(系统所用的变送器比较相似)。请注意,肺活量计无需马达控制。另外,MCU的低功耗特性延长了电池使用时间,其高集成度降低了成本并提高了系统可靠性。

图2 差动放大器
脉搏血氧计及心率监测器
心率监视和脉搏血氧计采用的技术不止一种。本文着重介绍非侵入式光学体积描记技术。此类血氧计采用配有MCU的外部探头,能够显示血氧饱和度及脉搏率。在此应用中,同一个传感器可同时用作心率检测及脉搏血氧测量。该技术提供了估测动脉血氧饱和度和心率的简单而精确的办法。探头置于指尖、耳垂和鼻子等身体不同位置。探头包含两个发光二极管(LED),其中一个发射可见红光(660nm),另一个发射红外线(940nm)(见图 3)。光束通过人体组织到达光电检测器。在通过人体组织时,红血球中的血色素会吸收部分光线,吸收量因血氧饱和度的不同而不同。首先,通过测量对两个波长光线的吸收量,MCU能够精确计算出氧化的血色素比例。其次,通过人体组织的光线中含有因心跳造成动脉血量不同而产生的脉冲分量。

图3 探头上配有两个
必须使用恒流源驱动这两个LED,以确保测量过程中保持稳定的亮度。具有自动增益控制(AGC) 反馈的恒流源可以通过采用内部 DAC及简单MCU算法而获得。MCU能够选择输出血液脉动部分的吸收量,动脉血液、非脉动静脉血液或毛细血管血液以及其它人体组织色素均会吸收光线。最新测量技术降低了测量血氧饱和度时的干扰效应。两个LED周期性打开,红光LED开启,然后红外线LED开启,最后两个都关闭,每秒钟重复几次,这种时分多路复用技术消除了背景噪声的干扰。相位正交复用技术可使红色光及红外线先按相位(而不是时间)分离,随后又组合。这种更先进的技术有可能消除运动或电磁干扰产生的大气干扰,原因是两种LED信号在再组合时相位有差异。
可以测出平均血样饱和度,通过连续脉动信号之间的LED周期数能够计算出脉搏率,得出脉搏率平均值大概与得出饱和度平均值的时间近似,这与具体的监控器有关。
根据两种频率光线的吸收比例计算两个参数的比值。MCU 闪存中存储了一系列通过实验得到的血氧饱和值(志愿者在实验中呼吸气体的氧气含量逐渐增加)。MCU将测量到的两种光线波长吸收率的比值与存储值比较,然后以百分比显示血氧饱和度。通常情况下,血氧饱和值在70%~100%之间,低于70%的数据是估测得出的,因为无法获得人体血氧含量低于70%的数据。

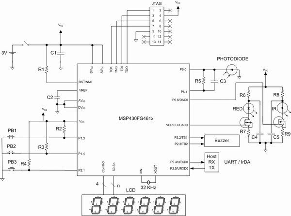
图4 基于MSP430FG461x的脉搏血氧计
基于MSP430FG461x的脉搏血氧计结构图如图4所示。该应用具有完整的模拟前端解决方案,其中包括集成运算放大器、ADC及 DAC。DAC与片上参考电路形成驱动 LED 的恒流源。其中一个运算放大器用作传感器光电二极管的I/V转换器。通过使用DAC输出及 MCU 执行的软件算法来调节LED 亮度,由此实现自动增益控制。ADC将放大后并经过滤波的输出信号进行数字化处理,而MCU中的软件则计算出平均值。至此完成了红光、红外线光源及双方比值的数据采集和计算。该比值与存储的标准数据比较后得到精确的血氧饱和度值。计算出的血氧百分比值显示在LCD上。A/D转换值也含有心率信息,软件在5s左右可以计算出心率平均值,该值也同时显示在 LCD上。另外,MCU的PWM输出驱动压力蜂鸣器,每心跳一下就发出一次短暂蜂鸣。通过这种周期性蜂鸣可以判断传感器位置及信号采集是否正常。
结语
在上述便携式医疗应用中,超低功率微控制器MSP430FG461x作为单芯片解决方案,具有多种优势。ADC的高精度很容易满足测量类应用的需求。片上运算放大器及 DAC非常有助于信号调节和自动增益控制。为测量类应用选择了合适 的MCU之后 ,系统设计师下一步就要进行软件开发。由于MCU能够提供片上仿真功能,所以设计人员可以通过JTAG端口进行实时调试。现有多种编译器及调试器可用,且调试器硬件很便宜。调试器硬件需要一个简单的逻辑电平转换器连接至PC并行端口,且无需传统的ICE接口。全功能实时仿真可以在芯片内置硬件上设定断点,因而在调试的同时能够实现全速运行。该器件的高集成度和代码开发方便性显著降低了系统设计成本。调试过程中可以随时刷新闪存中的程序代码,从而极大缩短了开发时间,所以,选择该MCU能够有效缩短产品上市时间。另外,120KB的系统内可编程闪存同时可以作为数据记录器使用。