1 引言
随着科学技术的发展与工业技术的迅猛提升,在日常生活生产中我们时常需要准确测量与控制环境温度与设备温度。因此,研究温度的测量与控制就显的很重要了。
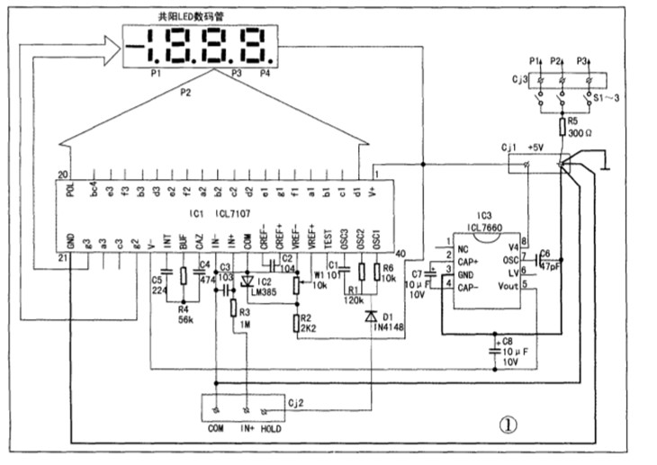
我们要从外界感应温度,关键是温度传感器,在这里用LM35完成,获取了外界的温度值之后,需要一定的显示装置加以显示。当前流行的方法是通过A/D转换器将模拟量转化为数字量,在这里用ICL7107完成。再通过LED或LCD显示出来。下面介绍的温度计是以双共阳数码管(LED)显示的。
2 绘制数显温度计电路图及PCB设计方法,需要注意的问题
我们要想成功的设计一个温度计的PCB图,大致要经过以下步骤:首先学会绘制温度计的原理图。绘制原理图时要知道需要那些元件,库中没有的或很难找到的元器件,第一小步,我们必须要建立一个元件库(Sch.Lib)以满足设计需要,在制作元件时我们应该把多个元件放在一个库中以方便调用,必要时还要在库文件中对元器件进行说明可以在Browse Schlib中的Components中选中元件,再在Description中进行相应的描述(Description、Footprint、default Designator、SheetpartFilename)。在制作元件时我们必须注意一些小问题,例如:在制作TL431元件符号时引脚没有放置在栅格上,调到原理图时不能正常连接导线,在引脚上不能生存节点。此时我们可以在制作窗口中单击鼠标右键选中Doument options,在弹出的library Editor Workespace对话框中对Gird选项中的Snap、Visibie进行设置。在制作元件时也要讲究技巧例如:借助已有的元件库中的类似元件,将其拷贝到自己制作库中稍作修改。在制作集成芯片Icl7107、Icl7660、S-DSP,必须注意每个引脚的属性,须认真逐个的设置,以免在原理图中出现错误连接导致在调试时将芯片烧坏。第二小步,将要用到的元件调到原理图中进行连接,在连接的过程中要注意总线的连接,总线只是示意性电气连接,而真正表示连接是网络标号。因此在用到总线时必须放置网络标号。第三小步,电路图连接好后,我们必须进行ERC、Reports/Bill of material、Create netlist操作。电器规则检查,以纠正电路图中的电路错误。进行元件报表查看电路图的元件信息。创建网络表为做PCB绘制做准备。设计好的原理图主要由以下几个部分组成。

数显温度计的原理图如下:

第二大步完成PCB制作。制作PCB的第一步,确定板框物理尺寸、布线尺寸和需要的各个板层,可以通过向导来完成。第二步,定义好PCB之后,调用菜单栏命令Design/Load Nets将元件调入PCB中,在放置元件时,需要注意的是不同的元件需要放置在不同的板层,例如放置名字(拼音)在BottomLayer层,且水平镜像,不能用汉字。第三步,选择跳线的过孔形式。第四步,选择元件形式和焊盘间通过的铜膜线数,调用菜单栏命令Design/Rules进行设置。第四步,走线参数设置。第五步,连接好PCB后需要进行设计规则检查,调用菜单栏命令Tools/Designs Rules Check.可完成,这样可以避免设计错误和电气错误。
3 PCB图的打印、转印与敷铜板的腐蚀加工与问题。
1. 用激光打印机打印PCB图到热转印纸(用热转印纸制作PCB)
在开始菜单中添加打印机
根据添加打印机向导一步步做下去(当无实际打印机连接时,任选一种打印机即可)
PCB图打印设置:窗口切换到欲打印的PCB图,在File下,选择Print/Preview,在Explorer下显示了一个后缀为PPC格式的文档,即打印文档: Preview PCBPPC,将管理器切换到Browse PCBPrint,选择需要打印的层进行设置:底层打印图形的设置在Layers栏 将MultiLayer移到最上层
n在Options栏勾选Show Holes
n在Color Set栏 选择Black & White(黑白图形)
在设计PCB图时,在Bottom Layer层放置“String”,在其中写上自己的名字(汉语拼音)、设计日期。名字、日期要水平镜像放置。设置好后,打印到热转印纸上的底层图形。
2.下料:按尺寸剪切敷铜板,并用细砂纸打磨光,清洁
3.将打印的PCB底层图用热转印机转印到敷铜板上
4.修板:
用快干漆将少量没有印好的线条修补好
5.腐蚀:将印好了电路板图的敷铜板放入三氯化铁溶液中腐蚀。溶液浓度高、温度高则腐蚀速度快,但浓度和温度要合适。腐蚀时间要掌握好。
6.清洗、晾干
7.钻孔
选择直径合适的钻头:集成电路引脚及一般电阻、电容用0.8mm直径的钻头,如有元件引脚较粗,可以根据测量值,换相应大些直径的钻头。钻孔过程中,钻头尽量插入夹具深一些,并且夹具要拧紧。
8.除去铜膜上的油墨
用有机溶剂(酒精、香蕉水、丙酮等)擦除覆盖在铜膜线上的油墨,没有上述溶剂时,也可以用砂纸擦除。
9.打磨并检查电路板
除去油墨后,用较细的砂纸将铜膜线打磨光亮。打磨越好,越好焊接。不过不可打磨过度,以免铜膜厚度损耗过多。打磨后,用面巾纸清洁干净。
检查电路板:用万用表检查PCB上线条间有无短路、断路。有短路要割断,有断路要搭上焊锡,将其连接好。
10.上助焊剂
将松香溶于无水酒精中制作成助焊剂待用。注意助焊剂的浓度要合适。过浓,干燥后不光亮,过稀,助焊性能较差。
用毛刷将酒精松香焊剂均匀地涂在清洁后的PCB板,涂刷时,将PCB板垂直放置,以免焊剂堵塞钻孔。涂刷一遍即可,涂刷次数过多容易起皱纹,不光亮。
将涂刷酒精松香焊剂的PCB放置在阳光下凉干或自然凉干。ICL7107为十进制双积分式3位半模数转换器,精度为±2LSB(最低有效位),当其典型基准电压分别为100.0 mV和1000 mV,并选用对应的外围电路积分电阻、积分电容时,可构成满度量程为200 mV和 2000 mV 2种电 路。
ICL7107的输出显示数字N,输入电压,基准电压 VREF的关系为:
  N = 1000×
式中N仅为输出显示数字值,其小数点位置需要另行设置。显然,当基准电压VREF小于其典型基准电压(100.0 mV和 1000 mV)时 ,输出显示数字N 将被扩大;而基准电压VREF大于其典型基准电压 (100.0 mV和 1 000 mV)时,输出显示数字N将被缩小。
4 ICL7107芯片工作原理分析
ICL7107集成电路内部有模拟和数字电路2部分。模拟电路由转换开关和运放等组成,以实现信号采样和积分,它采用差动输入,输入阻抗1O10Ω。数字电路由计数器、锁存器、控制逻辑和显示译码器组成。输入的模拟信号电压值首先转换成一个与之成正比的时间宽度信号,然后在这个时间宽度里对固定频率的时钟脉冲进行计数,则计数结果就是正比于输入模拟信号的数字,最后进行数字的锁存和译码显示。转换周期分为3个阶段:自动稳零(AZ)阶段、信号积分(INT)阶段、反积分(DE)阶段,其时间分别为:
(1)自动稳零阶段(AZ)
TAZ =1O00×TCL-(2000×TCL -1000×TCL ×lN/VREF
(2)信号积分阶段(INT)
对输入模拟信号进行积分,时间是固定的:TINT= l000×TCL
(3)反积分(DE)阶段
这个阶段是实现对与输入信号极性相反的参考电压VREF进行积分,反相积分的最大时间为: T(DE)MAX =2000×TCL
从反积分开始到积分器输出回到模拟公共端(C00M0N)电压 VCOM的时间正比于输入模拟电压的大小,其数字读数为:
N = 1000×
在反积分期的输入时钟脉冲数最大值是 2000,当等于或超过 2000时溢出,当不足2000时,只要反相积分期结束,即转入自动稳零期。综上,A/D转换的 3个阶段共需 4000个TCL时钟周期,因为振荡周期 4分频 TCL,所以整个转换时间为 16000个Tosc(振荡周期)。
5 元器件的装配与调试
5.1 采用试验的方法
37脚的TEST端与l脚短接,表头应显示-188.8。这时可检查显示是否缺笔画。如有,大多是引脚、连线虚焊。

首先将 IN+与IN-短接,表头应显示为“0000”。若不为零,则应检查参考源电容C2和自动校零电容C4是否漏电。
将3l脚与36脚短接,表头读数应为1000。若有偏差,调电位器RP。仍然不行,多半是RP、积分电容C3坏。
将32脚与26脚短接,表头的最高位应显示-l,其它位均不亮。否则,应检查电源或换芯片。
5.2 根据故障现象检修
这种方法直接,判断故障较快。如:输入信号为零,表头显示不为零,并不停跳动。应检查基准源电容C2和自动校零电容C4。
若表头读数偏差较大,可能是积分电容C3问题,或者基准电压发生变化等。
6 实验总结
a.放置名字(拼音)在BottomLayer层,且水平镜像,不能用汉字
b.检查网络表:根据原理图中的Nets,在PCB中的管理器Nets下逐一核对,看有无错误。
c.PCB制作完后,必须进行DRC检查, 无高亮(绿色)显示
d.在制作元件时,没有注意封装图的位置,一般应该将1号焊盘放置在坐标原点。如果离坐标原点很远,则在调入PCB图时,偏离放置位置很远,甚至看不到。
e. 知道了ICL7107、ICL7660、MC78058T、TL431、S-DSP是否正常的测试方法。
f.ICL7660有使电压反向的功能,ICL7107有D/A转换功能和译码功能,LM35能使温度信号转化成电信号的功能,MC7805T具有提供+5V电压的作用。