摘要:将RS-232收发器集成到RS-232设计已经经历了20多年的历史。本应用笔记回顾了RS-232收发器的发展过程,对每一进程的技术优势以及带给用户的益处进行了详细说明。以业内领先的Maxim器件为示例介绍RS-232收发器的演变。
引言
在过去的25年,为了满足RS-232的发展对RS-232收发器进行了多次修改。这些创新设计包括:集成电荷泵、高ESD保护、自动关断(AutoShutdown™)、3.3V单电源供电、宽带、电平转换等,封装尺寸也在不断缩小。这些改进增强了器件功能,有助于简化RS-232接口设计,减少器件数量,节省电路板面积。作为RS-232收发器产品的领导者,Maxim Integrated Products推出了超过158种具有增值功能的RS-232器件,以满足广泛的应用需求。
本应用笔记回顾了RS-232收发器的关键功能,从其发展过程看,RS-232收发器的演变也反映了串口通信的发展需求。
背景
EIA/TIA-232-E标准于1962年发布,此后进行了4次修改,以满足不断变化的串口通信要求。EIA/TIA-232-E标准的官方名称是“数据终端设备(DTE)与数据电路端设备(CTE)之间串行交换二进制数据的接口”,可以简单地定义为:主机系统(DTE)与外设系统(CTE)之间的串行数据通信(图1)。

图1. DTE至DCE系统框图,电路采用MAX214收发器,显示两台PC的DTE与DCE之间的连接。
应用历史
历史上,RS-232串行通信常常用于连接计算机和外围设备,比如:调制解调器、打印机、键盘、游戏手柄、鼠标等。近几年,大部分这类应用已经转为通用串行总线(USB)等其它通信协议。
现在,RS-232串行通信主要用于GPS、POS、血糖仪、条形码扫描仪、汽车数据通信设备、机顶盒、游戏机等需要低成本、低速率(低于1Mbps)的通信系统。
RS-232 IC的演进过程
虽然RS-232收发器设计经历了重大演进,但在当前应用中,工程师仍然使用RS-232协议。从图2可以看出RS-232的创新进程,我们将在后续章节逐一讨论。

图2. RS-232收发器的发展进程
集成电荷泵
最初的RS-232 IC需要采用双电源(+15V和-15V)供电,以支持RS-232发送器的正、负输出摆幅(请参考图3 ,通道1)。而大多数系统只提供一个电源,这就需要外部电荷泵对单电源进行倍压,然后再进行反相。二十世纪八十年代,Maxim率先将电荷泵集成到RS-232收发器内,创造出首款单电源供电的RS-232 ICMAX232。这是最早推出的能够对电源电压进行倍压、反相转换,支持RS-232发送器电路的RS-232收发器。

图3. RS-232信号,通道1为发送器输出的总线信号;通道2为接收器的逻辑输出信号。
在随后推出的产品中,例如MAX3232,EIA-232电平被定义成为5kΩ负载提供±5V驱动。利用新的低压差输出技术,Maxim推出了内置电荷泵、可提供稳定的±5.5V输出的RS-232收发器。这种设计允许收发器以最小的电源电流提供兼容于RS-232的输出电平。
集成电荷泵如何工作呢? 第一个电荷泵的工作类似于倍压器,如果忽略少量损耗,该电荷泵能够把5V电源电压转换成+10V;第二个电荷泵配置成反相器,将+10V电压转成-10V,当然实际应用会存在少量损耗。所产生的±10V电源用于RS-232发送器供电。
较高的ESD保护
任何RS-232器件都会在所有引脚提供静电放电(ESD)保护能力(典型值为±2kV),避免器件处理、装配过程中受到ESD冲击而损坏。由于手持设备和便携设备采用RS-232串行通信,这类应用需要更高的ESD保护能力,以承受人体模式的静电冲击(HBM,工业标准要求高于±2kV的ESD保护)。Maxim提供的具有ESD保护的RS-232收发器均在RS-232发送器输出和接收器输入引脚集成了±15kV人体模式的ESD保护。有些器件,比如MAX3238E,在RS-232总线和CMOS引脚提供±15kV的ESD保护。
具有±15kV ESD保护的RS-232器件通常与标准的RS-232器件具有相同的引脚和功能,无需更改电路板布线即可替换器件。例如,MAX3232与MAX3232E具有相同引脚排列、封装类型和功能。
低压工作
从历史上看,RS-232兼容器件最少需要两路供电电压,一路大于+5V,一路小于(更负) -5V,这两路电源用于支持发送器提供至少±5V的输出摆幅。图4所示波形中,如果系统可以提供±12V电源,则可满足这一输出电平的需求。而目前绝大多数系统中都不具备±12V (或其它电压)电源,为了采用单电源提供两路供电电压,Maxim公司开发了众多内置电源转换器的收发器。

图4. RS-232输出电平摆幅
以下内容讨论了各种双电源供电的特殊需求。
3.0V至5.5V单电源供电
虽然大部分RS-232系统采用5V单电源供电,但越来越多的应用要求器件工作在3.3V电源。在3.3V单电源供电系统中,器件工作在3.3V非常重要,同时也要求RS-232器件能够兼容于3V逻辑接口。采用类似于5V单电源供电器件的技术,Maxim推出了能够工作在3.0V至5.5V单电源的收发器产品。
与单5V供电的RS-232收发器相同,采用3.0V至5.5V单电源供电的器件同样集成了两路电荷泵电源。这类RS-232器件由于采用了低压差发送器,在采用低至±5.5V的电荷泵电源供电时能够满足±5V最小摆幅的要求。因此,这些器件工作在3V单电源时仍然兼容于RS-232规范。虽然这类产品可以工作在最低3.0V,但也可以工作在最高5.5V电压,即同一器件可以支持3.3V和5V设计。图5所示为MAX3232E工作在3.3V至5V的RS-232器件。

图5. MAX3232E RS-232收发器内置电荷泵,可以工作在3.3V至5V单电源。
2.7V至3.6V单电源供电
为了使器件在低于3.0V供电时仍然兼容于RS-232规范,电荷泵倍压和反相将无法实现这一目标。图6 所示MAX3212采用基于电感的转换器产生±6.5V,以满足发送器的需求。利用buck转换器拓扑,器件可以工作在2.7V至3.6V单电源。

图6. MAX3212集成buck转换器,允许器件采用2.7V至3.6V单电源供电。
1.8V至4.25V单电源供电
MAX3218 (图7所示)采用混合架构解决供电问题,通过基于电感的转换器产生+6.5V电压,然后利用电荷泵产生-6.5V电压。基于这种技术,器件可以工作在1.8V至4.25V单电源。如此宽的电源输入范围,使MAX3218能够理想用于电池供电系统。

图7. MAX3218采用基于电感的升压转换器,并利用电荷泵产生反相电压,器件可采用1.8V至4.25V单电源供电。
自动关断(AutoShutdown)
许多RS-232器件仅仅工作很短一段时间,例如:血糖仪,大部分时间不会使用RS-232端口。如果没有使用RS-232端口,最好将RS-232器件置于低功耗关断状态以节省电能。
自动关断是系统的一个省电模式,如果监测到RS-232接口没有使用,则将RS-232器件置于低功耗关断状态。自动关断的重要意义在于它不需要处理器介入,无需软件处理即可达到省电的目的。
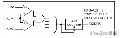
自动关断.检测RS-232的接收器,如果连接到其它RS-232器件,接收器侧可以检测到低于-3V或高于+3V的有效RS-232信号。如果没有任何连接,接收器电压通常为地电位,如果自动关断功能检测到所有接收器电压处于-0.3V至+0.3V之间,持续时间达到30?s以上,则判断为没有连接有效的发送器,器件将自动进入低功耗状态,请参考图8和图10。如果任意一路接收器输入超过+2.7V或低于-2.7V,收发器将自动脱离低功耗状态,请参考图9和图10。

图8. 所有接收器输入介于±0.3V以内的时间超过30?s时,器件进入自动关断模式。

图9. 任何一路接收器的输入超出±2.7V时,退出自动关断模式。

图10. 进入、退出自动关断的门限值
低功耗模式下,发送器和发送器使用的电荷泵也会关闭。由于接收器工作时消耗非常低的电流,接收器将始终保持有效工作状态。由此,MAX3221的典型静态电流可以从0.3mA降至1?A (最大值从1mA降至10?A)。需要注意的是,一旦在接收器上检测到有效的RS-232电平时,器件需要100?s才能使发送器进入有效工作状态。MAX3221和MAX3243是具有自动关断功能的RS-232器件。
增强型自动关断(AutoShutdown Plus?)
类似于自动关断功能,增强型自动关断设计用于只要没有使用RS-232器件即刻关断整个器件,以节省功耗。如果在30s内器件没有有效信号,增强型自动关断将关断器件。这种功能适用于发送器连接到RS-232端口,但没有发送数据的场合。
增强型自动关断需要关注两种情况。
器件同时监测接收器和发送器是否有效工作。
将无效的引脚连接到ForceOn和ForceOff时,器件的工作状况类似于自动关断,如图11所示。

图11. 将ForceOn、ForceOff输入连接到无效输出,增强型自动关断器件的工作状况将类似于自动关断器件。
MAX3224E和MAX3245E是具有增强型自动关断功能的RS-232器件。
MegaBaud
对于需要宽带、低辐射的应用,MegaBaud RS-232器件不失为理想的解决方案。MegaBaud是Maxim推出的1Mbps、甚至更高速率的RS-232逻辑电平兼容的器件名称。注意,这里采用了“兼容”,而非“满足”,因为MegaBaud功能实际上并不符合RS-232的限摆率要求。
在典型的RS-232应用中,限摆率有利于降低辐射和反射,但也限制了最高数据速率。限制发送器的摆率,使其低于30V/?s。这一限制是为了最终将RS-232定义为一个简单的物理接口。如果没有这个限制,则要注意辐射、传输线等问题的影响。尽管限摆率简化了物理连接,但也影响了可以达到的最高数据速率。
Maxim推出的MegaBaud器件在支持高速数据传输的前提下确保RS-232标准的兼容性,为了保证简单的物理连接,这些器件仍然具有限摆率特性,但摆率高于RS-232标准规定的限制(比如,MAX3237E的摆率限制在150V/?s)。
这些设计意味着什么呢? 严格意义上讲,MegaBaud器件不满足RS-232标准,如果把具有MegaBaud能力的器件插入普通的RS-232标准接口,即使数据速率低至20kbps也不能保证正常运行。而在实际应用中,低数据速率下可以正常工作的器件,但当工作在1Mbps速率时则完全无法正常工作。为了支持1Mbps的数据速率,电缆两端的产品都需要采用MegaBaud器件。
有些MegaBaud器件带有一个标注为MBAUD的引脚,通过逻辑电平控制该引脚可以将器件配置为既可以工作在低于30V/?s的RS-232限摆率条件下,也可以工作在更高摆率的MegaBaud模式。如果连接到常规RS-232接口,器件可以工作在真正的RS-232标准模式。如果连接到另一个MegaBaud器件,则可支持1Mbps,甚至更高速率的数据传输。
VL引脚
在绝大多数现代应用中,微控制器(?C)的供电电压远远低于收发器的电源电压。所以,在?C和RS-232收发器之间需要添加逻辑电平转换器。有些RS-232器件集成了电平转换器,例如MAX3386E提供一个VL引脚,用于配置接收器输出和发送器输入端的逻辑电平。这一特性对于多电源供电和/或多逻辑电平系统非常实用。比如,图12中的MAX3386E工作在3.0V至5.5V单电源,VL引脚将逻辑门限设置在0.8V至5V。

图12. MAX3386E包含一个VL引脚,允许在混合电压系统中提供可编程的逻辑门限。
微型封装
由于绝大多数现代应用中都要求小尺寸设计,需要把IC放置在非常小的电路板区域。目前所能提供的最小封装是芯片级封装(CSP)。晶片级封装(WLCSP)设计是IC倒装在印刷电路板上;芯片的焊盘通过独立的焊球焊接到PCB上,不需要任何其它填充物(图13)。WLCSP技术不同于其它球栅阵列、引线封装和层叠CSP技术,它不需要绑定线或内部连线。WLCSP封装的优势在于IC与PCB之间的寄生电感非常小;另外,它还有助于减少封装尺寸、缩短生产时间、改善热传导特性。UCSP?是Maxim的WLCSP封装商标。

图13. 典型的14焊球WLCSP封装
结论
在过去的25年,RS-232技术随着应用需求的变化而稳步发展。Maxim的众多RS-232收发器在业内占据了重要的优势。另外,没有任何理由显示这类产品的设计已经止步不前。
RS-232串口通信仍将在低成本、设计简单的产品中继续发挥重要作用。在未来的应用中,低供电电压、高数据率将成为新设计的普遍要求。未来的器件设计将会集成电气隔离、过压保护等功能。我们坚信Maxim将继续保持这一领域创新设计的领导地位。