一.HT6221遥控器芯片简介
1. 特征
* 工作电压: 1.8V~3.5V
* Dout输出38KHz
* 最小发射字: 一个字
* 一个455KHz的陶瓷或晶体
* 16位地址码
* 8位数据码
* ppm代码方式
* 最大活动键 HT6221: 32键
HT6222: 64键
2. 应用
* 电视和录像录音机控制器
* 夜盗警报系统
* 烟火警报系统
* 车门控制器
* 汽车警报系统
* 安全系统
* 其它遥控系统
3. 概述
HT6221/HT6222能编码16位地址码和8位数据码, HT6221/HT6222包含32键(K1~K32)和64键(K1~K64)
4. 引脚图
5. 方框图
6. 引脚说明
引脚号
引脚名称
I/0
描述
1~6
R3~R8
输入
键盘行控制, 高电平有效
7
DOUT
输出
串行数据输出引脚, 38KHz发射频率
8
VDD
输入
1.8V~3.5V
9
DT
输入
最重要数据位(DT)代码设置
10
X2
输出
455KHz振荡器输出
11
X1
输入
455KHz振荡器输入
12
VSS
输入
地
13
LED
输出
发射输出
14~21
C8~C1
输入/输出
键盘列控制
22
AIN
输入
低8位地址码输入
23~24
R1~R2
输入
键盘行控制, 高电平有效
7. 内部连接应用电路
二.代码的特征1. HT6221键码的形成
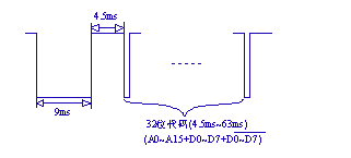
当一个键按下超过36ms,振荡器使芯片激活,如果这个键按下且延迟大约108ms,这108ms发射代码由一个起始码(9ms),一个结果码(4.5ms),低8位地址码(9ms~18ms),高8位地址码(9ms~18ms),8位数据码(9ms~18ms)和这8位数据的反码(9ms~18ms)组成。如果键按下超过108ms仍未松开,接下来发射的代码(连发代码)将仅由起始码(9ms)和结束码(2.5ms)组成。
2. 代码格式(以接收代码为准,接收代码与发射代码反向)
①位定义

 ②单发代码格式
②单发代码格式
 ③连发代码格式
③连发代码格式
 注:代码宽度算法: 16位地址码的最短宽度:1.12×16=18ms
注:代码宽度算法: 16位地址码的最短宽度:1.12×16=18ms
 16位地址码的最长宽度:2.24ms×16=36ms
易知8位数据代码及其8位反代码的宽度和不变:(1.12ms+2.24ms)×8=27ms
∴32位代码的宽度为(18ms+27ms)~(36ms+27ms)
三.解码方法及软件说明
1. 解码的关键是如何识别"0"和"1",从位的定义我们可以发现"0"、"1"均以0.56ms的低电平开始,不同的是高电平的宽度不同,"0"为0.56ms,"1"为1.68ms,所以必须根据高电平的宽度区别"0"和"1"。如果从0.56ms低电平过后,开始延时,0.56ms以后,若读到的电平为低,说明该位为"0",反之则为"1",为了可靠起见,延时必须比0.56ms长些,但又不能超过1.12ms,否则如果该位为"0",读到的已是下一位的高电平,因此取(1.12ms+0.56ms)/2=0.84ms最为可靠,一般取0.84ms左右均可。
2. 根据码的格式,应该等待9ms的起始码和4.5ms的结果码完成后才能读码。
3. 从上述两点,我们可得到解码程序的流程图。
这样接收到的仅仅是普通的代码,要得到标准的键值,还必须进行代码识别和代码转换,下面是从代码接收到获得标准值的子程。
KREM;与接收头相连的I/O口 1AH,1BH,1CH,1DH;存放代码的4个连续单元
YAO_KONG: CLR EA
JNB KREM,REMOT1
SJMP REM_BAK ;平时KREM为高电平,所以当KREM=1时,
;表示无键按下,应立即返回
REMOT1: JNB KREM,$ ;等待9ms的起始码发送完
MOV R2,#32 ;32表示代码共32位,也可以送24,这样
;接收到的24位码将不包括数据代码的
;反代码 ;-----------------------------------------
;代码接收
BYTE1: MOV R3,#250
BYTE2: MUL AB ;延时约6ms,可以稍长或稍短,但不能
;小于4.5ms,也不能太长。太长连击时
;将影响程序运行速度
JNB KREM,BYTE3;
DJNZ R3,BYTE2 ;由于结果码为4.5ms,如果小于4.5ms,
;结果码未发送完,读得的码值将出错
BYTE3: JNB KREM,$ ;等待高电平,保证读每一位的起点一致
;-----------------------------------------------
MOV R3,#150
DJNZ R3,$ ;延时0.9ms,延时范围为0.56ms~1.12ms
;----------------------------------------
MOV C,KREM
MOV R3,#4
MOV R0,#1DH
BYTE4: MOV A,@R0
RLC A
MOV @R0,A
DEC R0
DJNZ R3,BYTE4
DJNZ R2,BYTE1
;至此32位代码已全部接收完成,并存放在1AH~1DH中,
;依次为低8位地址码,高8位地址码,8位数据码,
;8位数据的反代码
;----------------------------------------------------
;代码识别 MOV A,1AH
XRL A,#03 ;3为地址低8位的值,对于不同的遥控器
;有不同的地址值
JNZ REM_BAK MOV A,1BH XRL A,#0FCH ;FCH为地址高8位的值 JNZ REM_BAK MOV A,1CH CPL A
XRL A,1DH ;如果地址码不对或接收到的数据码两单元
;不反向均当错码,本程序当无键按下处理
JNZ REM_BAK
;-------------------------------------------- ;代码转换
MOV R2,#21 ;21为遥控器面板按键数 MOV DPTR,#TAB_REMOT
LOOKUP_1: MOV A,R2 MOVC A,@A+DPTR XRL A,1CH JZ REM_BAK0 DJNZ R2,LOOPUP_1
REM_BAK0: MOV A,R2 ;R2中的值即为标准的键值
SJMP END_YK
REM_BAK: CLR A
END_YK: SETB EA
RET
;===================================================================== ;代码转换表,表中的值为面板上相应键的代码
;对于不同的遥控器,表中的值应做相应的改变
TAB_REMOT: DB 00H ; VCD DVD AUX TUNER ST/M TSV-4 6
DB 0C0H, 0D0H, 0E8H, 0F0H, 0E0H, 0C8H
; UP DOWN FM/AM MEMORY A/B 11
DB 00H, 20H, 48H, 68H, 58H
; 1 2 3 4 5 6 17 DB 0D8H, 0F8H, 40H, 60H, 50H, 70H ; AUTO VOL+ VOL- MUTE 21 DB 28H , 10H , 30H , 78H
;=================================================================
说明:此程序可在需要的地方任意调用(LCALL YA0_KONG),返回后,累加器中的值即为标准的键值,如果A=0则不予处理(可能原因有:无键按下,错码或非本机所用的遥控器的操作),程序中的延时均以4MHz的晶振为准,若用不同的晶振,只需改变相应值,符合注释中的延时时间即可。
4. 从上述解码过程我们不难发现,对于连发代码,解码得的值1AH~1DH全为0FFH,所以软件如果需要处理连击,我们只须在代码识别前判断1AH~1DH是否全为0FFH,是则有连击现象,这样建一个连击标志,再返回,软件根据这个标志,结合上一次读得的键值便可进行相应的连击操作,直到按键松开,连击标志才被清除。具体操作如下:
在代码识别前插入
MOV A,1AH
ANL A,1BH
ANL A,1CH
ANL A,1DH
XRL A,#0FFH
JNZ DAN_JI
SETB FLAG_LIANJI ;建连击标志
SJMP END_YK
DAN_JI: NOP
另外子程的最后几条指令改成
REM_BAK0: MOV A,R2
SJMP END_YK0
REM_BAK: CLRA
END_YK0: CLR FLAG_LIANJI ;清连击标志
END_YK: SETB EA
RET
四.应用实例
读者也许会问,只要解得遥控器的代码就可以了,转换成1~n标准值有什么优点呢?看了后面的简单实例,不难发现它有如下好处:
①. 在应用系统中,带遥控器的仪器,一般都带按键,而且二者功能相同,转换成标准值后,遥控按键散转表格可以与键盘散转表格复用,这样能节省一定的空间。
②. HT622 1/2最大可支持32或64个按键,一般系统只使用其中的一部分,这样可能会使遥控器按键的代码毫无规律,为了处理这样的代码,软件人员要么想方设法通过复杂的算法找出那些代码不是规律的规律,要么干脆不管那么多,排列一大堆"CJNE A,#DATA,NEXT"指令判断,使键值判断变得拖沓冗长。使用前述方法则清楚明了,简单易行。
③. 对于不同的遥控器,本程序只要改变代码转换表即可,对再开发大有益处。
1.实例电路
程序清单及说明:
KREM EQU P0.0 L1 EQU P1.0 L2 EQU P1.1 L3 EQU P1.2 L4 EQU P1.3 L5 EQU P1.4
L6 EQU P1.5
L7 EQU P1.6
L8 EQU P1.7
L9 EQU P3.4
L10 EQU P3.5
L11 EQU P3.6
L12 EQU P2.0
L13 EQU P2.1
L14 EQU P2.2
L15 EQU P2.3
L16 EQU P2.4
L17 EQU P2.5
L18 EQU P2.6
L19 EQU P2.7
L20 EQU P0.6
L21 EQU P0.5
;-----------------------------------------
ORG 0000H
AJMP START0
ORG 0030H
START0: MOV SP,#60H
START: ACALL YAO_KONG ;调用解码子程
JZ START
;----------------------------------------
RL A
MOV DPTR,#TAB_KEY
JMP @A+DPTR
;---------------------------------------
TAB_KEY: AJMP START
AJMP KEY1
AJMP KEY2
AJMP KEY3
AJMP KEY4
AJMP KEY5
AJMP KEY6
AJMP KEY7
AJMP KEY8
AJMP KEY9
AJMP KEY10
AJMP KEY11
AJMP KEY12
AJMP KEY13
AJMP KEY14
AJMP KEY15
AJMP KEY16
AJMP KEY17
AJMP KEY18
AJMP KEY19
AJMP KEY20
AJMP KEY21
;-------------------------------------
KEY1: ACALL CLEAR_IO
SETB L1
AJMP START
;-------------------------------------
KEY2: ACALL CLEAR_IO
SETB L2
AJMP START
;------------------------------------
KEY3: ACALL CLEAR_IO
SETB L3
AJMP START
;-----------------------------------
KEY4: ACALL CLEAR_IO
SETB L4
AJMP START
;----------------------------------
KEY5: ACALL CLEAR_IO
SETB L5
AJMP START
;----------------------------------
KEY6: ACALL CLEAR_IO
SETB L6
AJMP START
;----------------------------------
KEY7: ACALL CLEAR_IO
SETB L7
AJMP START
;----------------------------------
KEY8: ACALL CLEAR_IO
SETB L8
AJMP START
;----------------------------------
KEY9: ACALL CLEAR_IO
SETB L9
AJMP START
;----------------------------------
KEY10: ACALL CLEAR_IO
SETB L10
AJMP START
;----------------------------------
KEY11: ACALL CLEAR_IO
SETB L11
AJMP START
;----------------------------------
KEY12: ACALL CLEAR_IO
SETB L12
AJMP START
;----------------------------------
KEY13: ACALL CLEAR_IO
SETB L13
AJMP START
;----------------------------------
KEY14: ACALL CLEAR_IO
SETB L14
AJMP START
;----------------------------------
KEY15: ACALL CLEAR_IO
SETB L15
AJMP START
;----------------------------------
KEY16: ACALL CLEAR_IO
SETB L16
AJMP START
;----------------------------------
KEY17: ACALL CLEAR_IO
SETB L17
AJMP START
;----------------------------------
KEY18: ACALL CLEAR_IO
SETB L18
AJMP START
;----------------------------------
KEY19: ACALL CLEAR_IO
SETB L19
AJMP START
;----------------------------------
KEY20: ACALL CLEAR_IO
SETB L20
AJMP START
;----------------------------------
KEY21: ACALL CLEAR_IO
SETB L21
AJMP START
;----------------------------------
CLEAR_IO: MOV P0,#0
MOV P1,#0
MOV P2,#0
MOV P3,#0
RET
;------------------------------------
END