汽车和工业应用中常常遇到持续时间从几微秒到数百毫秒的高压电源尖峰。这些系统中的电子产品不仅必须耐受瞬态电压尖峰而不被损坏,而且在很多情况下还必须在出现电压尖峰时自始至终可靠工作。在电源通过长导线分配的系统中,负载步进 (即负载电流突然变化) 会引起严重的瞬态。尤其引人注意的是负的负载步进,这时负载电流从较大的值降低为较小的值。负的 dl/dt 引起导线寄生电感,产生正向高压尖峰,这可能引起由同一条导线供电的周围器件之损坏。快速负载切换 (如继电器、开关触点、固态负载切换等) 会产生尤其高的 dl/dt 值。电源和负载之间的连接受到损害可能导致电流突然中断,从而产生大的 dl/dt 值。最能说明问题的一个例子是汽车抛负载,在这种情况下,震动和终端受损造成与电池的连接突然断开。
抛负载可能引起电压浪涌,且该浪涌可能持续数百毫秒时间。根据汽车工程师学会 (Society of Automotive Engineers) 的数据,这种瞬态电压的幅度可能高达 125V。典型的抛负载曲线如图 1 所示,其具有 5ms 的上升时间,并呈指数性衰减 (具有一个 200ms 的时间常数)。在工业系统中,由于螺线管及电机中的再生制动会引发相似的事件。
 
图 1:典型抛负载曲线
业界强烈需要用于抑制浪涌、尖峰和瞬变的方法,从而使得关键性的电子子系统不仅可以安然承受,而且还能在此类过程中继续运作。持续时间很短的过程 (例如:尖峰和瞬变) 可以容易地利用基于电感器的滤波器和大的旁路电容器来抑制。而持续时间较长的浪涌抑制起来则不那么容易,其需要依赖于高功率分路箝位器和有损耗的串联限流电阻。
目前已经开发了一种隔离任何类型浪涌、尖峰和瞬态的新方法。LT4356浪涌抑制器用一个外部 N 沟道 MOSFET 实现了串联-通路稳压器。在通常情况下,LT4356 驱动 MOSFET,使其完全接通,这样输入功率直接通过来到负载电路,只有一点损耗。如果输入电压上升到高于某个值,那么 LT4356 开始将输出调节到一个安全值。MOSFET 作为跟随器限制峰值馈通,调节响应时间由 MOSFET 栅极上的补偿电容器控制。
LT4356 无需笨重的滤波组件,同时隔离低压电路使其免受损坏。最重要的是,LT4356 调节输出时无需在其下游使用高压额定值组件。相反,可以使用较低成本的低压组件,LT4356 可以隔离高压使其不能到达这些低压组件。
图 2 显示了 LT4356 对抛负载的响应。输入突然上升到 80V,但是输出被调节到一个安全值。浪涌消散后,LT4356 返回空闲状态,将 MOSFET 过驱动至低损耗工作状态。
 
图 2:LT4356 对抛负载的响应
电路工作原理
图 3 所示为 LT4356 的方框图。除了电压调节环路之外,其他重要的特点包括过流保护和反向输入保护,以及一种可将电源电流减小至大约 5μA 的微功率停机状态。另外还有一个空余的增益级,其可用作一个高精度比较器或者放大器以提供辅助功能。浪涌电流限制是 GATE 引脚旁路电容器和 LT4356 之受控 GATE 电流的一个额外的好处。当存在持续的输入过压或电流过载时,一个故障输出可向负载电路发出 “操作时间有限” 的预警。
 
图 3:LT4356 方框图
调节电压由连接至 FB 引脚的两个电阻器之阻值比来确定;常见的选择是将调节点设定为比最大 DC 工作电压高 5%~10%,或者,也可以将之设定在一个比下游组件的额定电压略低的限值。过流限制由一个低值检测电阻和 LT4356 的内部 50mV 电流检测放大器来设定。
在漫长的浪涌过程中持续运作的代价是在外部 MOSFET 中产生大量的功率耗散。为了使 MOSFET 在其能力范围之内工作,LT4356 将在电路处于电压或电流限制状态时启用一个定时器,并在发生任何损坏之前关断 MOSFET。时间间隔由 Vds 和 Id 来调整,旨在更好地 (相比于采用固定定时器) 利用安全工作区。这两项参数均由 LT4356 负责监察。当首次加电或者当通过允许 SHDN# 将其自身拉至高电平来启动 LT4356 时,通过缓慢地把栅极驱动至高电平而以一种渐进的方式接通外部 MOSFET。这种软起动提供了浪涌电流限制作用,可最大限度地遏制动态负载对于输入电源的影响,并减轻任何下游熔断器中的热疲劳。一旦 MOSFET 完全导通,使能引脚 EN 将变至高电平以启动负载电路,例如:一个微处理器或开关稳压器。
在过流或过压情况下,电流放大器 (IA) 和电压放大器 (IV) 被调用至运行状态,从而对输出电流或电压进行适当的限制。当发生过压时,负载电路继续运作,电源电压仅略有增加,如图 2 所示。在电流过载情况下,假如可提供足够的输出电压,则负载电路可以继续操作。无论何种原因导致输出限制功能起作用,定时器电容器电压都将斜坡上升。如果这种状况持续时间足够长以至定时器引脚 (TMR) 达到其第一个电压门限 (1.25V),则 FAULT# 引脚变至低电平以向下游电路发出 “即将失去电源” 的预警。当 TMR 引脚电压达到 1.35V (第二个故障门限) 时,定时器将关断 MOSFET 并在等待一个冷却间隔之后尝试重启。
LT4356 的另一个特点是具有空余的放大器 (AMP),其可用作一个电源良好比较器、输入电压监视器或低压差线性稳压器。对于 LT4356-1 版本,把 SHDN# 引脚拉至低电平将导致所有功能电路全部关断。电源电流减小至 5μA,因而可在那些将设备永久性地置于和电池电源相连之状态的应用中使用。对于 LT4356-2 版本,辅助放大器和内部基准在停机期间保持运行状态,停机电流为 50μA。LT4356 适用于那些要求在主系统被关断的情况下为至关重要的功能电路提供一个保活电源电压的应用,其采取的方式是将辅助放大器配置为一个低压差线性稳压器。
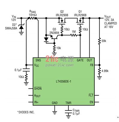
在图 4 所示的电路中,一个位于反馈 (FB) 引脚上的外部阻性分压器被设定为在过压过程中将输出电压限制在 16V。倘若输入上升至高于 16V,则输出将调节在该电平上,直到故障状况被清除或定时器超时为止 (在预定的超时状态之后达到 1.35V)。空余放大器被配置为监视输入电压并通过 AOUT 引脚指示欠压。使能 (EN) 引脚在 MOSFET 完全导通之后启动下游负载。
 
图 4:一个位于反馈 (FB) 引脚上的外部阻性分压器被设定为在过压过程中将输出电压限制在 16V。
LT4356 具有一个宽输入范围,从 4V 的最小工作电压至 100V 的绝对最大值。因此,其可在那些输入电压有可能于标称值的低端出现下降和在标称值的高端出现飙升的系统中运作。由于 MOSFET 一般被驱动至其低电阻状态,所以通过在输入电源和负载电路之间引入 LT4356 将在低输入电压下牺牲极少的工作裕量。
反向输入保护
在安装一个由远程电源供电的产品时,发生输入极性接反的可能性尤其突出。如果产品设计未考虑反向电压的处理,那么在连接电源线时的一时疏忽就有可能导致代价高昂的错误。电源极性接反将对极化电容器、箝位二极管和其他固态器件造成巨大的损害。LT4356 专为在其输入端上耐受高达 -30V 的反向电压而设计,而且它能驱动第二个反向隔离 MOSFET 以阻止反向电压传递到负载 (见图 5)。当然,该电路的重要优势是保护负载免遭毁坏,但相比于明显的解决方案 (采用一个串联隔离二极管),其改善在正常操作期间是很显着的:隔离二极管的损耗 (功率和电压) 被完全消除。
 
图 5:LT4356 专为在其输入端上耐受高达 -30V 的反向电压而设计,而且它能驱动第二个反向隔离 MOSFET 以阻止反向电压传递到负载。
结论
虽然工业系统中的电子设备越来越多且日益精细复杂,然而电源则依然会受到尖峰和浪涌的损害。必须为敏感的设备提供针对此类瞬变的保护功能,否则就有可能在现场遭遇代价昂贵的故障。此外,随着汽车电子产品复杂程度的攀升,滤波、箝位和噪声抑制等传统方法的可用空间逐渐减少。如果不采取一种不同的方法来解决与汽车电子产品不断增加相关的问题,那么我们今天所面对的可靠性问题注定将会变得更糟。这不仅仅是一项客户满意的问题,而且还在逐步成为一项安全性问题。如果只是一个显示器背光灯熄灭,那只是有些不方便,但假若是锅炉压力监视器发生故障,那可就是一个重大的问题了。
LT4356 浪涌抑制器为电子控制系统提供了坚固的前端保护。其可在压缩必要电路板空间的同时削减因采用隔离二极管和滤波电感器所引起的热耗散及电压损耗。较高的效率和较宽的可用电压范围允许将更多的功能整合到空间受限的产品中。