ScopeArt按语:
关于接地,有三个著名的小众名言,其中之一是SI之父说的,“忘记地,记住那是信号回路”;另外一个是我们的一位ScopeArt先生说的,“对于使用单端探头测量,要努力地寻找干净的地”;第三个名言是工程师们的口头禅,“接地是永恒的话题”。本文作者陈曦先生来自于全球照明行业的领导者Philips Lighting,他的文章显示了他的积累。陈君对于仪器该怎样接地才是安全的给出了模型上的分析,一目了然。我今天重新读了之后,感觉到针对每种图形的文字解释少了点,但转念一想这样也好,可以引导您仔细地想一想这些图形的含义。 如果您有不明白的地方,欢迎来电来函。
一点小遗憾是,作者最后给出了一个非常重要的经验性结论:“在我们日常的测量中示波器浮地之后带来的误差在可以忽略的情况下,是不会影响我们的测量结果的。考虑到安全原因,我们还是尽量将示波器输入电源的地线断开的。” 但作者没有给出更多深入的分析和测试对比。 其实,关于这类话题正是我们在500场示波器巡回交流会中遇到次数最多的问题。欢迎有更多关注我们征文活动的朋友分享这方面更多的文章。
摘要:
作为电源工程师,我们工作中不可避免的要常常同电有亲密接触。安全第一是一句老生常谈的话,但是人总会有麻痹松懈的时候。这就要求我们不但要有安全的意识,实验台的仪器设置也要尽量以安全的方式来避免触电的发生。示波器是我们实验台上重要的一个仪器,如何安全并准确的使用与我们的工作息息相关。
引言:
首先一点,双线触电,同时接触两个带电点总是危险的,不能被可靠的保护。 而单线触电,即工作中无意中碰到带电部分,通过我们的安全设置,是可以保证安全的。这里还有一个前提是我们和大地是相连的 (不要依赖大地的绝缘,因为不是每处每刻都相同的)。
1 实验室的电气设备
这里我们对实验室的设备和电源做一些简化模型,以利我们后面的分析。人体我们视作与大地相连的电阻。
台式万用表,功率分析仪等
图1. 电气测量设备简化模型
示波器
图2. 示波器简化模型
被测样品
图3.被测线路简化模型
因为我们只作安全连结性的分析,因此设备模型只看输入输出,简化了其余部分。大多数的电气测量设备都是与输入电源隔离的,而我们的被测样品可能是直接整流,也可能有隔离电源,这里为了方便分析,我们统一视作从输入电源直接整流而来。另外值得注意的一点是示波器的无源探头的地是和输入线的地是连通的。
2 实验室的电气设备的连接
首先我们来看最不安全的情况
图4. 不安全的连接1
这种情况是最不安全的连接,所有设备,包括被测样品都直接连接到市电上,这样的情况下,不但人体接触到被测样品会有危险,甚至被测样品自己都会有短路危险。因此我们需要一个隔离的电源来给被测试品供电。下面两个图示的被测试样品采用了隔离电源,但仍然是不安全的。

图5. 不安全的连接2
虽然被测试品采用了隔离电源,但是由于示波器的地连接到了大地,被测试品的输出电压仍能通过人体形成回路造成触电的危险。
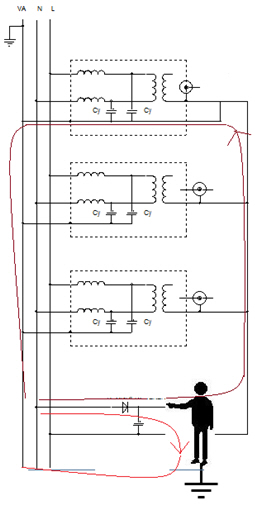
图6. 不安全的连接3
上图很多人认为是安全的连接了,这就是我们常看到的示波器接地线被断开的情况。但实际上还是存在安全隐患,如果电源连接的示波器过多,就会造成流过Y电容的电流累积超过安全电流的危险。因此我们需要把示波器都连接到隔离电源上。

图7. 安全的连接3
上图就是我们推荐的安全连接设置,此时人体单点接触到被测试品的任何一点都不会有触电危险。有人会问,如果示波器全部采用隔离探头不是就不用断开示波器的电源接地线了吗。确实是这样,但是由于隔离探头的带宽限制,以及不适用于测量小信号,我们不可能只使用隔离探头。
3示波器浮地测量
我们都知道任何测量都要基于一个参考点。之所以示波器的探头地要连接到大地,就是因为大地是一个参考零电平。地球上的任何一个点都对大地有一个相对电位,都会有寄生电容连接到大地。而我们将示波器浮地之后,不可避免的会引入一个共模信号。实际上测量中还是存在各种分布电容和电感,就算连接到大地,线上的电阻和寄生参数也是存在的。在我们日常的测量中示波器浮地之后带来的误差在可以忽略的情况下,是不会影响我们的测量结果的。考虑到安全原因,我们还是尽量将示波器输入电源的地线断开的。