1.引言
在对电子元器件使用时,必须首先了解它的参数,电阻有阻值、电容有容值。这就要求能够对元器件的参数进行精确的测量。电阻的阻值相对比较容易测量,用伏—安法就可以精确的测量出来。但是对电容的测量就比较麻烦了,最初人们还是通过万用表来对电容值进行估算,这种方法不但麻烦而且测量精度也比较低。随着微电子技术、计算机技术、软件技术的快速发展及其在电子测量技术与仪器上的应用,新的测试理论、新的测试方法、新的测试领域以及新的仪器结构不断涌现。人们对仪器的要求也在逐渐提高,本文设计了一款更智能化、体积更小、功能强大的便携式RC测量仪。
2.硬件电路设计与实现
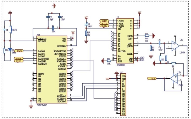
总体硬件电路主要包括四部分:正弦信号电路、前端控制电路、单片机控制电路、LCD显示电路。
2.1 主控芯片
本系统采用PIC16F877单片机作为控制核心,PIC16F877单片机是PIC系列单片机的中级产品,采用RISC指令系统,一共只有35条单字指令,简单易用;工作速度快,可接收DC-20MHz时钟输入,指令周期可达到200ns;存贮空间大,具有高达8K字的FLASH程序存储器和368字节的数据存储器。除此之外,它具有14个内部/外部中断源和8级硬件堆栈,便于编程;带有片内RC振荡器的监视定时器,保证其可靠工作;可根据不同需要选择不同的振荡器工作方式以减小功耗,同时在保持低价的前提下增加了A/D、内部EEPROM存储器、比较输出、捕捉输入、PWM输出、SP1接口、异步串行通信(USART)接口、模拟电压比较器、LCD驱动等许多功能。
2.2 正弦信号电路设计
测量仪是以正弦波做为测量信号供单片机进行正交采样,正弦波的频率直接影响到测量的精度,要求正弦波频率精度高,并且频谱纯度和稳定度也要高。因此本系统采用DDS合成芯片AD9850来产生正弦波。AD9850是美国AD公司生产的高集成度的DDS合成芯片。它采用32位相位累加器,截断成14位,输入正弦查询表,查询表输出截断成10位,输入到DAC。DAC输出两个互补的模拟电流,接到滤波器上。但是AD9850直接产生的信号幅度只有2V左右,而且是单极性的。而测试的时候需要的是双极性的正弦信号,因此DDS输出的信号还要经过隔直和放大。AD9850输出的信号经过RC高通滤波器,将直流分量滤除,输出交流信号,再经放大器放大,电压跟随,输出幅度适当、带载能力较强的信号源。电路如图1所示。

图1 系统电路原理图一

图2 系统电路原理图二
2.3 前端电路模块
前端电路主要是实现量程电阻的切换,增益控制。本方案采用电阻分压法,量程电阻与待测元件进行分压,再由单片机控制模拟开关分别选通量程电阻和待测元件的信号通道,将它们分压所得到的信号分别送入差分式放大电路。将由差分式放大电路出来的正弦波经过电位提升电路后,再由单片机采集,在此过程中,量程电阻的自动切换,以及减小模拟开关对测试过程带来的误差是设计的难点。前端电路是影响系统测量范围和测量精度的关键。

图3 软件流程图
2.3.1 量程电阻选择方案设计
量程电阻R的切换是通过单片机控制模拟开关CD4052来实现。模拟开关存在导通电阻和漏电流,如果太大会对测试精度产生很大影响。当RS+Zx较小时,模拟开关的导通电阻就不可忽略。因此消除导通电阻对电路的影响十分重要。通过实验,采用如图2所示的原理电路。图2中选用4X2的模拟开关,Ron(1,2,3,4)、Ron(1,2,3,4)是模拟开关的导通电阻;RS(1,2,3,4)为标准电阻;Z为被测元件。采用该电路减小了导通电阻对测试精度的影响。
2.3.2 增益控制
在测量时,如果由于某种原因使得正弦信号幅度变小,那么在分压的时候就有可能出现某个元件分压得到的信号非常微小的情况。由于单片机可以对0—5V的模拟信号进行8位的A/D转换,所以A/D转换的精度可以算得为5/256=0.02V,也就是说如果信号过于微小而低于0.02V时,A/D转换就会产生转换误差,所以我们需要对增益进行控制,以使测量仪在正弦信号的幅度变化时依然能正常工作。
增益控制电路如图2所示,经过分压后的信号都会送入一个由集成运放所构成的差分式放大电路。因为差分式放大电路是对两个输入端之间的差值进行放大,而且对干扰信号输入的共模信号有很强的抑制作用,所以使用其做为放大电路可以有效的提高测量精度和测量仪的抗干扰性。
2.4 电位提升电路
本次设计采用的是PIC的ADC模块实现模拟信号的数据采集,并选择了电源电压(5V)作为参考基准电压,所以单片机只能够正确采集0到5伏之间的电压,而正弦波输入的是一个交流信号,在负半周期是负电位,使得单片机不能正确的采样,所以在将信号送入单片机以前需要对交流信号进行电位提升,使整个正弦信号任意时刻的电位都大于或等于0,电位提升电路。
将输入信号通过一个放大倍数为1的集成运放,在运放的信号输入脚3上由R1和R3提供一个直流电位,通过改变R1的阻值将直流电位调节到的2.5V,这样正弦信号就可以调节到如图2所示的形状,再供给单片机采样。
单片机采样经过电位提升以后的信号所得到的值并不能直接进行计算,而还需要将这些值减掉2.5V的直流电位才可以计算。
2.5 LCD显示电路
显示电路选用的是LCD模块RC1602,液晶显示模块主要由点阵式液晶显示屏(LCD)、微控制器、驱动电路三部分组成。电路如图1所示。
3.软件设计与实现
根据各部分功能要求,整个系统的软件程序由初始化程序,量程电阻选择程序,AD转换程序,增益控制程序,数据处理程序,ASII码转换程序以及显示程序等子程序组成。最后调用各模块,将它们联系起来,形成一个有机的整体,从而实现对仪器的全部管理功能。以上面所述的思路为基础,通过研究最后得到整个软件程序设计的流程图,如图3所示。
4.结语
本测量仪能自动的识别出待测元件是电阻还是电容。由单片机控制根据待测元件电抗值的大小自动转换到合适的基准电阻档位,以实现量程的自动转换。解决了旧的测量仪器在测量前需要人工判断待测元件参数范围,然后再手动的选择合适量程档位的弊端。