系统总体方案
该系统可以完成图像的采集、处理和显示,从而实现目标识别与跟踪的智能信号处理。该系统是对摄像机数字,模拟两路视频数据进行采集,处理后通过PCI总线在PC机上显示出来。整个系统主要由视频信号采集模块、DSP图像处理模块、PCI接口模块三个部分组成(图1)。

图1 图像采集处理系统框图
系统的各个功能模块电路设计
·视频信号采集模块
摄像机提供两路视频信号:一路模拟视频,一路数字视频。
模拟视频信号经过钳位校正、放大后,将信号送入到A/D转换器,再经FPGA锁存后将视频信号发送给DSP1;经视频同步分离电路,由LM1881分离出模拟视频的行、场同步信号,用于控制视频数据采集到DSP1,以便进行图像处理。钳位校正、视频同步电路如图2所示。模拟视频经运放输入,将中心电平调到3.3V,加到A/D输入端。A/D转换后的数据进入FPGA锁存。运放均采用ADI公司的AD8047AR,A/D转换器采用ADI公司的AD9050。AD9050为10位A/D转换器,取其高8位进入FPGA。采样时钟12MHz,与数字视频信号相同。由FPGA对48MHz时钟四分频产生。

图2 模拟视频输入转换电路
摄像机的数字视频信号为14对差分信号,经FPGA将差分信号转换为单端信号,并锁存数据。每个象素14位,每帧320×240。
FPGA采用ALTERA公司的CYCLONE系列EP1C3T144C-6,配置芯片采用EPC2LC20。EP1C3T144C-6具有将差分信号转单端信号的专用I/O口。锁存在FPGA的数字,模拟两路视频信号根据工作模式选择输出到DSP1数据总线上,由DSP1读入处理,数据速率与模拟视频的采样速率,数字视频的数据速率相同。工作模式选择,开关控制通过PIC9054引入到FPGA。
·DSP处理器模块
DSP处理器阵列模块主要由4片高速高性能的DSP处理芯片ADSP-TS201S组成多DSP处理器系统,ADSP-TS201S性能如下:
基本性能指标如下:
600MHz运行速度时,内核指令周期1.67ns
24M bits片上DRAM,分为6个4M bits块(128K words X 32 bits)
片内双运算模块,每个都包含一个ALU、一个乘法器、一个移位器和一个寄存器组
双整数ALU提供数据寻址和指针操作功能
片内提供14通道DMA、外部口、4个链路口、SDRAM控制器、可编程标志引脚、2个定时器
片上仲裁系统可实现8个TigerSHARC DSP的无缝连接
内部3条互相独立的128位总线
外部数据总线64位,地址总线32位
每秒48亿次40位宽的MAC运算或每秒12亿次80位宽的MAC运算;1024点复数FFT(基2)时间15.7us
外部端口 1G字节每秒;链路口(每个)1G字节每秒
DSP处理器阵列模块中DSP1是用来整理所收集到的视频信号,并进行相应的预处理后,将数据分发送到后面的DSP,进行进一步的处理。
DSP1并行口应接FPGA输出的视频数据,还要接FLASH,完成DSP加载。DSP1的IRQ0,IRQ1分别作视频输入的帧中断和行中断,接到FPGA。其连接电路如下图3所示。
FLASH选用AMD公司的AM29LV017D,为2M x 8-Bit的存储器,可通过DSP1对FLASH编程,要保证在FLASH读写时,FPGA的数据输出总线D0~D13为高阻,反之,在数据通道运行时,也应使FLASH输出为高阻,故用BMS来选片FLASH。

图3 DSP1与FPGA,FLASH 连接图
DSP处理器阵列模块中DSP2和DSP3是用来实现图像处理中的主要算法。DSP2和DSP3分别用链路口与DSP1连接,接收由DSP1传送来的数据,DSP2和DSP3也分别用链路口连接DSP4,通过链路口将处理的数据传送给DSP4,进行下一步处理和数据整理。另外,DSP2和DSP3也直接采用链路口连接,实现DSP2和DSP3之间的通道,从而可以方便地将DSP2和DSP3配置成流水线或并行处理模式。
DSP处理器阵列模块中DSP4接收DSP2和DSP3发送来的数据,进行进一步处理后,将最后处理的数据通过数据总线发送到双端口RAM,通过PCI接口芯片PCI9054,将数据发送给PC机。该双端口RAM采用3片IDT70LV27(32K x 16-Bit),组成96K x 16-Bit方式,保证一次写完一帧(320×240个象素,每个象素两个字节),当DSP4写满一帧图像数据后,向PC机产生中断,请求PC机将数据读走,当PC机读取完一帧图像数据后,应提供相应的应答,允许DSP4刷新双口RAM。DSP阵列机互连电路如图1所示,DSP4与双口RAM的连接如图4所示。DSP4接3片双口RAM,与PCI9054形成接口。DSP4的FLAG0作为通过PCI9054输出的视频传输握手信号。
ADSP-TS201S阵列机采用链路口互连方式,在主要的数据传输方向设置了数据传输启动FLAG信号到接收方的IRQ产生中断,以便更好的实现时序的匹配。
DSP1引入了工作/关闭选择(FLAG1输入),数据模式(数字/模拟)选择由DATA14引脚读入,可以在一帧数据开始输入时,读入一次数据选择模式,此后就可以不再处理了。

图4 DSP4与双口RAM接口
·PCI接口模块
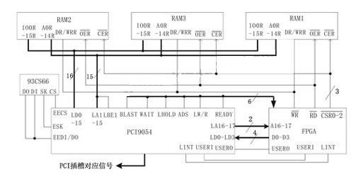
PCI接口采用PLX公司的PCI9054接口芯片,32位,33MHZ数据总线。RAM1,2,3三片双口RAM(IDT70LV27)作DSP4数据输出缓存。由PCI9054读入到PC机。在双口RAM内,相当于右半边接口,PCI9054其电路连接如图5所示。PCI9054对应着PCI槽的信号,按PCI槽名称对应连接,加载EEPROM选用93CS66。 将LD0~LD3引入到FPGA内,可以单次I/O写方式,输出4位状态,作主机控制。开、关机,数字视频/模拟视频选择以A16~17的译码之一作地址选择。FPGA读入后,译码成控制信号输出。

图5 PCI9054与双口RAM,FPGA连接
结语
基于ADSP-TS201S的图像采集处理系统能够完成图像的高速处理,实现图像的实时显示,目标跟踪。在实际应用中该系统工作稳定,达到预想效果。