引言
D类升压放大器驱动扬声器的电压高于供电电压,由于可以用单节锂离子(Li+)电池供电就能实现较高性能的音频,这类放大器应用广泛。然而,大多数D类升压放大器并不为用户提供内部升压后的电压,这就使复用扬声器难以利用常见的模拟开关实现多路音频源。本文中,我们讨论如何利用摆幅电容电荷泵使模拟开关能连接这些信号,而无需附加外部电路。
摆幅电容电荷泵
我们首先从摆幅升压电容的基础电路开始讨论,该技术早已被用于产生高于电源的电压,以及提供负电源。只要每次加一点点的力量,即使小朋友也能让秋千荡得很高。摆幅升压电容(这里指电荷泵)电源的原理与此类似。

图1. 小朋友在院子里玩秋千时,添加的能量,使他们的小伙伴荡的越来越高。
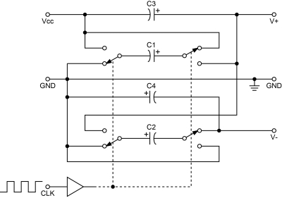
现在,请观察图2,我们假设VCC为5V。明白这点之后,我们就能明白简单的两级摆幅电容电荷泵的工作原理。首先,通过图中所示顶部的两个开关将C1充电至VCC。然后,将顶部的两个开关置于与图2所示相反的位置。现在,C1的负端连接至VCC,正端连接至C3+和V+。第一级C1中储存的电压(+5V)叠加至VCC(+5V),在V+上产生+10V电压。
另外一个摆幅电容C2用于产生负电源V-。将C2两侧的两个开关置于与图2所示相反的位置。C2的正端连接至V+,负端连接至地。然后切换C2各端的开关,因此将C2的正端接地,将负端连接至C4和V-,以形成负电源。

图2. 利用摆幅电容电荷泵转换电压。
摆幅电容电荷泵极成功地被用于计算机的串行通信系统。RS-232(现称之为EIA/TIA-232)标准颁布于1962年,现在仍通用,并且已经被许多工业应用所采用2。RS-232标准要求信号摆幅至少为±5V,早期集成电路RS-232收发器的工作电源为±12V至±15V。上世纪80年代中期,Maxim Integrated Products推出了使用摆幅电容电荷泵的IC,与图2所示类似。器件允许利用单端+5V电源实现全部功能RS-232通信。早期的MAX232仍然在产,并且自始至终是销售最好的器件之一。
由于那些早期工业通用电源现在已经降至3V或更低,电池供电的便携式设备大量涌现,其工作电压低至1.8V。随着情况的变化,升压电源的需求几乎已经消失。同时,由于多个串联电荷泵在高功率应用中的效率较低,所以开发出不同的技术来支持这些应用。在这些领域中,电感电源使得高效率升压调节器成为可能。虽然基于电感的调节器已经大量取代要求大功率应用中的摆幅电容电荷泵,但摆幅电容电荷泵仍被许多领域应用。
音频升压电源,节省功耗、使用时间更长
D类升压音频放大器能利用低压源,例如单节锂离子(Li+)电池,提供高质量的音频信号,所以在手持式系统中应用广泛。例如,当手机被用作便携式媒体播放器或免提电话时,AB类放大器不能提供所需的清晰度和音量。所以,D类升压放大器就取而代之。然而,当手机仅仅用作电话听筒时,AB类放大器则提供很好的性能,同时节省功耗。因此,设计者需要一种途径能够在电话听筒类应用中节省功耗,同时也支持免提电话或媒体播放器应用中的大音量。这种复杂的挑战使得多路音频源复用单个扬声器就非常具有吸引力。
D类升压放大器无需PCB上的大空间,即可提供大音量。然而,在将升压放大器复用至扬声器时,问题出现了。根据设计,D类升压放大器输出的音频信号高于电源电压,但通常模拟开关的信号需限制其在电源轨之内。所以,许多现代化的模拟开关增加了能够传输负电源以下信号的能力。虽然如此,这仍然给D类放大器的升压信号带来了问题,因为不能传输高于正电源的信号。为D类放大器供电的内部升压电源通常不用于为外部设备供电;此外,即使能够为外部设备供电,也只有放大器打开时才有。所以使用这样的电源不太现实,因为当其它放大器正在工作时它可能没有。因此,如果没有附加电路,扬声器复用的应用中就难以使用普通模拟开关。解决这一问题的途径有多种,我们将逐一总结其优缺点。
提高供电电压?
在有些情况下,直接利用D类升压放大器输出的升压电压好像很有优势。但是,如上所述,当D类升压放大器关闭时,给模拟开关的升压电压就没有了。因此,设计者必须寻求另一种途径为模拟开关供电。这就意味着系统必须多设计一个 “或”电路,利用不同的源为开关供电, 它取决于那个放大器正在工作。貌似非常合理,但“或”电路实现这个功能将消耗附加空间和功耗。在空间和功耗是主要设计约束条件的系统中,这种处理是不可取的。
另一种解决方案,虽然不常见,是使用外部升压电源(电感或电荷泵的方法外都行)为电路供电。增加升压电源意味着增加一堆的外部元件(例如IC/二极管/电容/FET/电感)。不可否认,这解决了问题,但是缺点显而易见。首先,在追求体积小的大多数现代应用中这种增加的元件的解决方法是不可接受的,不会采纳的。另外,即使高效率的升压转换器所带来的功率损耗,也是用电池供电系统不可承受的。
将音频电平转换至可接受的范围?
音频应用中使用的许多模拟开关支持负电压。所以,常见的实现方案是转换信号的直流偏置电压,直到信号下降至开关可接收的电压范围。最常见的方法就是用隔直法。该方法是工程师在模拟开关的输入端放置隔直电容。这种方法至少存在三个问题。
首先,电容使本已空间紧张的应用增加了元件。此外,增加的电容值需要足够大,以保证构成的高通滤波器的截止频率尽量的低。此时,负载是扬声器,而不是相当高阻抗的放大器输入。这进一步增大了维持音质所需的电容尺寸。
第二个问题实际上加剧了第一个问题。由于电压系数的原因,增加的隔直电容会带来低频的相位失真。电压系数表示电容值随电容电压变化的程度。由于电容的阻抗在低频时较高,会在电容的两端形成一个电压,从而使电容降低至额定值以下。随着频率增大,电容也增大。电容变化也造成比滤波器的-3dB点高达10倍的频率下的失真。因此,为保证失真在音频范围之外,电容应足够大,使截止频率低至2Hz。此外,所选电容的电压系数应较低,该项要求通常将小型封装电容排除在外,例如陶瓷电容。所以,最常用的是钽电容或电解电容,以降低电压系数。
最后,诸如等效串联电阻(ESR)的非线性等因素也会引入失真。ESR非线性与频率有关,有些情况下由于阻抗增大而限制了提供给扬声器的功率。
总而言之,此处讨论的隔直方法解决了问题,但要求在成本、音质及空间方面做出妥协。
使用隐形(集成)方案
典型D类升压放大器采用低至2.5V的电池电压,产生5.5V的输出电压。这很好,但现在的问题是不使用占用空间的分立式元件,如何能在音频放大器之间切换?图3所示为解决这一问题的“隐形”方案,更准确地说,是集成方案。该方案是一种超小尺寸的双刀双掷(DPDT)模拟开关,允许升压信号通过,无需附加外部电路。我们称之为隐形方案是因为该DPDT开关所需的一切都集成在1.2mm x 1.2mm、9焊球晶原级封装(WLP)内,非常类似于利用电荷泵来避免使用高压外部电源的MAX232。集成了所有必需的电荷泵。由于电荷泵只需要驱动开关内部的门电路,所以甚至不需要外部电容。该集成技术允许高达±5.5V的信号通过,失真超小,而器件电源电压可低至+1.6V。实际上,这种复杂的技术对于设计者或用户是不可见的。

图3. 典型音频配置的“隐形”集成方案。
由于该方案能传输信号电平超出电源上下轨电压,无需隔直电容或外部升压电源。实际上,利用MAX14689 DPDT模拟开关实现多路复用扬声器,无需附加外部电路,即可为音频系统供电。该方法将节省可观的空间。此外,无需隔直电容,信号直接通过,避免了隔直电容所占的空间和导致失真。
最后,开关为“先开后合”式,确保几个音频放大器不会短路在一起。与其它常见方法相比,开关式保证系统的音质,同时减少空间需求。利用低至2.5V的电源供电时,开关的低(0.25Ω,典型值)导通电阻(RON)允许将功率高效率传输至扬声器,并具有低THD+N。
结论
D类升压放大器大大提高了音质,所以在电池供电音频系统中尤其具有优势。但是,这些放大器的功耗较高,所以始终打开的情况下在这类系统并不具有优势。同时,几个不同音频系统复用单个扬声器具有诸多优点。所以,典型模拟开关不能传输高于或低于其电源摆幅范围的问题亟待解决。传统方法具有许多不利影响,而本文介绍的方案简单、节省空间、保证音质。