录像机现如今也越来越受到广大群众的欢迎,这也是一个炙手可热的市场。本文介绍的电路,提供的是一个广阔的波段放大器,其中将采取从您的录像机的视频信号和将扩大他们充分来驱动多达3显示器,电视机,他们可以接受直接的视频信号,或其他录像机的从一个视频录制到其他三个。它也将成为可能从一个视频来记录两个人在同一时间连接到检查您正在录制一台监视器。如果录像机是远离显示器,该放大器也非常有用 。
工作原理
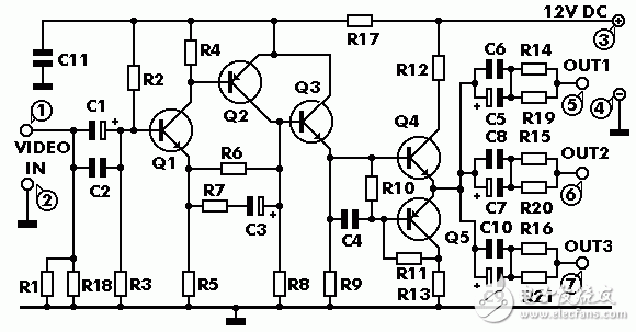
该电路采用5个晶体管,是一个5 MHz带宽的宽带放大器。信号施加在点1和2(地)和通过C1采取的第一阶段,这是一个前置放大器和围绕第一季度建成 。在第一季度的输出直流耦合,3第二季度它放大信号更,因为它们是直流耦合的前置放大器有几乎没有失真和放大是相当高的。最后,从第三季度输出的信号是美联储年Q4及Q5的输出晶体管。这两个晶体管是相辅相成的,从他们的共同发射器的信号是从那里发送到驱动电路的各种设备的信号分配RC网络。该电路需要一个12伏直流电源,它是更好的,如果它是一个像印在其他地方的指示电路稳定 。

步骤
首先让我们考虑建立一个印刷电路板的电子电路的一些基本 。包一层薄薄的导电铜就是在这样一种方式,以形成电路的各个组成部分之间的必要的导体形薄绝缘材料制成的板 。一个设计适当的印刷电路板的使用是非常理想的,因为它的速度建设大幅度上升,减少了决策失误的可能性。智能套件板也有预钻孔的部件和组件一侧印上他们的身份,使建筑更容易的轮廓。为了保护存储在被氧化的,并保证它得到完好的铜是罐头在生产过程中,覆盖着一个特殊的光油,防止氧化,也使焊接更容易。焊接到电路板上的元件是唯一的方法来建立你的电路,你的方式在很大程度上取决于你的成功或失败。这项工作不是很难,如果你坚持了一些规则,你应该没有问题 。您使用的烙铁,一定要轻,其功率应不超过25瓦 ,在任何时候都必须保持清洁 。为了这个目的来非常方便,特制是保持湿润的海绵,不时擦拭即可清除所有的残留物,往往积累对他们的热点。提示:请勿文件或砂纸脏或磨损的。提示:如果提示无法清除,取代它。有许多不同类型的焊锡,在市场上,你应该选择质量好的一个包含在其核心的必要流量,以保证每一次 完美的联合。

请勿使用助焊剂除了,这已经是在焊料中包含 。太多的助焊剂可能会导致很多问题,是电路故障的主要原因之一 。不过,如果你必须使用额外的通量,因为它是当你有锡铜导线的情况下,干净的很彻底,在您完成您的工作。正确,以焊接组件做以下内容:
-清洁组件的导线与一小块砂纸,
-弯曲的组件的身体正确的距离他们和其在黑板上地插入组件。
-你有时可能会发现比平常加重计信息,太粗,在印刷电路板的孔进入的一个组成部分。在这种情况下,使用一个小型钻孔略有放大 。不要做的孔太大,因为这是使焊接的困难
之后,以热铁和地点及其元件引线上的提示,同时举行的地步率先从板出现焊锡丝。烙铁头必须触摸导致略高于PC板
- 当焊料开始融化和流动,等待,直到它涵盖周围均匀的孔和通量疖面积和从下面的焊锡 。整个操作不应该超过5秒。取出铁和离开焊点自然冷却不吹或移动组件。如果一切正常关节面必须有一个明亮的金属质感,其边缘应顺利结束组件上的领导和董事会轨道 。如果焊料看起来沉闷,破裂,或有一个blob的形状,然后你有干燥的联合,您应该删除焊料(用泵,或锡丝)和重做-小心不要过热的轨道因为它很容易从内部解除他们,打破他们
- 当你是焊接敏感元件,它是很好的做法。
- 确保你不使用更多的焊料比它是必要的,因为你正在运行相邻轨道上的短路电路板的风险,尤其是当它们非常接近。
    -当您完成您的工作,切断多余的元件引线和合适的溶剂清洗电路板,彻底清除所有助焊剂残留物,它可能仍然。
   -施工中应不存在任何困难,如果你仔细按照电路图和地点中的组件他们的地方,因为它是概述的印刷电路板组件的一面 。焊接所有的引脚,电阻,电容,电解连接它们的极性正确,最后在他们的地方和焊料他们插入晶体管过热非常小心焊接时可以摧毁他们的第一次。
    当所有的组件都被焊接的仔细检查电路,如果你感到满意的是有没有失误,使下面的连接: - ( - )3(+12 V)和4点的供应电压-输入信号1点(信号)和2(共同)
-输出5,6,7(信号)和4(普通) ,因为它是唯一的两个输出初始连接 。,为使第三,你也应该一起连接C7和C9的积极信息 。


