一、锂电池充电原理
锂离子电池的充电过程可以分为四个阶段:涓流充电(低压预充)、恒流充电、恒压充电以及充电终止。
锂电池充电器的基本要求是特定的充电电流和充电电压,从而保证电池安全充电。增加其它充电辅助功能是为了改善电池寿命,简化充电器的操作,其中包括给过放电的电池使用涓流充电、电池电压检测、输入电流限制、充电完成后关断充电器、电池部分放电后自动启动充电等。
锂电池的充电方式是限压恒流,都是由IC芯 片控制的,典型的充电方式是:先检测待充电电池的电压,如果电压低于3V,要先进行预充电,充电电流为设定电流的1/10,电压升到3V后,进入标准充电 过程。标准充电过程为:以设定电流进行恒流充电,电池电压升到4.20V时,改为恒压充电,保持充电电压为 4.20V。此时,充电电流逐渐下降,当电流下降至设定充电电流的1/10时,充电结束。下图为充电曲线

图1

图2
阶段1:涓流充电——涓流充电用来先对完全放电的电池单元进行预充(恢复性充电)。在电池电压低于3V左右时采用涓流充电,涓流充电电流是恒流充电电流的十分之一即0.1c(以恒定充电电流为1A举例,则涓流充电电流为100mA),
阶段2:恒流充电——当电池电压上升到涓流充电阈值以上时,提高充电电流进行恒流充电。恒流充电的电流在0.2C至 1.0C之间。电池电压随着恒流充电过程逐步升高,一般单节电池设定的此电压为3.0-4.2V.
阶段3:恒压充电—— 当电池电压上升到4.2V时,恒流充电结束,开始恒压充电阶段。电流根据电芯的饱和程度,随着充电过程的继续充电电流由最大值慢慢减少,当减小到0.01C时,认为充电终止。(C是以电池标称容量对照电流的一种表示方法,如电池是1000mAh的容量,1C就是充电电流1000mA。)
阶段4:充电终止——
有两种典型的充电终止方法:采用最小充电电流判断或采用定时器(或者两者的结合)。最小电流法监视恒压充电阶段的充电电流,并在充电电流减小到0.02C至0.07C范围时终止充电。第二种方法从恒压充电阶段开始时计时,持续充电两个小时后终止充电过程。
上述四阶段的充电法完成对完全放电电池的充电约需要2.5至3小时。高级充电器还采用了更多安全措施。例如如果电池温度超出指定窗口(通常为0℃至45℃),那么充电会暂停。
二、锂电池与镍镉电池
1、锂离子电池及充电器
锂电池轻薄短小且容量大,其阳极为石墨晶体,阴极通常为二氧化钴锂,在充放电反应中,锂永远以离子形态出现,所以这种电池称为锂离子电池。锂离子电池与镍氢镍镉电池相比有以下优点:1、单体电池工作电压为3.6V,是镍镉电池的三倍;2、在容量相同的情况下,体积可减小30%,重量可降低50%;3、寿命可达1200次以上;4、允许工作温度范围(-20℃~+60℃)很宽,可大电流快速充电。

单体锂离子电池的充电电压必须严格保持在4.1V±50mV,若超过4.5V,可造成永久性破坏。其放电电压不得低于2.2V,否则也会造成永久性破坏。最简单的锂离子电池充电器电路图如上图所示。该充电器中,采用了锂离子电池充电控制器LM3420,可对两只串联锂离子电池组充电。当电池组电压低于8.4V时,LM3420输出端(OUT)无输出电流,晶体三极管VT2截止,因此,电压可调稳压器LM317输出恒定电流,其值为1.25V/R。LM317额定输出电流为1.5A,若需要更大的充电电流,可选用LM350或LM338。充电过程中,电池电压不断上升。电池电压被LM3420的输入脚(NI)检测,当电池电压升到8.4V时,LM3420开始输出电流,使VT2开始控制LM317的输出电压,充电器转入恒压充电过程,电池电压稳定在8.4V,充电器转入恒压充电过程,电池电压稳定在8.4V,此后充电电流开始减小,充足电后,充电电流下降到涓流充电。当输入电压中断后,晶体三极管VT1截止,电池组与LM3420断开。二极管VD可避免电池通过LM317放电。
2、全自动镉镍电池充电器
镍镉电池正极板上的活性物质由 氧化镍粉和石墨粉组成,石墨不参加化学反应,其主要作用是增强导电性。负极板上的活性物质由氧化镉粉和氧化铁粉组成,氧化铁粉的作用是使氧化镉粉有较高的 扩散性,防止结块,并增加极板的容量。活性物质分别包在穿孔钢带中,加压成型后即成为电池的正负极板。极板间用耐碱的硬橡胶绝缘棍或有孔的聚氯乙烯瓦楞板 隔开。电解液通常用氢氧化钾溶液。
本充电器电路采用折点电压法对镉镍电池进行充电。当电池充足电时,充电电流将自动减至8mA,同时用发光管指示充电结束,并给电池提供涓细电流,维持电量。因而不会产生过充及欠充现象,从而延长了镍镉电池的使用寿命,如图。

图中,VD3为充电指示,VD4为充电结束指示。充电部分采用三端稳压块μA7806组成恒流源充电电路。充电电流I=(6V/R1)+IVD6=(6V/R1)+8mA。适当选取R1可以得到合适的充电电流。
控制部分采用单向晶闸管VS。当电池充足时,电池两端的电压上升至一固定值(单只1.4~1.55V),导致晶闸管VS导通使VD6发光,且VT2随之饱和导通导致VT1五偏置电流而截止。这是电池的充电电流只剩下流过VD5的三端稳压块的静态电流,月8mA左右,因而电池不会被过充。
调试:用充足的镉镍电池代替代充电池,仔细调节RP使VD6刚好点亮,测充电电流为8mA即可。
三、经典充电电路设计(一)
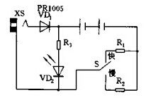
1、简易充电电路
220V经变压器T输出为12V。变压器T次级中心抽头分为两个6V,为相互独立的单元。各单元经半波整流变为3V直流电供电池充电。图中R1取6Ω、1W,R2取24Ω、1/2W,R3取47Ω、1/8W。此电路有快、慢两种充法可供选择。快充电流为100mA、慢充电流为50mA。

现在家用可调稳压电源已经很普及了,如果照图(2)做一个附加器,便可增加充电功能。此充电器可以在不影响调压电源工作的情况下进行充电。VD1可防止外接输入电压反相。VD2为电源指示,如果插上3V电源,发光二极管不亮,则输入+、-极反相,变换一下即可。灯亮即可充电。R1取5Ω、1W、R2取20Ω、0.5W,R3取470Ω、0.125W。

图三是以上两种电路的充电附加器,可以克服以上两电路不能单个电池充电的缺点。它利用硅管的管压降为0.7V的特点。用两只二极管相串,压降正好为1.4V。二极管可用额定电压大于10V,额定电流大于200mA的。

2、电动自行车电池快速充电器
这里介绍的电动自行车的蓄电池快速充电器,其充电量可达普通充电电池容量的95%,充电时间仅用5h即可。
工作原理:电路如图所示。T为隔离变压器。L1、L2各输6V的交流电压,L2输出36V的交流电压。当交流电第一个正半周到来时,V1经VD1半波整流后取得同步电压触发VS1导通。V2经桥式整流器VD3~VD6,通过VS1对电动自行车蓄电池GB充电,当交流电过零时,VS1自动关断;在过零后的第一个负半周到来时,V3经VD7半波整流,取得触发电压使VS2导通,于是GB便通过VS2对电容C1充电,当C1两端电压上升到与电池GB两端电压接近,且L3交流电压过零时,VS2自动关断,停止放电。此时电容C1便通过电位器RP、电阻R3泄放,为下一期充电作准备。当电源第二个正半周到来时,VS1又被触发导通对GB进行充电。如此周而复始,短暂的放电消除大电流充电引起的极板极化,是充电能顺利进行,并使充电温升也得到控制。

为使GB充电量达到80~85%时减少充电电流,以便保护蓄电池,电路中采用了三极管VT和电位器RP构成电压检测电路,检测电压取样于C1的两端,这样可避免大电流充电时电池端电压升高的现象。制作过程中要注意电源变压器接头的同名端。
四、经典充电电路设计(二)
1、 手机万能充电器电路图
该充电器具有镍镉、镍氢、锂离子电池充电转换开关,并具有放电功能。在150~250V、40mA的交流市电输入时,可输出300±50mA的直流电流。
该充电器采用了RCC型开关电源,即振荡抑制型变换器,它与PWM型开关电源有一定的区别。PWM型开关电源由独立的取样误差放大器和直流放大器组 成脉宽调制系统;而RCC型开关电源只是由稳压器组成电平开关,控制过程为振荡状态和抑制状态。由于PWM型开关电源中的开关管总是周期性的通断,系统控 制只是改变每个周期的脉冲宽度,而RCC型开关电源的控制过程并非线性连续变化,它只有两个状态:当开关电源输出电压超过额定值时,脉冲控制器输出低电 平,开关管截止;当开关电源输出电压低于额定值时,脉冲控制器输出高电平,开关管导通。当负载电流减小时,滤波电容放电时间延长,输出电压不会很快降低, 开关管处于截止状态,直到输出电压降低到额定值以下,开关管才会再次导通。开关管的截止时间取决于负载电流的大小。开关管的导通/截止由电平开关从输出电 压取样进行控制。因此这种电源也称非周期性开关电源。


220V市电经VD1~VD4桥式整流后在V2的集电极上形成一个300V左右的直流电压。由 V2和开关变压器组成间歇振荡器。开机后,300V直流电压经过变压器初级加到V2的集电极,同时该电压还经启动电阻R2为V2的基极提供一个偏置电压。 由于正反馈作用,V2 Ic 迅速上升而饱和,在V2进入截止期间,开关变压器次级绕组产生的感应电压使VD7导通,向负载输出一个9V左右的直流电压。开关变压器的反馈绕组产生的感 应脉冲经VD5整流、C1滤波后产生一个与振荡脉冲个数呈正比的直流电压。此电压若超过稳压管VD17的稳压值,VD17便导通,此负极性整流电压便加在 V2的基极,使其迅速截止。V2的截止时间与其输出电压呈反比。VD17的导通/截止直接受电网电压和负载的影响。电网电压越低或负载电流越大,VD17 的导通时间越短,V2的导通时间越长,反之,电网电压越高或负载电流越小,VD5的整流电压越高,VD17的导通时间越长,V2的导通时间越短。V1是过 流保护管,R5是V2Ie的取样电阻。当V2Ie过大时,R5上的电压降使V1导通,V2截止,可有效消除开机瞬间的冲击电流,同时对VD17的控制功能 也是一种补偿。VD17以电压取样来控制V2的振荡时间,而V1是以电流取样来控制V2振荡时间的。
2、智能型太阳能充电电路
本文设计中采用16个光伏电池串联,组成电压约为1218V 的太阳能组件,通过采集较高多的光能,保证日照能够使锂电池完全充满电,具体电路如图所示。

智能型太阳能充电电路设计主电路
太阳能组件产生的电能,一路经过开关变压器T1 的122绕组加至开关管Q1 的集电极( c) ,另一路经过R1 为Q1 提供基极电压。 当基极( b)的电压为高电平时, Q1 开始导通,变压器T1 的122绕组中产生1正2 负的电动势,经T1 耦合,在T1 的324绕组中产生3正4负的感应电动势,此电动势经R5 , C2 叠加到Q1的基极( b) ,使Q1 迅速饱和导通。 由于变压器T1 的122间的电流不能突变,在此过程中会产生1负2正的电动势。 变压器T1 的324绕组中感应出3负4正的电动势,通过R5 , C2 ,使Q1 迅速进入截止状态。 经R1 对C2 的不断充电, Q1 又开始导通,进入下一轮的开关振荡状态。 在导通期间, T1 变压器的副边绕组526,经整流二极管D4 向外输送能量。
稳压电路由稳压管D0、三极管Q2 等元件组成。 当负载减轻或太阳能组件输出电压升高时, A 点电压上升。 当该电压大于511V 时, D0 击穿, Q2 因b2e结正向偏置而迅速导通,使Q1 提前截止,从而使输出电压趋于下降;反之,则控制过程相反,从而使变压器T1 副边输出电压基本稳定。 当负载过重时, Q1 的c2e电流增大, R4 上的压降也随之增大。 当该电压大于017V 时, Q2 导通, Q1 截止,达到过流保护的目的。 为避免截止期间变压器T1 的122 绕组感应出的尖峰脉冲击穿开关管Q1 ,并联了尖峰脉冲吸收电路。