声音信号无处不在,同时也包含着大量的信息。在日常的生产生活中,我们分析声音信号,便可以简化过程,得到我们想要的结果。随着 DSP芯片的性价比不断攀升,使 DSP得以从军用领域拓展到民用领域,由于TI公司 DSP5000系列强大的音频压缩能力,语音应用得到了较大的发展。因此,基于 DSP的声音采集系统的设计与开发具有重要的现实意义。
1系统总体介绍
该系统主要应用于工业生产中,通过采集的声音信号与数据库中的数据相比较,来检测生产设备的运行状态等。本系统主要分为以下几个部分:电平转换电路、 AD转换电路、静态存储与动态存储、USB接口以及 JTAG部分。
该系统通过采集声音信号来检测器械的裂纹、密合度等。将 DSP高速处理数字信号的能力与 USB高速传输数据的能力结合起来,使其服务于工业生产,是该系统的主要设计目的。系统选用了 TI公司的TMS320VC5402作为该块 PCB的 CPU,并将 Philips公司的 PDIUSBD12作为接口芯片,使用 USB1.1协议进行 DSP与电脑的通信。 2硬件设计思想人类可以听到的声音信号是范围在 20-20kHz的模拟信号,所以首先需要传感器接收该声音信号,接着需要进行转换,使声音信号由模拟信号变为数字信号。之后通过分析噪声产生的原因和规律,利用被测信号的特点和相干性,检测被覆盖的声音信号。在检测方法上有频域信号的相干检测、时域信号的积累平均、离散信号的计数技术、并行检测等方法。
由于 5402片内的 ROM和 DRAM资源有限,所以该系统需要外部存储设备,本设计选择一片 SRAM作为静态存储器,一片 FLASH作为动态存储设备。5402的 CPU电压为 3.3伏,外设电压为 1.8伏,所以该系统还需要一个供电的电源模块,可以将一般的输入电压 5伏转化为 3.3与 1.8伏的电压为 DSP供电,该 5V电压还可为除 DSP以外的其他设备供电。
DSP与计算机的通信,通常采用 USB、RS232、PCI或 ISA卡等方式。RS232的主要缺点是:速度慢,不支持热插拔; PCI与 ISA卡的主要缺点是:受计算机卡槽数量、地址等资源的限制,可扩展性差。而利用 USB通讯的主要优点,便是传输速度快,支持热插拔,占用资源少,可扩展性强。该设计利用 USB接口芯片直接与 DSP相连,通过 DSP的程序实现 USB的协议,最大的优点就是可以保障数据交换的速度。综上,在本系统中,几个基本环节就是:电平转换电路:将 5V电源转换为 3.3V与 1.8V,分别为 DSP芯片的片上外设以及 CPU供电; AD信号转换电路:将传感器接收到的模拟信号转换为数字信号,供 DSP进行处理;信号的存储电路:储存 DSP处理的信号;信号传输电路:将经过处理的信号上传至电脑;仿真电路:用于测试 DSP芯片。整体架构如图 1所示。

3模块介绍
3.1 DSP
1、 DSP技术简介
数字信号处理器,简称 DSP,是专业进行信号处理的芯片,目前在通信、自控领域具有广泛的应用。在信息资源大大丰富的今天,数字化程度已经越来越高。而 DSP作为这一技术的重要组成部分,对我们的生活已经产生了越来越深刻的影响。自从 1978年 AMI公司发布了“单处理设备”开始,从基于 Harvard结构但使用不同数据与程序总线的第一代通用DSP,到进行了改进的第二代增强型通用DSP,再到包含了 GPP结构的第三代DSP,今天的DSP的发展趋势已经趋向于混合结构,DSP产品与计算机之间的差别已经越来越模糊。在数字化时代背景下,DSP已成为各种电子产品等领域的基础器件,而其在电机控制、声音识别与图像识别领域中的应用则是更为广泛。
2、声音采集系统中采用的 DSP
本系统中 DSP采用的是 TI公司的 TMS320VC5402(以下简称 5402),其操作速率达 100 MIPS,由于其具有改进的哈佛结构,所以它可以在一个指令周期内完成 32x32bit的乘法,亦可以迅速完成数学运算最常用的乘加运算。它有 4条地址总线、3条 16位数据存储器总线和 1条程序存储器总线, 40位算术逻辑单元 (AIU),一个 17×17乘法器和一个 40位专用加法器。8个辅助寄存器及一个软件栈,允许使用最先进的定点 DSP的 C语言编译器,内置可编程等待状态发生器、锁相环(PLL)时钟产生器、两个多通道缓冲串行口、一个 8位并行与外部处理器通信的 HPI口、2个 16位定时器以及 6通道 DMA控制器,特别适合电池供电设备.
3.2电平转换电路
电平转换电路,顾名思义,就是将电源供电的电压转换为适合芯片工作的电压。由于 5402的核电压与片上外设电压不同,而且整个电路需要的电压并不能由电源直接提供,所以电平转换电路可以说是整个电路工作的动力,为各个元器件提供适合其工作的条件。
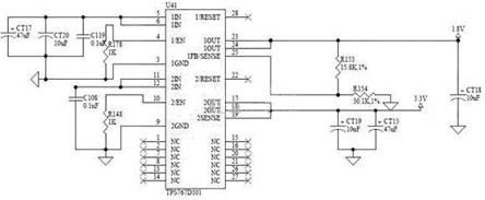
在该电路中,电源芯片使用的是 TI公司的 TPS767D301(以下简称 D301)。D301是一款可以使不同电压分别输出的芯片,可输出 3.3V和介于 1.5-5.5V之间的某一调整后的电压。因为 5402的外设电压是 3.3V,核电压为 1.8V,所以在此设计中,将该芯片的输出设定为3.3V和 1.8V,与 5402匹配。连接图如图 2所示。

在 1OUT的输出部分 Vo="Vref"×(1+R1/R2),在 D301中,Vredf=1.1834V,所以 Vo="1".1834V×(1+15.8/30.1)=1.8V。
3.3 AD转换
本设计中选用的 AD转换芯片是 TI公司的TLC320AD50C。该芯片的采样采用ΣΔ技术,即将一个抽样滤波器放置于 ADC后,将一个差值滤波器放置在 DAC前。这种结构的最大特点就是使系统可同时进行接收、发送任务。 TLC320AD50C可实现高采样率(最高可达 22.5kb/s)的 AD/DA转换,该功能由 2个 16位的同步串行转换通道实现,可直接和 DSP连接进行通信。
TLC320AD50C中的可选项和电路配置可以通过串行口进行编程,该芯片对掉电、复位、信号采样率、串行时钟率、增益控制、通信协议、测试模式等可通过串行口进行编程和电路配置。具体连接如图 3:

片外复位电路提供上电复位,晶振电路可提供 10MHz的主时钟频率,数据采样频率和其他时钟信号均由此频率分配。5402与 AD50C之间的通信格式为主串行通信格式:接收和发送转换信号。
3.4 存储
采集到声音信号后,一个很重要的环节就是声音信号的存储,本系统中我们采用的是SST公司的 FLASH存储器: SST39VF400A。该器件存储容量为 4 MB,采用 3.3 V单电源供电,对各个子模块的读写和擦除,可通过一些特殊的命令字序列来实现且无需额外提供高电压。在此设计中我们利用 DSP编程实现对该存储器的读写操作。
DSP主要通过外部存储器接口 (EMIF)访问片外存储器。它不仅具有很强的接口能力(可以和各种存储器直接接口),而且具有很高的数据吞吐能力。 5402与 SST39VF400的接口电路设计如图 1所示。该电路主要通过 DSP的相关输出管脚来控制 FLASH的擦除和读写。其中,A0~A19为地址线,DQ0~DQ15为数据线,OE和 WE分别为输出使能和写使能, CE1为片使能。
声音信号经过 AD转换器以后传输给 DSP,由 DSP的 PS和 DS引脚通过逻辑开关来分别控制 flash和 sram的使能端,由 DSP的 RW和 MSTRB控制位通过逻辑电路分别控制读和写。
在本设计中,SRAM使用的是 GS1117:64K×16的 1MB异步静态随机存储器。 GS71116是一个由高速的互补性金属氧化物半导体晶体管( CMOS)组成的静态随机存储器,不需要外部时钟或时间频闪观测器。 3.3V的操作电压,所有的输入输出均兼容晶体管逻辑电路(TTL)。它的快速通道时间小于 15ns,操作电流小于 100mA。
3.5 USB
PDIUSBD12是一款带并行总线的 USB 接口器件,它符合通用串行总线 USB 1.1 版规范,集成了 SIE、FIFO、存储器收发器以及电压调整器等,可与任何外部微控制器或微处理器实现高速并行接口 2M字节/秒,且在批量模式和同步模式下均可实现 1M字节/秒的数据传输速率,可通过软件控制与 USB 的连接,采用 GoodLink技术的连接指示器 ,在通讯时使LED闪烁,具有可编程的时钟频率输出,内部上电复位和低电压复位电路,为双电源操作,在 3.3±0.3V或扩展的 5V电源下均可使用,可实现多中断模式的批量和同步传输。连接图如图 4:

3.6 JTAG
JTAG是 joint test action group的简称,是用来调试 DSP的仿真部分,其连接部分要和仿真器上的引脚一致。TI公司的DSP5000系列专门预留有JTAG管脚,共14个, 4,8,10,12引脚均接地,6引脚悬空,5接高平电压3.3V,所有的仿真引脚均使用 IEEE1149.1标准,其余的引脚含义为【5】:1、TMS:输入引脚,选择测试方式;2、TRST:输入引脚,测试复位;3、TDI:输入引脚,测试数据输入;7、TDO:输出引脚,在 TCK的下降沿时输出数据,其余时间呈高阻态;9、TCK_RET:输入引脚,在板子与仿真器的连接电缆不小于 6英寸的时候,接法与 TCK相同,大于 6英寸的时候,需另加驱动;11、TCK:输入引脚,测试时钟,一般为占空比为50%的固有时钟信号;13、EMU0:仿真中断引脚0,可用作输入或输出;14、EMU1:仿真中断引脚1,可用作输入或输出,当 TRST为低电平、EMU0为高电平时,EMU1为低电平,所有输出禁止。
4结论
通过这个声音采集系统,我们可以把无形的声音信号转化为图形进行处理,可以观察它的波形特点进行研究、工业生产等等。而在设计其他的 DSP应用系统接口电路时,要根据具体情况综合考虑性能指标、器件选取、外围电路设计等方面,仔细选取器件,精心合理布局,才能达到理想的设计效果。