对显示设计工程师来说,人眼在视觉处理上有限的分辨率和惰性是一项福祉:从大于一定的距离处观看,LED矩阵显示为均匀的明亮区域;只有靠近仔细查看才可以看到单独的LED灯。时间复用也欺骗了人的眼睛,使快速变化的帧成为连续、流畅的画面。
如今,这种眼睛/大脑行为使生产各种显示配置成为现实,从为移动应用带来有趣照明效果的小型4x4 LED矩阵,到用于面板显示的100x100 LED矩阵,又例如,工业机器中的状态信息显示、大型高清晰度视频墙中使用的1920x1080 LED矩阵,还有其他包括娱乐场、音乐会或体育场馆屋顶上的应用。虽然这些应用似乎完全不同,但他们有一个共同点:每一个LED需要单独放置并根据需要点亮。
对于绝大多数面板(除了非常小的面板),这就提出了一个设计上的难题。在一个4x4的面板中,直接放置16个LED灯仍是可以实现的。然而,即使是一个中等规模的分辨率为256的点阵显示屏,使用256个通道是行不通的。因此,我们必须寻找不同的寻址方法。
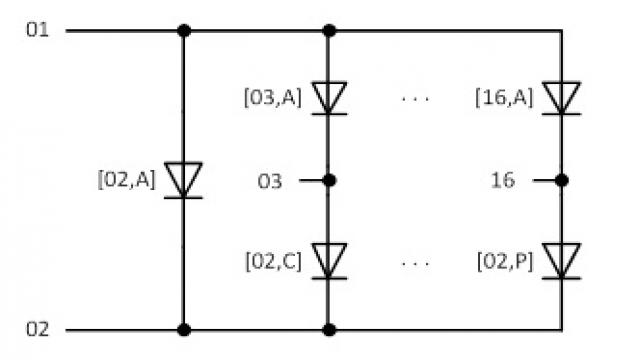
传统的方法是通过在点阵中行和列来定义LED坐标。在一个256 LED点阵的例子中,这通常被组织成16x16的标准形式(见图1)。

图1:由16行和16列组成的256-LED点阵
每一列(A-P)都连接了16个LED灯的阳极,每一行(1-16)连接16个LED灯的阴极。图1可看出配置所有256个LED灯只需32个通道,远远少于直接部署单个LED所需的256个通道。驱动点阵所需的引脚数量n和LED数量m因此可以表达为:
 (Equation 1方程式1)
 (Equation 1方程式1)
为了布置给定的LED,例如[01,A],列A需要被连接到VLED(LED电源电压),而行01需要被连接到地(需要一个串联电阻以限制电流)。在LED驱动芯片的配置中,列A可能直接连到VLED,而行01连接到一个电流阱。该方法可以减去限流电阻。
在每个控制引脚上连接16个LED的缺点在于,无法同时显示一个完整的帧(256个点)。例如,如果LED灯[01,B] 和 [02,A] 同时点亮,LED [02,B] 会自动产生压差,与平行的其他两个灯一起点亮,即使它被设定为熄灭状态。为了克服该问题,可以使用时分复用。以50Hz或更高的刷新速率,人类大脑的视觉处理会产生一个无闪烁的连续帧。因此我们可以让LED矩阵段顺次启动,同时保证其他部分处于三态。段刷新率为帧刷新率乘以段数量。
这被证明是一种用于LED多路复用的完美且有效的技术,但它仍然需要一个具有高引脚数的驱动IC和大到足以容纳32个通道导线的印刷电路板。在一般情况下,集成电路和印刷电路板面积越大,材料和生产成本也越高。
显示器制造商对矩阵显示驱动器具有较少引脚数量的需求导致“Charlieplexing”算法的实施,该方法是查理•艾伦在1995年提出的一个架构,他曾作为一名工程师在模拟IC制造商Maxim任职。该想法是连接每个LED的阴极和阳极到相同的通道(见图2)。

图2:Charlieplexed算法下的 16x16 点阵
图2显示没有LED被连接到空的对角线。在这些节点,每一行都和一列产生短路。LED的数量m和所需通道n之间的关系可以计算为:
 (Equation 2 方程式2)
 (Equation 2 方程式2)
方程式3显示了n经变换后的表达形式。所需的通道数量n和所需的LED数量m之间的关系可以表达为:
 (Equation 3 方程式3)
 (Equation 3 方程式3)
使用16个通道即可解决240个LED灯的寻址。在256-LED显示的例子中,需要一个额外的通道(事实上17个通道就可以布置最多272个LED)。换言之,驱动器的引脚数几乎被减少了50%。同样,时分复用是必需的。比如要激活LED[02,A],行01需要被连接到VLED,而行02则需要被连接到地。所有其他的行都处于三态。
然而,减少引脚数量并不是没有困难的。第一个问题来自charlieplexed矩阵的拓扑结构。图3显示寄生的平行路径是charlieplexed矩阵的固有特征。

图3:charlieplexed矩阵的平行路径
事实上,每一个单个LED都与多个串行双LED灯平行。这意味着,在矩阵中的LED必须具有相似的正向电压:如果LED [02,A] 和平行路径上的LED之间的正向电压误差接近两倍,那么在平行路径上的LED可能会被无意中点亮。
在实践中,一个管理良好的显示器生产过程可以确保LED匹配达到远远小于两倍的正向电压误差。
第二个由Charlieplexing带来的问题无法轻易避免。当LED因短路或开路发生故障时,该问题就会产生。图4a显示了短路的结果。让我们假定LED[01,B]短路,LED[03,B]应该被开启。02通道被配置为电流源,从电源为行02提供电流。通道03被配置为一个开关,连接行03至地。由于[01,B]的短路,列A和行01无意中被拉高(以红色显示)。因此,列A中的每个LED在阳极都存在正压。由于行03被拉低从而点亮[03,B],行03中的每个LED在阴极都接地(以蓝色显示)。因此,由于短路的原因,LED[03,A]两端电压与LED[03,B]完全一样,也同样被点亮了。
一般来说,当有LED短路时,连接到下面通道上的LED会发生讨厌的重影现象:
•发生短路的通道(和相应的行)。(在该示例中,就是通道01)
•通过短路直接连接上面通道的通道(和相应的行)。(在该示例中,就是通道02)
该问题在一个开路LED情况下显得更加突出。在图4b中,激活有问题的LED[01,B]。通道01被配置作为开关连接行01至接地。通道03仍然保持与原先相同的状态。因此,行02和列B被拉高(显示为红色),行01和列A被拉低(图中蓝色部分)。由于在配置的LED中有一个开路,行02和列B上的电压开始上升(红色中所示)。只要其中一个达到正向电压,行03和列C就将通过LED[03,B]产生偏压(黄色中所示)。 所有[X,B]LED灯都会产生同样的情况。列B中的电压进一步上升,直到到达两倍的LED正向电压。现在,所有在[X,B]和[01,x] 的LED完全处于偏压并被点亮。

图4a、4b:短路中的Charlieplexed点阵(4a,左)以及开路状态(4b,右)
过去,重影现象以及开路LED带来的潜在问题阻碍了实施charlieplexed点阵的尝试。但现在,由Charlieplexing改进而来的crossplexing技术,将有效消除前者带来的缺陷并提供较少的引脚数量,这是LED显示器的设计师们一直在寻找的解决方案。
为了实施crossplexing算法,第一个要求就是系统必须知道是否存在开路或短路。为了便于说明,让我们假设,驱动器的布置由位于阳极侧的电源和阴极侧的低电阻开关组成。每一行都需要一个电源和一个开关的组合。
当单个部署的LED发生短路时,从电流角度来看不会产生任何影响,电源仍将继续提供电流。然而,从电压角度来看,却引起了一定的变化:电流源输出的电压将不会达到LED的正向电压(因为短路的原因),而会处于接地的状态,明确指示短路的存在。因此,将确定的电压阈值与实际的阳极电压进行比较就可以检测是否存在短路。
在开路LED的例子中,阳极电压将上升至两倍的正向电压——同样地也会产生存在开路的明确指示。在这种情况下,是否达到绝对电压水平将取决于所使用LED的正向电压,而这个参数在如今市场中的LED上存在相当大的差异。所以单个电压阈值不能概括所有的LED。
根据LED的数据手册来分析所有可能的变化并计算开路阈值的最低值在理论上是可行的,但这个最低值可能对许多LED是无效的。事实上,这个值可以采用更明智的方法来计算。任何给定的PCB面板所具有的最优电压阈值正是面板上所有LED的最高正向电压。然而确定这个最优电压阈值,必须测量每一个PCB电路板并在组装时完成配置,这又是不可行且昂贵的制造步骤。
目前,类似于这种方法的技术方案可以通过奥地利微电子的AS1119得以实现,该芯片是一款新的144 LED crossplexing矩阵驱动器IC。 通过该芯片实现的开路/短路检测过程同时使用矩阵内LED的正向电压,就可以确定并自动设置开路状态下最优的阈值电压。
当然,仅仅知道开路或短路的位置无法消除重影。但是,一旦检测到开路的存在,系统就可以存储它的坐标。驱动器每次按指令布置LED时就会“掩盖”该位置并忽略指令。这个措施可以防止LED在剩余的点阵显示中发生意外操作。在大型矩阵中,单个LED的关闭完全不会影响到用户的使用感受。
对于短路,防止重影显得更为困难。如上所示,单个LED短路会引起其他多个LED的重影效果。掩盖所有这些发生故障的LED来避免重影并不能解决问题,与短路相关的通道都需要停用。这可能会导致矩阵中大量LED的故障。在一个四通道的矩阵中,停用通道01和通道02后,只剩下两个可运作的LED。这将损失整个矩阵的83%。对于16 x16的矩阵中,停用两个通道后,240个LED中将只留下182个仍处于工作状态,损失整个矩阵的24%。
每个设计师可以选择自己认为最好的方法,矩阵越大,停用两个通道所引起的影响就越小。是否可以接受这些影响,很大程度上取决于应用本身。对于较小的矩阵,停用两通道可能就无法正常运作。
结论
crossplexing方法结合诸如AS1119的智能矩阵驱动电路,使为了避免charlieplexing拓扑的主要弊端而改进的crossplexing成为可能。由于LED开路而引起的显示故障在完全不影响图像质量的情况下是可以预防的。Crossplexing提供了用较少引脚数量IC来驱动LED矩阵并大大节省PCB面积和生产成本的方法。