一款温度区间控制的电路图
时间:08-13 16:38 阅读:1147次
*温馨提示:点击图片可以放大观看高清大图
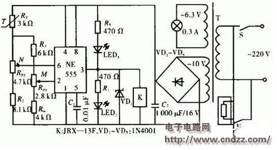
简介:本文将为大家介绍一款温度区间控制电路设计,该电路的工作原理是220V市电经变压器T降压、VD2一VD5桥式整流、C2滤波后供给整个电路。具体的电路设计请看下文。
电路工作原理:220V市电经变压器T降压、VD2一VD5桥式整流、C2滤波后供给整个电路。开关S闭合后,由于此时M点电位低于1/3Vcc,555电路被置位,输出端3脚为高电平,继电器K吸合,触点K-1接通所控加热电路,使温度卜升,同时发光二极管LED指示。
