手机的锂离子电池充电安全性日益受到消费者重视,因此充电器制造商在设计产品时,须掌握锂离子电池的相关规格和特性,并使用具备完善电池检测及保护功能的充电晶片,以降低过电流、过电压或过温等状况所造成的危险。
随着科技进步、生活品质提升,电子产品的踪迹到处可见,其中又以手机为人类生活中不可或缺的必需品。不论是早期黑金刚手机或现今功能强大的智慧型手机,皆需要电源才能运作。
早期手机的电池主要有二种,一是镍氢、镍镉电池,二是锂离子电池,但现在使用镍氢、镍镉电池来做为电源的手机,已经是非常的少见,绝大部分都是使用锂离子电池,尤其消费者希望手机待机时间更长,且体积要更小,所以镍氢、镍镉电池已经慢慢不能符合消费者的期望而被淘汰。 虽然镍氢、镍镉电池在价格以及替代电池取得的便利性优于锂离子电池,在其他电子产品上仍旧可看到镍氢、镍镉电池的踪迹;但是,在体积、重量及容量方面,镍氢、镍镉电池皆不如锂离子电池,所以现今标榜着轻薄短小的电子产品,几乎都是使用锂离子电池。
智慧型手机因其功能强大、萤幕耗电量大,更是需要电池容量大及电力更耐久的锂离子电池。当手机电池电量不足时,使用者通常会以充电器或搭配一组行动电源随时对电池进行充电。
体积/容量兼具锂离子电池为电子产品首选
充电电池依其材质的不同可分为四类:铅酸电池、镍镉电池、镍氢电池和锂离子电池。
由表1优缺点看来,镍镉、镍氢及锂离子电池较适合使用在电子产品上;而锂离子电池无论是在体积、重量及容量(电子产品的使用时间)较优于镍镉、镍氢电池,也无记忆效应的问题,所以锂离子电池在电子产品使用上似乎方便许多。
延长使用寿命锂离子电池充/放电压成关键
一般来说,锂离子电池会有电性安全的范围限制。由于锂离子电池的特性,当电池电压在充电时上升到最高设定电压后,要立即停止充电,避免电池因过充电造成电池损毁而产生危险;电池供电(放电)时,电池电压如果降至最低设定电压以下便要停止放电,避免因过放电而降低使用寿命。
此外,为确保电池使用上的安全,锂离子电池还必须要加装短路保护,以避免发生危险;即使大多数的锂离子电池都有加装保护电路,然而在选择优质的充电器或行动电源时,这仍然是一项重要的考量因素。
锂离子电池充电器首重安全
充电器是将电池充至其额定电压的设备,而锂离子电池充电器必须具备以下几点特性:
.可提供固定电流给充电电池
当电池电压到达最大值且不再上升时,其充电电流便会开始下降,如此可避免对电池过度充电,造成电池损伤;当充电电流降至一定程度时,充电器将停止充电。
.确保电池具备可使用电压
电池在充电完成后,若长时间放置不使用会有自然放电的情形出现,为避免电池过度自放电导致电池电压下降,当电池电压低于所设定电压时,充电器会重新开始对电池充电,确保电池在使用时还能维持一定电压。
四阶段充电简述
以下使用沛亨半导体的充电积体电路(IC)--AIC6511做锂离子电池充电简介,图1为锂离子电池充电曲线图:
图1锂离子电池充电曲线图
.Trickle Charge or Pre-Charge
此时的锂离子电池电压小于3伏特(V),当充电器开始对电池充电时,因锂离子电池的特性,其内部阻抗会很大,故充电器会先以一微小电流对电池进行充电,此时电池电压持续上升。
.定电流充电(Constant Current Charge, CC Charge)
当电池充电电压上升至约3伏特时,充电器改以最大充电电流对电池进行定电流充电,此时电池电压持续上升。
.定电压充电(Constant Voltage Charge, CV Charge)
当电池充电电压上升至接近锂离子电池的饱和点电压约4.2伏特时,充电器改以定电压模式对电池进行充电,此时充电电流开始下降。
.Charge Full
当充电电流降至微小电流时,充电器停止对电池充电。
电池在充电完成后,若长时间放置不使用会有自然放电的情形出现,为避免电池过度放电导致电池电压下降,电源IC在锂离子电池电压降至4伏特时,会重新开始对电池进行CC Charge模式充电,确保电池在使用时还能维持一定电压。
锂离子电池充电周期
因锂离子电池的特性,若锂离子电池在充电之前已深度放电,此时充电器会先以微弱电流对电池进行Pre-Charge充电(各家厂商设定值不同,本文使用范例的充电IC设定值约为10%的最大充电电流),充电时电池电压上升。
当电池电压上升至约3伏特,充电器改以最大充电电流对电池进行CC Charge,电池电压持续上升。
当电池充电电压上升至接近锂离子电池的饱和点电压约4.2伏特时,充电器改以CV Charge对电池进行充电,此时充电电流开始下降,当充电电流降至约等于Pre-Charge电流时,充电器停止对电池充电,即完成充电。
不论是用通用序列汇流排(USB)或AC电源转换器(Adapter)输入电源对电池充电,当电池开始充电后,若充电时间超过其设定时间,充电器仍然操作于Pre-Charge模式而未进入CC Charge模式,或者仍然操作于CC/CV Charge模式而未进入充电完成状态,则透过IC的充电计时保护功能使充电器停止对电池充电。
充电计时保护确保电池安全
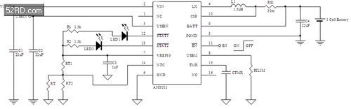
图2为本文范例充电IC的脚位示意图,充电计时保护时间由IC外部TMR脚位(Pin 15)的电容CTMR设定,CTMR选择方式如下:
图2AIC6511脚位示意图
若电池在充电状态下,充电时间已超过使用者所设定的充电计时保护时间,但充电器却仍尚未脱离当前的充电状态或结束充电,这时IC的充电计时保护功能就会立即启动,迫使充电器停止对电池充电(图3),此时的STAT1(Pin 12)位准为High,LED1指示灯为不亮(图4);若将TMR(Pin 15)脚位连接至GND(Pin 6)脚位,便可以解除使充电计时保护功能。
图3充电器是否正确检测电池充电情形,对于使用安全至关重要。图片来源:Jackery
当输入电源重置、EN讯号触发时,皆能解除充电计时保护时间,使其重新计时。
充电指示状态
图4中,STAT1(Pin 12)及STAT2(Pin 13)内部为两个Open-Drain的N型金属氧化物半导体(NMOS)开关,必须和VREF33脚位(Pin 7)或与其他有Pull-Up电阻的偏压电源连接,其动作情形如表2所示。
图4AIC6511典型应用电路
输入电源侦测防止电池漏电流倒灌
AC Adapter或USB两种不同输入电源皆可对电池充电。若同时接上AC Adapter及USB电源,IC内部开关会优先选择AC Adapter端做为充电器的输入电源;然而,应避免此情况发生。
.ACIN
图4中供一般插座之Adapter电源于VIN脚位(Pin 2)输入,在ACIN充电模式下,能以高达2安培(A)之充电电流对电池进行充电,最大充电电流由RS1电阻设定。
.USBIN
USBIN脚位(Pin 5)供USB电源输入。在选择USBIN充电模式时,其输入限制电流由RILIM电阻设定,设定500毫安培(mA)适用于USB 2.0,900毫安培适用于USB 3.0。
当使用USBIN模式时,CC Charge电流会随不同输入电压和电池电压变动,藉由侦测在CC Charge时流经RS1电阻的电流来调节其固定输入限制电流IUSB_LIM。在充电过程中,若将AC Adapter及USB电源移除,IC内部开关皆会截止并启动防倒灌保护功能,防止电池漏电流逆向倒灌回输入电源端。
充电电流设定
本文范例晶片提供USB及AC Adapter两种输入电源模式选择对电池充电,其充电电流设定如下:
.ACIN充电电流:
透过图4中RS1电阻可设定高达2安培的最大充电电流(Maximum Charge Current)。
NTC热敏电阻维持电池温度安全
负温度系数(Negative Temperature Coefficient, NTC)热敏电阻的阻值与温度成反比,会因高温递减、低温递增,且温度系数非常大,可用于检测微小的温度变化,因而被广泛的应用在温度的量测与补偿控制。
图5为电池温度侦测电路,透过图4中NTC脚位(Pin 14)侦测NTC热敏电阻的电压,充电IC能持续侦测电池的温度,确保电池温度的安全操作范围。
图5电池温度侦测电路
由NTC脚位(Pin 14)上的电压与NTC高低温位准比较,可得知电池操作温度是否正常;一旦侦测到电池温度超过正常操作温度范围,会立即关闭内部的同步降压器并停止充电动作;当电池温度回复至正常温度范围时,充电器将重新恢复充电动作。
RT1及RT2选用12千欧姆和5千欧姆,即可完成NTC保护功能。
若在NTC脚位(Pin 14)输入介于NTC高低限电压位准范围内的固定电压时,可使电池温度侦测功能除能。
过温度保护防止充电过热
过温度保护(Thermal Shutdown Protection)可避免IC在充电时发生过热情形。
此功能透过监测充电IC的接面温度(Junction Temperature, TJ),一旦发现TJ的温度已达到过温度点(Thermal Shutdown Threshold, TSHTDWN)约150℃左右时,IC便会立即关闭充电器,使其停止充电;待TJ温度降至约130℃时,IC才会重新启动。
选用合适充电IC锂离子电池充电器更稳定
本文范例IC为开关切换式锂离子电池充电器,内部为同步降压型转换器架构,不须加装额外的开关及二极体,能提供USB及AC Adapter两种输入电源模式选择对电池充电,并具备充电保护功能。
由于锂离子电池的电气特性较镍氢、镍镉电池稳定,在设计充电器方面也相对容易,只要先了解锂离子电池的相关规格、再依需求选择合适的充电IC(图6),就能轻松地设计一个锂离子电池充电器。
图6充电IC可检测电池充电情形,使充电器兼顾效能与安全性。