近年来,物联网技术发展迅速,全社会的信息化水平不断提升。智能家居是物联网的主要应用之一,已成为当前的热门研究领域,也是未来家居生活的发展方向 。它能够为用户提供舒适、便利的生活环境。但由于市场上的相关产品大多价格昂贵,普及率依然较低。以往的探索与开发往往停留在对电器设备本身的改造上,这种尝试使智能家居产品一度成为奢侈品。本文介绍了一种电能控制系统,作为智能家居的重要组成部分,它在不改动原有电器设备的基础上实现了远程自动控制功能。
1 系统结构
该电能控制系统由遥控器和插座节点组成,其工作原理如图1所示。当用户在家时,通过遥控器以射频方式对插座进行控制。插座节点收到信号后,由微控制器进行解码,并根据得出的结果,对特定编号的插座做通断电处理,从而使与其连接的用电器被启动或者关闭。当用户离住所较远时,可通过GSM网络向遥控器发送手机短信 ,微控制器读取信息后,通过射频芯片,将信息传递到室内的无线网络中,进而使相应地址上的插座受到控制。由此可见,遥控器在整个智能家居系统中属于网关节点 ,一方面,它与插座节点组成了室内射频局域网,另一方面,它又与GSM网络相连,延展了遥控距离。遥控器的内部结构如图2所示,包括温湿度检测电路、时钟模块、nRF905射频收发模块、GSM模块等功能电路,这些模块均与控制核心LM3S811相连。该微控制器采用ARM Coaex-M3架构,由于依托高密度的Thumb-2指令集,内存开销大大降低,操作系统的移植也更加方便。

图1 遥控插座工作原理

图2 遥控器结构框图
插座节点主要实现与遥控器的射频通信以及继电器的通断控制,其结构框图如图3所示。插座中的烟雾传感器用于预防火灾危险。一旦检测到烟雾或可燃性气体,插座上对应的继电器将断开,并通过射频收发模块向遥控器汇报,遥控器收到信息后,再通过GSM模块的短信功能及时提醒用户采取相应的措施,防止危险的发生或财产损失的进一步扩大。由于插座端工作量较少,从成本和性能两方面考虑,本系统采用STC12C5620AD微控制器作为插座端的主控芯片。

图3 插座节点结构框图
2 硬件电路设计
2.1 温湿度检测电路
本系统采用温度传感器LM35和湿度测量模块CHM-02进行环境监测。LM35的电压输出与摄氏温度呈线性关系,无需校准就可在常温环境下达±l/4℃的测量精度。CHM-02模块可在0~70 ℃的温度下对20~95%RH范围内的湿度进行检测,室温下的测量精度为5%RH。温湿度传感器与MCU的接口示意图如图4所示。由于两种传感器输出的模拟信号在MCU片内A/D采样电路的检测范围内,所以直接将两者的输出端与MCU的两个ADC引脚连接。模拟式传感器的使用不但充分利用了控制器的片上资源,而且提高了子程序的利用率。

图4 温湿度传感器与MCU的接口示意图
2.2 烟雾检测电路
烟雾传感器MQ一2基于SnO:的电化学特性,对可燃性气体及烟尘有良好的检测灵敏度。烟雾检测电路原理图如图5所示。MQ.2在正常工作前需要对内部加热丝的H.h两极通电预热 ,为了防止加热电流过大而导致内部信号线温度过高,此处将加热丝与100 Q电阻串联。当环境中的烟雾或可燃气体超过警戒阈值时,传感器A.B两极间的电导率迅速增加,与其串联的负载电阻m所获得的电压也相应增加,该电压信号经低功耗运放TLC27M2放大后,得到与烟雾或可燃气浓度相对应的模拟量输出,最终接人控制器的ADC模块进行量化。

图5 烟雾检测电路原理图
2.3 时钟模块
时钟模块除了显示系统时间以外,还可对单个插座进行通断电定时。时钟电路原理图如图6所示,DS1302通过串行方式与MCU通信,为保证信号传输的稳定性,接口已做上拉处理。芯片采用双电源供电,主电源正常工作时可以对备用电源进行涓细电流充电;在掉电情况下启动备用电源,避免因突然停电而造成时钟停滞 。考虑到使用的便捷性,遥控器由锂电池供电。DS1302的主电源引脚VCC2连接到集成稳压器的3.3 V输出,而备用电源引脚VCC1与4700 μF的电容串接,两个电源引脚之间通过二极管隔离。由于芯片耗电量很低,在更换电池的过程中,电容的放电作用可以暂时维持芯片运行。

图6 时钟电路原理图
2.4 射频收发模块nRF905
射频收发模块是连接插座与遥控器的桥梁。nRF905集成收发器能在3个ISM频段配置使用,且功耗很低。本系统中的所有节点均设置在433 MHz频段工作嘲,射频收发电路原理图如图7所示,其中的SMA接口用来连接特性阻抗为5O Ω的单端天线,有利于信号的全向辐射。单端天线又被称为非平衡天线,其主要参考点为信号地,而nRF905的天线接口(引脚ANT1和ANT2)为差分射频输出端口。为了维持信号平衡,保证两个端口的阻抗匹配,此处在两者之间增加了balun(平衡月乍平衡)电路,对芯片输出端的特性进行调节。

图7 射频收发电路
2.5 GSM通信模块
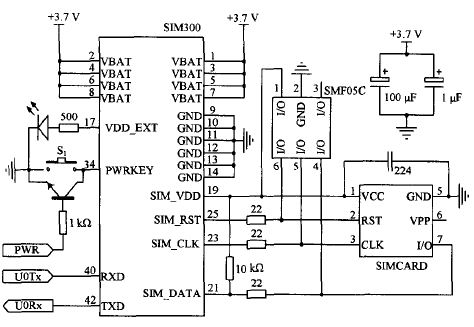
将短距射频网络与GSM技术相结合,既发挥了短距射频网络配置灵活的特点,又发挥了GSM技术在通信距离上的优势。GSM通信电路的核心是SIM300模块,其外围电路如图8所示。

图8 GSM通信电路原理图
原理图SIM300通过串口与MCU通信,模块与SIM卡之间串联的22 Ω电阻用于阻抗匹配。为保证信号的传输质量,SIM卡数据线作了上拉处理,与引脚并联的SMF05C型静电抑制器用于静电防护。电源与地之间并联的100 μF钽电容和1 μF陶瓷电容用于去除低频毛刺,并在一定程度上兼顾了高频特性。按下按键S1,使PWRKEY引脚的电位拉低约2 s左右,可以完成模块的上电与掉电,当前状态由串联在VDD_EXT引脚上的发光二极管指示。为了便于程序控制,在原有按键的基础上增加了一种三极管开关电路,当模块工作异常时,可以通过软件改写PWR端口的状态来实现SIM300的自动复位。
3 软件设计
遥控器和插座对于整个射频无线网络而言都是其中的节点,但硬件结构上的差异决定了两者功能与地位上的不同,也使得两者在软件设计的方式上有所差别。
3.1 遥控器节点程序设计
遥控器是系统的控制核心,也是用户与插座之间联系的纽带,因此程序中的并发模块多,任务繁重。考虑到遥控器中采用的ARM处理器可提供对操作系统的全面支持,利用μC/OS-Ⅱ操作系统对该节点中的多个任务进行调度 ,可有效保证系统的实时性和稳定性,也有利于功能的扩展。在进行操作系统移植前,需要对任务进行划分,每个功能对应一个系统任务,同时应避免划分过细而导致频繁调度的问题。遥控器节点的程序流程如图9所示,其中包含了7个任务,任务之间通过信号量、消息队列、消息邮箱等方式实现同步与通信。从用户的角度来看,这些任务是并发执行的。

图9 遥控器节点程序流程图
按键扫描任务的优先级在所有用户任务中最高。通过中断方式读取用户输人的按键值,数据存人消息邮箱KeyMbox中,若数字键1-6被按下,则通知射频发送任务处理;若时钟设置按键被按下,则进行时钟调整或定时器设置。时钟定时任务用于获得DS1302的时钟输出值,在定时时间到达后,发送消息通知射频发送任务处理,完成后自动挂起。射频发送任务是根据其他任务中获得的控制码,以射频方式对相应编号的插座发送通断电控制信号,随后等待插座端返回动作信息。若超时无反馈则重发1次,重发3次后任务挂起。危险报警任务需经过同频载波检测,地址匹配确认后,才开始接收射频信号,进而将信息送人邮箱,解码确认危险报警标识后,通过GSM模块,以短消息的方式通知用户。短信接收任务负责接收用户短信,并将其存放在消息邮箱GSMMbox中。通过AT指令“AT+CMGR=I”每次只读取序号为1的短信息,成功提取控制码(包含插座ID号和开关动作码)后,将该条信息删除,并向射频发送任务传递消息。环境监测任务负责对室内温湿度信息循环采样。虽然温度传感器的线性度较好,但外界环境对湿度传感器的影响较大,需对其输出电压值作分段线性化处理。数据存放于消息队列中,最终结果为3次测量值的算术平均值。液晶显示任务优先级最低,待以上任务结束后,负责显示各插座最终的状态、时钟信息以及室内温湿度测量结果等。
3.2 插座节点程序设计
插座节点程序流程如图10所示,其中最主要的工作是实现射频信号的接收与发送。当没有烟雾报警时,nRF905进入接收模式,同时侦听信道;若监测到同频载波且数据包地址有效,则启动接收;当CRC校验结果正确,硬件会自行去除数据包的前导码、校验码及地址码 ,并通知MCU数据准备就绪,进而MCU通过SPI串行总线读取接收到的信息。

图1O 插座节点程序流程图
射频信号发送本质上是接收的逆过程。当nRF905进入待机模式后,MCU将地址与数据信息传送至射频芯片的发送寄存器,同时启动芯片进入射频发送模式,随后片内硬件自动完成对数据的打包、编码、调制及发送任务。一帧数据发送结束后,射频芯片转入待机模式,等待下一次被激活。射频电路的每一次接收或发送过程都伴随着继电器的接通或断开动作。默认条件下,烟雾传感器处于使能状态,为了防止用户在室内抽烟而导致系统误判,烟雾检测功能也可以设置为失效。
4 测试与分析
在图11所示住宅中进行现场测试,6个插座和1个遥控器被放置于A到G这7个区域内。为了评估系统的抗干扰能力,在各区域的交界处均放置两个干扰源,频率为432 MHz和434 MHz。改变遥控器所在位置,对6个插座各遥控200次,并记录插座端的回馈信号。若返回错误信息或不反馈,则作为一次丢包记录。

图11 测试现场网络节点分布图
结果发现,遥控器在C、E两个区域平均误码率略高于其他区域;当遥控器在G区域时,平均误码率最低,效果最好。
5 结语
本系统实现了对家用插座的智能无线控制,在不改动原有家电内部结构的基础上,用户可以通过射频、短信、定时等方式,控制插座的通断电状态。当室内发生火灾或可燃气体泄漏等情况时,插座能自动断电。整个系统对控制对象没有特殊要求,适应性较强,不失为一种廉价的智能家居解决方案。