简介
开关电源如今在行业中的应用非常广泛,为多种终端应用提供高能效方案。它们常用于计算机、电动工具、电视、多媒体平板电脑、智能手机、汽车及其它不计其数电子设备的电源及电池充电电路。
消费类电子行业应用最普及的转换器之一是DC-DC降压(step-down,亦称buck)转换器。
简而言之,同步降压转换器用于将电压从较高的电平降至较低的电平。随着业界转向更高性能的平台,电源转换器的能效成为设计的一项关键考虑因素。因此,重要的是理解同步降压转换器的基础知识,以及怎样恰当地选择电路元件。
同步降压转换器基础
同步降压转换器的概念简单,它产生低于输入电压的稳压电压,可以提供大电流,同时将功率损耗降至最低。

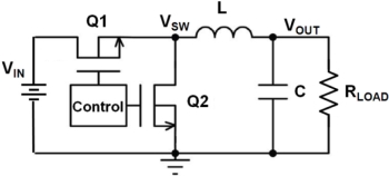
图1:同步降压转换器电路图。
同步降压转换器包含2颗功率MOSFET、1颗输出电感及1颗输出电容。此特定降压拓扑结构的名称来源于它的2颗功率MOSFET的控制方法;导通/关断(on/off)控制被同步,以提供经过稳压的输出电压,并防止2颗MOSFET同时导通。
高边MOSFET(Q1)直接连接至电路的输入电压。当Q1导通时,电流通过它提供给负载。在此期间,低边MOSFET(Q2)关断,流过电感的电流增加,为电感电容(LC)滤波器充电。当Q1关断时,Q2导通,此时电流通过它提供给负载。在此期间,渡过电感的电流减小,使LC滤波器放电。当两颗MOSFET都关断时,低边MOSFET提供额外功能,即通过本体二极管对开关节点电压来钳位,以防止高边晶体管首先关断时开关电压(VSW)升至太高的负值。
开关节点电压被LC输出段弄得更平顺,从而在输出端产生稳压直流电压。两颗MOSFET被同步控制以防止击穿(shoot-through),而当高边及低边MOSFET同时处于导通状态时,产生直接对地短路,会发生击穿现象。
高边MOSFET导通时间决定了电路的占空比(duty cycle)。如果占空比等于1,那么高边MOSFET在全部占空比均处于导通状态,输出电压等于输入电压。占空比为0.1表示高边MOSFET仅有10%时间导通,产生的输出电压约为输入电压的10%。
降压转换器功率损耗
降压转换器功率损耗受多种因素影响,包括功率MOSFET输出段、控制器/驱动器、反馈回路及转换器本身的布线。大多数降压转换器设计的占空比小于0.5,而计算机及服务器市场的降压转换器标准占空比是0.1至0.2。
设计平台正转向更高开关频率,能够减小转换器尺寸及外形因数。同时,转换器必须提供更高性能及更高能效。输出段性能大幅影响降压转换器整体性能。因此,重要的是针对特定应用优化电感及电容选择。
LC输出段
同步降压转换器的输出段由电感及电容组成。它储存及为负载提供能量,使开关节点电压变得平顺以产生恒定输出电压。
电感选择直接影响电感电流中的电流纹波的量,以及降压转换器本身的电流能力。不同制造商制造的电感在材料及电感值方面会有差异,公差通常为± 20%。电感包含固有的直流阻抗(即DCR),会影响输出段的性能。将DCR降至最低,即提升转换器的整体性能。对于要求大负载电流的应用而言,建议选择带低DCR的电感。电感值较低的电感DCR也较低,但在电感与纹波电流之间有折衷;电感越低,流过电感的纹波电流越大。必须达到最低电感,以符合特定应用电路的纹波电流要求。
输出电容直接影响转换器输出电压、输出反馈回路的响应时间,以及负载电流变化时出现的输出电压过冲的量。直流输出端存在纹波电压,因为流过电感及电容的电流上升及下降。增加电容会减小存在的纹波电压的量。然而,在电容与输出回应之间存在折衷。增加电容减小输出电压纹波及输出电压过冲,但延长了使输出电压回路回应负载变化所需的时间。因此,必须考虑最小电容,以符合转换器的纹波电压及电压过冲要求,同时维持足以快速回应负载变化的反馈回路。
电容也包含寄生串行电阻,也就是等效串行电阻(ESR)。ESR影响输出电压纹波及转换器整体能效。因此,设计人员正转向低ESR设计。表面贴装陶瓷电容在要求高性能、小外形因子的系统中正变得盛行。使用并行的多颗电容使设计人员能够提供系统要求的电容,同时大幅减小等效的ESR。
基本LC设计
设计降压转换器输出段时,建议从电感开始。最小电感根据目标纹波电流及其它应用电路规范来计算。一旦选择好了电感,就可以确定最小电容。
在电感与纹波电流之间存在折衷。目标纹波电流越少,就相当于最小电感越大。为了最佳化输出滤波器性能,建议设定20%至40%的目标电感纹波电流。
需要计算最大ESR及最小电容,从而在高边MOSFET关断时维持稳压转出电压,以及将输出电压上存在的纹波的量降至最低。输出电压纹波可以表达为峰值-峰值电压,或者以电容电压比(CVR)的形式来表述。
输出电容值及ESR越大,输出回应负载变化所需经历的时间就越长。ESR也影响输出电压纹波。
当高边MOSFET导通时,流过电感及电容的电流增加,输出电压也增加。当高边MOSFET关断时,流过电感及电容的电流下降,输出电压也下降。为了提供恒定输出电压,转出电流增加的量必须等于电容电流减小的量。因此,流过电容的稳态电流为0 A。
除了顾及输出纹波电压及电感纹波电压对输出电容的影响,也必须顾及输出段的瞬时负载回应能力。同步降压转换器必须能够回应负载电流变化,同时维持稳压输出电压。当负载电流从较高值变为较低值时,输出电压将暂时增加,直到转换器能够调节占空比,以使输出电压返回至它的稳压值。此暂时输出电压增加称作输出电压过冲。当负载从最大负载过渡到空载时,就出现最坏情况过冲。输出电容必须能够处理此瞬时条件。输出电压瞬时回应与输出电压纹波之间存在折衷。此两项因素必须平衡取舍以满足特定应用需求。
选择电容时一个好的经验法则是选择值比计算的最小电容高最少20%的输出电容,从而顾及到电压公差。
降压转换器输出滤波器设计影响输出电流纹波、输出电压纹波、输出电压过冲以及反馈回路的瞬时回应。元件选择也影响转换器的能效。影响同步降压转换器能效的最大因素是输出电感选择。电感值及DCR都会大幅影响性能。
结论
同步降压转换器的输出段在转换器性能方面发挥重要作用。为了达到目标纹波电流、输出纹波电压及输出过冲,必须选择超过最小电感值和最小电容值的电感和电容。当针对特定应用选择电感及电容时,还必须顾及其它因素。输出段可以通过针对它将工作的特定应用标准来设计而最佳化。
电感值在输出纹波电流以及转换器的能效性能方面发挥重要作用。此外,输出电容较高时,输出电压纹波也会改善。转换器的能效受使用的电感的DCR大幅影响。
电感与电感饱和电流之间存在折衷。因此,为了符合或超越纹波电流要求,电感必须大于计算的最小电感值,而电感饱和电流必须大于最大负载时转换器的峰值电流。
电容也在同步降压转换器性能方面发挥重要作用。输出电容直接影响电压纹波的量及输出段的电压过冲。然而,电容对转换器的能效性能的影响极小。