温度控制系统被广泛应用于工业、农业、医疗等行业的仪器设备中,目前应用最多的是单片机或微机系统设计的温度控制系统。系统硬件部分由输人输出接口、中央处理单元、A/D 转换、定时计数等集成模块组成,系统软件部分需要用运算量大的PID算法编程实现,整套控制系统设计及实现较为复杂和繁琐。由分立元件组成的模拟型电路信号输入、放大、运算及控制输出都由硬件电路完成,不需要软件设计。与数字电路相比,其设计及实现过程更为简便,所以采用简易实用的模拟电路实现温控电路的设计。
1 温控总电路组成
温控电路主要由电源部分、温度检测元件、信号放大、比例积分、电压比较、移相触发控制继电器、超温保护、加热炉和LED显示几部分组成,其电路结构如图1所示。

图1 温控系统电路组成图
由温度检测元件可以检测到温度值信号,该信号经过放大后输送至比例积分电路并与温度设定电压比较,比较结果输送至相触发电路产生可变周期的脉冲以触发固态继电器中可控硅导通角,从而可控制加热装置的加热功率,达到控制温度的目的。温度补偿电路减少室温对温度测量准确度的影响;超温保护电路可以保证在加热温度超过设定值时,装置停止加热,起到保护设备的作用。
2 各分电路设计
2.1 电源电路
温控电路中需要直流电压的器件为运算放大器及电子信息显示模块。该电压由220V交流电压经整流滤波后加。至三端稳压器输出得到。其电路如图2所示。

图2 电源电路图
2.2 输入温度信号放大及温度补偿电路
用感温元件镍硌一镍铬K型热电偶作温度传感器来采集温度信号,温度信号为mV级,实际测量时需经过放大处理。热电偶测量温度信号受工作端温度 和自由端环境温度影响,所以测量中需要加补偿信号消除环境温度变化对温度测量的影响。具体电路如图3所示。

图3 信号放大及温度补偿电路
2.3 超温保护电路
以将功率为60 w将加热装置加热至750℃为例,图3中温度信号经过放大100倍后加到比例积分电路并与温度设定电压比较,比较结果输送相触发电路产生可变周期脉冲以触发固态继电器。为避免加热温 度过高设置超温保护电路,在温度过高时切断加热电压。具体电路如图4所示。

图4 比例积分、电压比较、移相触发及超温保护电路
3 设计验证
3.1 电源电路验证
图 2设计220 V交流电压经变压器变压至整流桥T1、T2,整流为直流电压,直流电压经电容滤波后输入三端稳压器及稳压二极管,输出±12 V、±6 V及5 V电压。±12 V电压为运算放大器工作电压;±6 V为偏置电压;5 V电压供LED显示用。其测量值表1所示。

从测试结果来看,实测电压与设计电压绝对误差在±0.1 V之间,完全满足电路工作需要。
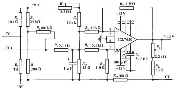
3.2 温度信号放大及温度补偿电路验证
图 3是一个差分放大电路,放大器采用ICL7650,反馈网络电阻比R11/R8为100,即温度毫伏电压信号被放大100倍。输入温度电压毫伏信号为 TC+与TC一端电压差,TC一端R:为一负温度系数热敏电阻,当工作端温度变化,热电偶产生的热电势也将变化,而此时热敏电阻阻值也将减少并使TC一端电压的电压也发生变化。这样总的差分输人信号随温度变化被抵消。如果参数选择合适可消除自由端温度变化对热电偶温度测量的影响。
图中CT取自放大以后的温度毫伏信号,通过改变R13与R14及W2比例可取适当电压信号与温度值对应,该电压信号接至3位半LED显示表可显示测量温度值。
表2为温度采集模块输出测试数据,由国标K型热电偶与电势对应关系表可得到热电偶理论输出电势,实验测试在不同室温及测量温度时,温度采集模块输出端实测电压是否符合设计要求。由测试数据 来看,通过温度采集模块,被测温度电势信号经过室温补偿后,被准确放大100倍。

3.3 超温保护电路验证
图4中左上方A2差分放大器LM324与C4,R16,R15,R18。组成比例积分电路,该电路对放大后的温度信号进行积分。图中一6 V电压经过W3、R20、R21。分压在R21上产生压降,通过电位器W3调节使R21上压降为-3.12 V,该电压通过图中左下方跟随器LM324输出与温度放大信号进行比较,将比较结果送至后端移相触发电路。
图4中 Q2,R22,R26及D1组成超温保护电路,如果加热炉温度超过820℃,则图3温度信号经过放大后ICL7650输出电压》3.29 V,此时稳压二极管D1被反向击穿,流经R26的电流因Q2基极电位升高使Q2导通,Q2集电极电位降至O.3~O.5 V,移相触发停止工作,继电器不输出加热电压,此时起到超温保护作用。
Q1,C5,R24,继电器和加热装置等其它器件组成移相触发、交流输出及升温部分。移相触发电路核心元件为Q1单结晶体管,其结构、等效电路如图5所示,伏安特性如图6所示。

图5 单结晶体管结构及等效电路图

图6 单结晶体管伏安特性图
e 为发射极,b1、 b2分别为第一基极和第二基极。图4中Q1与C5、R26、R24、R23利用晶体管Q1负阻特性构成震荡电路。负阻特性就是当晶体管发射极电流增加时,发射极电压VE反而减小。工作状态通电时 ,电容C5上的电压为零,BT35管子截止,+12 V电源通过电阻R26对C5充电,随时间增长电容C5,上电压逐渐增大;当增大至Ueb1峰点电压Up后,管子进入负阻区,输入端等效电阻迅速减小,此时 C5迅速放电,电流Ie随之减小,当Ueb1减小到谷点电压Uv后,管子截止;电容C5又开始充电。上述过程循环产生振荡。电容上电压的测试波形如图7所示。

图7 电容C5输出波形图
图7所示BT35输出为周期性锯齿波,该锯齿波加至固态继电器直流输入端可控制交流输出电压大小。
实际应用中,可以通过改变电压比较电路中比较电压大小控制震荡电路输出波形导通角,图8所示为测试波形示意图。

图8震荡电路输出波形图
通过控制震荡电路周期T内输出导通角,可以达到控制电源输出功率大小的目的,从而改变加热装置加热功率。图4电压比较电路中,调节电位器W3可改变A2 LM324输出比较电压大小。
3.4 温控效果实验验证
通过调节图4温度控制模块比较电压大小设定控制温度分别为260℃、340℃、460℃、580℃、670℃、750℃。测试系统温度控制精度。测试时间为7天,每隔24小时从系统显示读取。将实测温度值与设定温度进行比较,从测试结果看,系统温度控制精度为±3℃。

图9温控测试试验结果图
4 结束语
该设计实际应用效果良好,温度控制在750℃下,控制精度可达±3℃。与单片机温控系统相比,该温控电路最大特点是设计简便,调试过程也易于实现,工作状态稳定可靠,实用性强。可应用于工业、农业生产及实验室等需要进行温度控制的场所。