导读:随着信息化、智能化和网络化的发展,信息发布系统在银行、医院、交通、商场、宾馆、酒店等各种公共场所得到了广泛应用。本文给出的断电保护电路,只需改变PC供电方式就可实现,断电时将PC供电切换到备用电池,控制PC关机后再切断电源,起到节能和保护作用,实现起来简单灵活。
基于PC平台的信息发布系统,可以支持多种音视频格式文件,具有处理速度快、硬盘海量存储、集成度高、功能接口丰富、方便扩展等特点。然而,公共场所的电源存在不稳定因素,意外断电会造成系统当前数据丢失,甚至会损坏硬盘,导致系统崩溃而信息发布系统的安装位置往往比较分散,如果系统损坏,需要有大量的人力进行维护。因此,需要找到一种适合系统应用的断电保护方法,使系统在断电时可以完成正常处理,提高系统运行的稳定性。
传统的UPS电源,其价格较贵、体积较大,无法内嵌到信息发布系统中。利用非易失性NVRAM芯片的快速读写特性,在掉电延迟时间将数据和状态信息快速写到NVRAM中,再上电时通过读取NVRAM来恢复数据,这种方法无法避免断电对硬盘的损坏,掉电延迟时间很难灵活控制。需要改变PC的译码电路和存储器RAM电路的供电,实现难度较大。

图1 系统功能框图
1 系统设计
基于PC平台的信息发布系统在硬件设计上主要包括交直流转换电源、嵌入式PC、显示驱动和LCD屏等几个部分。交直流转换电源将220 V市电转换为12 V直流输出,为PC供电。PC输出的VGA格式图像经显示驱动模块转换为LVDS接口信号,送到LCD屏进行图像显示。为避免断电对信息发布系统的损害,设计了断电保护模块,改进后的系统功能框图如图1所示。
2 断电保护模块设计
断电保护模块输入为直流12 V(12VIN)电压,输出为可控的12 V(12VOUT)电压。它主要由断电检测模块、锂电池模块、电源切换控制模块和主控制器MCU 四个部分组成,功能框图如图2所示。由于锂电池具有体积小、能量密度高、无记忆效应、循环寿命长等优点,选择锂电池为断电保护备用电源。系统正常供电时,12VOUT=12VIN;系统断电时,断电检测模块产生检测信号DET1和DET2,主控制器MCU及时将电源切换到锂电池模块输出,即12VOUT=VBAT,然后发出关机命令ON/OFF.PC完成当前处理后关机,主控制器MCU会检测到DETECT状态跳变,进而切断负载,保护电池输出。

图2 断电保护模块功能框图
2.1 锂电池模块
锂电池在使用过程中需要严格控制其电压、电流和温度,过充、过放、过流和过温都会引起电池损坏,影响电池使用的安全性。本设计采用CONSONANCE公司的CN3705锂电池充电管理集成电路对锂电池实现充电管理,为使电池充电到VBAT=12 V,输入VCC要满足VCC-VBAT>2 V,因此需要先升压使VCC=15 V,具体通过升压电路实现。
2.1.1 升压电路设计
采用ON Semiconductor公司的MC34063A[8]实现升压设计,它是一款低功耗、高效DC/DC转换器,原理图如图3所示。其中L101、D101、C103、R103和R104对升压电路起决定作用,主要器件参数选择如下:
设定VIN(MIN)=12 V-12 V×10%=10.8 V(允许输入有10%电压波动),输出电压VCC=1.25 V×(1+R104/R103)=15 V,取R103=1 kΩ,R104=11 kΩ;D101正向导通压降VF=0.5 V,MC34063饱和压降VSAT≈0.45 V,振荡器开关频率fOSC(MIN)=24 kHz.根据
得到TOFF=28.8 μs,TON=12.9 μs,C103=4×10-5×TON≈560 pF.
设定输出电流IOUT=0.5 A,IPK=2×IOUT×1+TONTOFF=2×0.5 A×1.45=1.45 A,得到

图3 升压电路原理图
2.1.2 充电管理电路设计
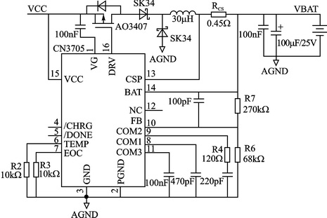
CN3705是PWM降压型电池充电管理芯片,充电曲线如图4所示,包含涓流充电、恒流充电和恒压充电三个过程。当电池电压低于所设置的恒压充电电压VREG的66.7%时,进入涓流充电模式,涓流充电电流为恒流充电电流的15%;当电池电压高于所设置的恒压充电电压的66.7%时,进入恒流充电模式,恒流充电电流ICH=0.2 V/RCS;当电池电压接近VREG时,进入恒压充电模式,充电电流逐渐减小,当减小到充电结束电流IEOC=[1.278×(14 350+R3)]/(RCS×106)时,充电结束。如果断开输入电源,自动进入睡眠模式;如果重新接入,或电池电压低于恒压充电电压的91.1%,将自动开始新的充电周期。为了监测电池温度,在TEMP和GND引脚之间连接一个10 kΩ的负温度系数的热敏电阻R2,如果电池温度超出正常范围,充电被暂停,直到电池温度恢复到正常范围为止。

图4 恒流恒压充电曲线图
本设计中PC电源要求为直流12 V/1.5 A,PC的最低工作电压VMIN(PC)为8 V,选择的锂电池规格为ICR186502200mA11.1V.其组合方式为ICR186503S1P;标称电压为11.1 V;标称容量为2200 mAh;尺寸为19 mm×56 mm×70.5 mm.电池充电管理电路的原理图如图5所示。

图5 电池充电管理电路原理图
设置充电电压:VBAT=VREG=12 V;充电电流:ICH=0.2C=0.2×2200 mA=440 mA.根据其规格书计算得到:RCS=0.2 V/ICH=0.45 Ω,VBAT=2.416 V×(1+R7/R6)=12 V;取R6=68 kΩ,得到R7=270 kΩ;取R3=10 kΩ, 得到IEOC=[1.278 V×(14 350+R3)]/(RCS×106)=0.044 A.
2.2 断电检测电路设计
当市电断掉时,交直流转换电源的输出电压12VIN消失。原理图如图6所示,12VIN的下降,导致Q3基极电压跟随下降,发射极由于电容C11已经储存了电量,其电压下降较慢。当基极比发射极低0.7 V时,Q3导通,从而Q2导通,使DET1由高电平变为低电平,直到C11放电结束,Q3和Q2又变为截止状态,DET1恢复高电平。因此,断电发生时,DET1会产生一个低脉冲信号给MCU.DET2取自电阻分压,电源正常时分压值为5 V,断电后为0 V.

图6 断电检测电路原理图
2.3 主控制器和电源切换控制电路设计
主控制器MCU选择宏晶科技的STC15F100单片机,它内部集成复位电路和R/C时钟电路,设定内部工作时钟频率为22.1184 MHz,其外围电路简单,抗干扰性强,适合低成本工业现场应用。
MCU和电源切换控制原理图如图7所示。MCU检测到断电信号DET1后,立即输出SW1为高电平,Q1导通,M2导通,切换到给PC继续供电,保证PC与MCU正常工作。D1和D2的作用是防止电源反串干扰。在设计上,电源端由于有滤波电容,从12 V降到PC最低工作电压8 V需要5 ms以上,而MCU设定DET1引脚为中断功能引脚,DET1下降沿触发中断,MCU只需几百μs就可完成检测和切换动作。ON/OFF为PC的开关机控制信号,DETECT为PC的开机/关机状态信号。PC开机和关机时DETECT的状态有变化,比如选择USB口的5 V信号作为DETECT,它在开机状态下是高电平,关机状态下是低电平。根据DETECT的状态变化,可以判断PC是否关机。

图7 MCU和电源切换控制原理图
2.4 软件设计
当系统供电正常时,PC由12VIN供电,可设置为上电自动开机;外部电源断掉时,MCU会检测到DET1的下跳变,进入中断,输出SW1为高电平,切换到电池供电。为避免电源波动导致DET1产生的误触发,可结合DET2的状态判断电源是否已经断开,进而给出关机信号ON/OFF.PC完成当前处理后关机,其状态脚DETECT由高变低,MCU检测到DETECT变低后得知PC已关机,再将SW1输出低电平,关闭系统。具体软件流程图如图8所示。

图8 MCU软件设计流程图
3 实验测试
图9~图11给出了断电测试波形。从图9可以看出,电源降到PC最低工作电压8 V的时间超过5.67 ms,而检测(DET1)和切换(SW1)在断电后600 μs内就可完成;图10给出了ON/OFF和DETECT的时序,当MCU确认12VIN断开后,输出ON/OFF信号;图11中,当PC完成数据处理关机后,DETECT信号由高电平变为低电平,随后MCU关断电池输出,即12VOUT=0.这样,就完成了一次意外断电的保护过程。

图9 断电测试波形图1

图10 断电测试波形图2

图11 断电测试波形图3
结语
本文给出了断电保护电路,该电路设计灵活、体积小、方便内嵌,大大提高了系统的稳定性,并在实际项目中获得了成功应用,取得了良好的经济效益。