可穿戴立体眼镜电路模块原理分析
          
            时间:09-26 11:09 阅读:939次
*温馨提示:点击图片可以放大观看高清大图
                
         
        
		  
               简介:立体眼镜是一个穿透液晶镜片,通过电路对液晶片开、关的控制,开可以控制眼镜镜片全黑,以便遮住一眼图像;关可以控制眼镜镜片为透明的,以便另一眼看到另一眼该看到的图像。立体电视模仿真实的状况,使左、右眼画面连续互相交替显示在屏幕上,并同步配合立体眼镜,加上人眼视觉暂留的生理特性,就可以看到较为真实的立体图像。
               
                        
          
            立体眼镜是一个穿透液晶镜片,通过电路对液晶片开、关的控制,开可以控制眼镜镜片全黑,以便遮住一眼图像;关可以控制眼镜镜片为透明的,以便另一眼看到另一眼该看到的图像。立体电视模仿真实的状况,使左、右眼画面连续互相交替显示在屏幕上,并同步配合立体眼镜,加上人眼视觉暂留的生理特性,就可以看到较为真实的立体图像。电路系统图:

红外接收电路:为了使系统更加稳定地接收和传送信号,实际的电路中我们又外加了一系列保护措施,RM38A的最大接收距离约为15m,受控范围-40~+40deg。
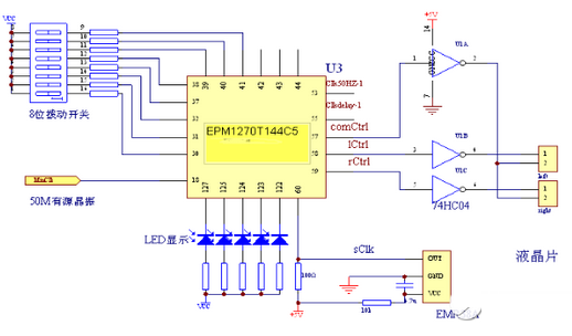
控制信号产生电路:控制信号产生电路是本系统的核心电路。 立体电视的50Hz的同步信号通过红外接收电路传送至此单元后,要求本部分电路将其作为同步触发信号(sClk)的同时,利用EPM1270T144C5芯片和其外部50MHz有源晶振(MinClk)产生三个控制信号,即左眼控制信号(lCtrl)、右眼控制信号(rCtrl)和公共端控制信号(comCtrl)。 其中的8位拨动开关用于改变延时时间和开关频率,LED显示则用于信号的输出指示。
开关液晶片:本次设计所用的液晶片是TN(扭曲向列型)液晶片,它的电光特性曲线。该类液晶片在没有电场的情况下让光透过,加上电场的时候光被关断,因此叫做常通型光开关,又叫做常白模式。若外加电场高于2V时,则构成常黑模式。 开关液晶片在这两种模式之间的转换是需要时间的,转换为了不影响观看时的效果这就体现在后面的延时程序中。