针对七电极电导率传感器的基本原理和特点进行了阐述,根据传感器本身物理特性以及高精度测量的要求,设计了能够满足低温漂、高精度、速度快的测量电路。采用D/A、A/D等集成电路芯片去实现对传感器的精确驱动和高速采样,相比于传统方式,驱动的频率和电压更加准确,并且容易更改,采用高速采样可以避免信号在调理过程中出现的失真。通过实验验证了电路的测量效果。
电导率测量在工业生产、环境监测、海洋资源开发等领域有着广泛的应用,准确快速地电导率测量方法对海洋研究、环境保护等方面都有着重要意义。电导率传感器根据工作原理主要可分为电极式电导率传感器和电磁式电导率传感器。电磁式电导率传感器是根据电磁感应原理进行测量,通过感应电动势的变化反应电导率的变化;电极式电导率传感器是根据电解导电原理进行测量,通过被测液体电阻的变化反应电导率的变化。电极式电导率传感器因其响应速度快、精度高的优点而得到广泛关注。文章分析了七电极电导率传感器的工作原理并设计了测量电路。
1工作原理及概述
七电极电导率传感器是电极式电导率传感器中精度较高的一种,同时具备了三电极与四电极的优点。七电极电导率传感器的电导池实现“电流”电极和“电压”电极的分离,可减少电极极化阻抗、导流空间大、响应时间快,实现了电导率的快速测量;七电极电导率传感器的电导池两端有两个接地电极,可以有效屏蔽电导池外的影响,使测量结果不受电导池外界的干扰,而且测量过程中无需水泵,同样能够保证高精度测量。
1.1七电极电导率传感器原理分析
七电极电导率传感器示意图如图1所示,它由镶嵌在石英玻璃上的7个铂金属环组成,电极1~4、电极4~7分别组成两组测量单元,电流通过公共电极4流入,通过接地电极1和电极7流出,电流流过电导池时会在电极2、3和电极5、6产生电压。在电极4和地之间加上一个恒定的电压,通过测量流经公共电极的电流的变化就可以反映出电阻的变化,进而计算出电导池内溶液的电导率。

1.2测量系统概述
为实现高精度的七电极电导率传感器测量电路,在设计电路时主要考虑以下几个方面:(1)减少使用模拟器件,减少因使用模拟器件而引入的噪声,利用高速采样提取信号的信息并进行相关计算。(2)A/D和D/A使用同一基准,因为电导率是通过驱动电压和取样电阻两端电压的比值计算出来的,即使基准有一定的变化,也不会对测量结果产生影响。(3)系统中使用的器件选用低温漂、高精度的器件,特别是驱动七电极的运放和取样电阻。
测量电路系统示意图如图2所示。微控制器STM32F103控制D/A产生固定频率和电压的信号,通过由积分电路和减法电路形成的恒压源,对七电极电导率传感器进行驱动,电流流过取样电阻,形成的电压值反映了电导率的值,电压经A/D进行模数变换,采样得到的A/D值通过算法处理得到电导率值。

系统采用STM32F103作为控制器,STM32F系列属于中等容量增强型、32位基于ARM核心的带64或者128kB闪存的微控制器,具有USB、CAN、7个定时器、2个ADC、9个通信接口,广泛应用于各种工业控制系统、测量仪表等。
2测量电路分析及实现
2.1驱动电路分析
2.1.1矩形波产生电路
七电极电导率传感器采用美信公司的MAX5312产生800 Hz的矩形波进行驱动,驱动电压为-8~+8 V.MAX5312为12位、串行、数模转换器,在双电源电压为±12~±15 V时,提供双极性±5~±10 V输出,而在单电源电压为12~15 V时,提供单极性5~10 V输出。MAX5312具有极佳的线性度,该器件还具有10μs快速的建立时间至0.5 LSB,硬件关断特性将电流消耗降低至3.5μA.本电路中MAX5312工作在3.3 V,采用SPI通信方式。

如图3所示,SCK、MOSI、MISO是和微控制器的通信接口,执行SPI协议,/CS2是MAX5312的片选端,VREF是D/A芯片基准的输入端,该基准由本电路系统中的A/D产生,以实现A/D和D/A使用统一个基准,避免因基准的差异影响测量的精度。OUT是D/A的输出引脚。为提高驱动能力,产生的矩形波驱动信号要经过由一个高精密运放组成的电压跟随器。
2.1.2驱动电路分析
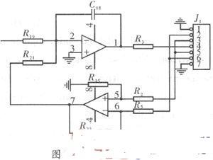
如图4所示,驱动信号经过一个积分电路后加在七电极两端,七电极的2、3两端电压和5、6两端电压经过减法电路后反作用与积分电路,形成负反馈,实现对七电极的恒压驱动,R3是取样电阻。

2.2采集电路
如图5所示,R3是取样电阻;R3两端电压加到仪器运算放大器的输入端;R13确定放大器放大倍数,因为A/D采样速率较高,所以模拟信号在输入到A/D之前需要经过差分驱动器,放大器输出经过差分驱动器后输入到A/D进行采样。

选取亚德诺半导体公司的一款差分驱动器,用于输入范围最大为±10 V的16~18位ADC.它采用易于使用的单端至差分配置,无需外部元件就能驱动ADC,同时提供驱动最高18位分辨率ADC所需的低失真和高信噪比(SNR)等重要特性,广泛用于驱动包括工业仪器仪表等各种应用中的ADC.该差分驱动器在精度和驱动能力上能满足本电路的需要。
本电路设计的核心思想之一就是高速采样去还原信号本身的特点,避免因不必要的模拟信号的调理引入误差,所以A/D的选择对于电路的整体性能起着重要的作用。
图6是A/D采集电路的示意图,其中并行通信端口负责向微处理器传输数据,VIN+、VIN-是模拟信号输入端口,VREF是5 V基准。

该A/D不仅能满足电路对于精度和速度的要求,并且能够产生5 V基准提供给D/A,实现驱动和采集使用相同的基准,即使基准因温漂等产生了微小的变化,也不会对采样结果产生影响,避免了因基准不稳定造成的误差。
3测量数据分析及标定
在数据处理方面,首先对单个周期内的波形进行Ⅳ次采样,之后用得到的A/D值计算出每个驱动周期内的平均A/D值;在采集M个周期后,对M个平均后的A/D值做FFT,求出直流分量即为拟合用A/D值。用FFT可以较好地滤除噪音对采样结果的影响。在本次标定过程中,每个周期内有128个采样点,对32个周期的平均A/D值进行FFT变换。
在标定过程中,首先用采集到的拟合A/D值和对应的电导率值,利用最小二乘法进行拟合,得到求电导率的公式,最后进行测量和复检。拟合公式如下
C=a0+a1×D+a2×D2+a3×D3 (1)
其中,c为电导率;D是A/D值;a0、a1、a2、a3是拟合系数。
在标定的过程中,采用海鸟公司的温盐深仪(CTD)作为对比,直接对电导率进行读取,相对于传统测盐度温度进行电导率测量,这样更方便快捷,多用于对实验阶段仪器的标定,得到行业内的认同。文中分别对35℃,25℃,15℃,5℃的海水电导率进行测量。实验结果见表1~表2所示。

通过标定和复检可以发现,在25℃,15℃,5℃,0℃的4点效果较好,最大误差在0.005 mS.cm-1以下,但在高温35℃点误差较大,拟合误差达到了0.018 mS.cm-1,原因可能是在高温点某些模拟器件进入了非线性区,或者是由于传感器本身的物理特性在高温点存在一些不足。
4结束语
设计了一款七电极电导率传感器测量电路,并进行了标定和复检验证了电路的稳定性和高精度。在设计过程中,主要利用了减少模拟电路、直接对原始信号采样进行处理的思想,使电路本身更加稳定和可靠,避免因为一些不必要的处理引入新的噪声,从而提高了系统的测量精度。