引言
信号传输一般可分为两大部分:编码与解码。其中编码要求根据所传输信号特点选择合适的编码方式。由于不同的信号在不同的环境中进行传输,受到的干扰是不同的,而选择合适的编码方法可以最大限度的避免干扰,使通信更加顺畅、更加准确。
要实现不同的编码方式关键是要找到合适的算法,并且要求算法必须简洁亦兼容。笔者在这里主要采用了对比、联合和模块化的设计方法,使每一种编码成为一个独立模块,但又共用同一个或多个时钟。由此,大大节约了程序的存储空间,减少了程序的调试时间。
文章将用VHDL设计八种常用的编码方式,并运用ALTERA公司的QUARTUSII设计软件进行仿真调试。QUARTUSII设计软件是一款开放、与结构无关、多平台、完全集成化、丰富的设计库、模块化工具、支持各种HDL、有多种高级编程语言接口的非常先进的EDA工具软件。另外,超高速硬件描述语言VHDL具有强大的语言结构、多层次的描述功能、良好的移植性和快速的ASIC转换能力,支持硬件的设计、综合、验证和测试。因此,应用VHDL设计通信编码波形具有重要意义。
总体方案设计
方案总体设计如图1所示。首先,在运用VHDL编写程序时必须遵照系统规则,按照系统库函数调用,否则编译将会产生问题。其次,考虑到分模块编程,而每一种编码方式的编程会用到不同频率的时钟,因此要将系统时钟二分频、四分频和八分频,以备需要。然后就是要设计选择模块,方便对八种编码的自由选择。再进行 各个编码模块的VHDL编码,进而可以逐个编译仿真。最后,当每一个模块编译仿真通过后,就是要将每一个独立模块程序整合在一起,形成总的编码程序,并且调试总程序。

图1 总体设计流程图
单元模块设计及调试
分频模块
工作原理
所谓分频,就是将一个给定频率较高的数字输入信号,经过适当的处理后,产生一个或数个频率较低的数字输出信号。分频本质上是加法器的变化,其计数值由分频常数N=fin/fout(fin是输入频率,fout是输出频率)决定,其输出不是一般计数器计数结果,而是根据分频常数对输出信号的高、低电平进行控制。
软件设计
下面设计一个对输入时钟信号进行2分频、4分频和8分频的分频程序。根据实际需要还可以设计分频系数为2N的分频器,只需要实现一个模N的计数器,再把模N的计数器的最高位直接付给分频器的输出信号,即可得到所需要的分频信号。
分频系数是2的整数次幂的偶数分频器模块图如图2所示。

图2 2、4、8分频器的RTL模块图
此程序中rst为低电平有效,若实现2分频电路则输出最高有效位count(0),4分频电路输出最高有效位count(1),依次类推,8分频输出最高有效位count(2)。
在MAX-plusII环境中编译仿真波形如图3所示。

图3 2、4、8分频波形
选择模块
工作原理
此模块是用于选择信号的,作用就是当输入多路信号时,只选取其中一路输出,其选择依据是根据其地址线的信号,地址线有N条,就能制作2N选一选择器。
软件设计
根据选择模块的工作原理,应用VHDL编写的选择器模块图如图4所示。

图4 选择器的模块图
选择器程序在QUARTUSII环境中编译仿真波形如图5所示。

图5 选择器波形
功能模块
NRZ-L(不归零码)
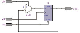
NRZ-L(平)码无论是“1”还是“0”时,相邻码元电平极性均不改变,即在4分频的时钟clk上升沿随输入信号din变化而输出信号encoder-out。
具体VHDL模块图如图6所示。

图6 NRZ-L(平)的模块图
程序在QUARTUSII环境中编译仿真波形如图7所示。

图7 NRZ-L码波形
NRZ-M(信号差分码)
NRZ-M信号差分码,当为“1”时相邻码元电平极性改变,“0”时相邻码元电极性不改变,即在时钟clk为4分频的上升沿遇输入信号datain “1”而跳变,“0”保持输出信号encoder-out。
具体VHDL模块图如图8所示。

图8 NRZ-M(信号差分码)的模块图
程序在QUARTUSII环境中编译仿真波形如图9所示。

图9 NRZ-M码波形
NRZ-S(空格差分码)
NRZ-S(空格差分码),当为“0”时相邻码元电平极性改变,“1”时相邻码元电极性不改变,即与NRZ-M(信号差分码)恰好相反,clk为4分频。
具体VHDL模块图如图10所示。

图10 NRZ-S(空格差分码)的模块图
程序在QUARTUSII环境中编译仿真波形如图11所示。

图11 NRZ-S码波形
RZ(单极性归零码)
在归零码RZ中,码元中间的信号回归到0电平,因此任意两个码元之间被0电平隔开。当为“1”时为“0”,当为“0”时则为“0”,即输入datain信号中间隔开,时钟clk是2分频,在上升沿遇“1”跳变,其它为“0”,输出信号encoder-out。
具体VHDL模块图如图12所示。

图12 RZ(单极性归零码)的模块图
程序在QUARTUSII环境中编译仿真波形如图13所示。

图13 RZ码波形
积分曼彻斯特码
曼彻斯特编码是一种双相码。除了中间发生跳变外,当为“0”时相邻码元电平极性改变,“1”时相邻码元电极性不改变,由于要将输入datain信号中间跳变,故需两个时钟clk1、clk2,且clk1是4分频,clk2是2分频,都在两时钟上升沿遇“0”跳变,遇“1”保持,输出信号encoder-out。
其具体VHDL模块图如图14所示。

图14 积分曼彻斯特码的模块图
程序在QUARTUSII环境中编译仿真波形如图15所示。

图15 积分曼彻斯特码波形
双相-M码
双相-M码:除了相邻码元电平极性发生跳变外,当为“1”时中间发生跳变,当为“0”时中间不发生跳变,即时钟clk1为4分频,输入信号datain相邻码元极性跳变,遇“1”时在时钟clk1的上升、下降沿跳变,输出信号encoder-out。
具体VHDL模块图如图16所示。

图16 双相-M码的模块图
程序在QUARTUSII环境中编译仿真波形如图17所示。

图17 双相-M码波形
双相-L码
双相-L码,除了中间发生跳变外,当为“1”时相邻码元电平极性改变,“0”时相邻码元电极性不改变,即需要2分频时钟clk1,datain信号中间遇时钟clk1上升沿跳变外,且遇“1”相邻码元极性改变,“0”时不变,输出信号encoder-out。
具体VHDL模块图如图18所示。

图18 双相-L
程序在QUARTUSII环境中编译仿真波形如图19所示。

图19 双相-L码波形
双相-S码
双相-S码,除了相邻码元电平极性发生跳变外,当为“0”时中间发生跳变,当为“1”时中间不发生跳变,即与双相-L码相反,clk1为4分频。
具体VHDL模块图如图20所示。

图20 双相-S码的模块图码的模块图
程序在QUARTUSII环境中编译仿真波形如图21所示。

图21 双相-S码波形
整体程序调试
整体程序在MAX-plusII环境中的编译仿真波形如图22所示。

图22 八种编码波形
总结
1) 运用VHDL编写以上八种编码是可行的。
2) 经过观察各模块的仿真波形,符合各个编码的特性。
3) 通过整体程序的调试仿真,并在FPGA上实现了波形的键选。