常用双电源产生的方法在精密测量中的应用
数据处理,很多都是双电源的,比如数据采集卡。
使用精密前置放大器的后级如果不是用数据采集卡,而是用普通AD芯片,那就最好选用双极性AD芯片。
下面介绍一些常用的双电源的产生方法:
方法A:通过电池来直接产生双电源
特点:电源噪音最小,最适合超高精密
方法B:通过双电源工频变压器直接生成双电源
特点:电源噪音小,最适合高精密
方法C
单电源转换为双电源:
1、用运放输出产生虚地的双电源
特点:噪音小,的负载能力不行
2、用电荷泵产生双电源
特点:有交流高频噪音
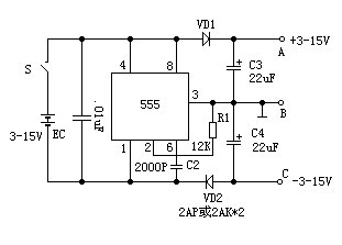
3、振荡电路整流滤波后产生双电源
特点:有交流高频噪音