红外线是一种看不见的光线,因其在整个电磁波谱中处在可见光(红光)外侧而得名。他介于可见光和微波之间,既具有可见光的性质,如:直线传播、反射、折射等,又具有微波的某些特性,如:穿透力强,能穿过某些不透明物质等。
借助于红外线具有直线传播的特性,利用红外传感器具有灵敏度高、响应速度快和光谱范围窄的性能,同时也利用单片机具有结构紧凑、可靠性高、数据处理能力强、速度快、功耗小、成本低的特点,可以制作灵敏度高,抗干扰性能优良的红外遥控装置。
本设计将单片机与红外技术、电子技术相结合,设计出的通用家用灯头遥控装置具有结构简单,操作方便,功能比较完善的特点。
1 红外遥控系统的原理
红外遥控电路的结构形式一般分为3种,即:单通道遥控开关电路、单通道步进式遥控电路和多通道遥控电路。本设计采用单通道遥控开关电路,这种红外遥控系统一般由发射和接收两大部分组成,发射部分一般包括脉冲发生器、脉冲功放和红外发射,接收部分一般包括红外接收、电压放大、限幅放大、双稳触发和继电器,有的还采用专用遥控集成电路使结构简化。本遥控系统主要由开关控制按键、定时数据输入按键、亮度控制按键、定时控制电路、显示电路、红外发射电路、红外接收电路、亮度控制及执行电路等组成。
2 硬件电路
2.1 开关控制
该部分主要实现遥控开灯或关灯,为一个按键。当按下按键时,红外发射部分发射一红外脉冲,经红外接收部分接收并使继电器改变原来的状态,使灯由开变为关或由关变为开。
2.2 定时部分
该部分主要包括:定时数据的输入及处理、定时电路及时间显示电路。
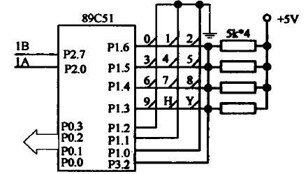
定时数据的输入采用非编码按键的工作方式,其中"0~9"为数字按键,"H"为小时按键,"Y"为确定按键。该部分电路图如图1所示。

图1定时时间输入
定时器采用减法计数器,输入的初始数据由89C51的P0口的低4位给出,由P2.7和P2.0经译码、反相后,锁存在相应计数器CD4069的置数端上,并由译码显示器件CL002显示出来,同时开始减法计数,调节RP约为2.4 M时,NE555将产生60 s脉冲,控据的单位为min,左边为低位。当减到全为0时,计数停止,同时输出一个低电平到红外发射部分。发射部分发射红外脉冲,由红外接收部分接收使开关部分翻转,从而改变灯泡原来的状态而达到定时控制。定时电路如图2所示。显示部分为CL002,他是集寄存、译码、显示为一体的CMOS-LED组合器件,功能相当于1只CD4543或CD4511加上1只共阴极数码管。使用该组合器件可使电路结构简化。

图2 定时电路
2.3 亮度控制电路
该部分的电路如图3所示。他由红外接收及前置放大、脉冲识别、电子模拟开关、电子模拟电位器等部分组成。

图3 亮度控制电路
红外接收及前置放大采用μPC1373专用集成电路。当按下红外发射电路的SB1键时,红外发射电路会根据按键时间的长短发射长脉冲或短脉冲,脉冲由 BA5204接收,并在BA5204的第4脚输出高电平,经反相后送到μPC1373的第7脚进行脉冲识别处理。脉冲识别电路采用集成六反相器 CD4069,其中由第1脚输入、第4脚输出的部分为短脉冲识别电路,短脉冲使亮度变小。由第13脚输入第6脚输出的部分为长脉冲识别电路,长脉冲使亮度变大。电子模拟开关采用四双向模拟转换开关CD4066.电子模拟电位器采用一只N沟道场效应管VMOS管,他是一种电压控制器件,利用栅极电压控制漏极电流,也就是控制沟道电阻,利用此特性可以将场效应管当作1只受电压控制的可变电阻。
2.4 红外发射电路
该部分的电路图如图4(a)所示。红外遥控发射器采用BA5104专用编码集成电路,其中1,2脚为用户码选择端,可避免别人的遥控。3脚与定时电路的输出端74LS27的6脚相连,4脚和5脚分别接亮度和开关控制按键,3~5任意一个脚有低电平时,LED立即向外发射调制的红外光,发射频率受12, 13脚间的晶振控制。

图4 红外发射与接收电路
2.5 红外接收部分
该部分的电路如图4(b)所示。BA3502为一体化红外接收头。接收器中的BA5204是与发射器BA5104相配套使用的器件,其工作电压为5 V,由不用变压器的高输入电压、小输出电流的线性稳压器LR6将220 V交流电变成10 V直流电后经7805变为5 V供电。当BA5104的SB1,SB2中任意一个键按下或第3脚收到低电平时,对应的BA5204的某一端口就输出高电平,当松开时,该端口恢复低电平。维持高电平的时间与按键的时间相同。图中SK-II为声控集成电路,BA5204的第3和第5脚输出的信号由C2输入SK-II,经内部电路放大、选频、整形、延时后送入触发器并使其翻转,由9脚输出低电平,该低电平使VT3导通,继电器J吸合接通电源控制开关。当第二次收到控制信号后,SK-II的 9脚输出高电平,VT3截止,继电器释放,断开电源。
3 软件设计
软件设计主要是设计按键处理程序。按键处理程序采用中断方式,中断采用外部中断0.当有按键按下时,将会引起单片机的中断,由单片机执行按键处理程序,判断所按键的类型并做出相应的处理。按键处理程序流程图如图5所示。

图5 按键处理程序流程图
4 结 语
基于单片机的红外遥控灯头系统实现了对灯头的开关、定时、亮度调节控制,更加方便了人们的生活,使得在某些情况下对灯头控制的特殊要求得以实现。本遥控系统工作稳定可靠,最大有效控制距离可达8~10 m,最长定时时间为16 h.