工频逆变器以其线路简单,易于初学者制作、调式,抗过载能力强,成本低,实用等优点,深受广大电子制作爱好者的青睐。去年我用下图做了一个家用逆变器,把BG5换成LM7812的三端稳压,功率管用4对IRF150变压器是500W200、220、240、260V多抽头输出,一制即成,用来启动电脑和电视机毫不费力,只是带电风扇稍逊一筹。声音要大一些,转速慢一些。当停电时,搬出来就用。大家都没有电,唯独我家满屋亮堂堂的。
后来,充电时被小孩接通了逆变LM7812和4对IRF150还有滤波电容一齐完蛋了,我心都痛了。都怪我没有用继电器用来切换逆、充啊!
 
图1 简单实用的逆变电源电路图
在此期间又买回TL494和4对IRF540又做了一个逆变驱动板,发现在50HZ左右时(没有频率表,以长期做逆变器的经验靠耳听音频,哈哈~~~厉害吧!)带小功率的变器还可以,500VA的UPS的变压器时居然不稳断断续续的,电流很大场管急剧发热,带500W的变压器有时稳有时不稳,说不定换一根粗一点的线,或是把板子移动个方向就不稳了,最后弃用!
图如下:
 
图2 可以自动稳压的逆变电路图
制作没有因此而停下,接下来做了二个。按原图重做了一个{原来的元件一个不用)。同时又按TL494的另外一种图的接法做了一个(就是 西平房 用来研究稳压的图)
 
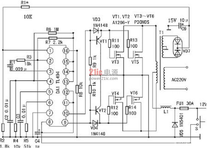
图3 200W稳压逆变电源
还是不稳,只不过比原来强一些。我分析了一下原因,一是我用的是万能板,分布电容大造成自激。二,可能是布线不太合理。三。可能是干扰。后来我用了SG3525做(这是后话)非常稳定!
现在我可以告诉大家,确实是TL494的抗干扰能力差!从此后,我对494另眼相看了。把它打进十八层地狱永不录用!
之所以选用这两个图来做,就是看中它能稳压。我用的几个变压器都有一组12V或是15V的绕组,整流后接电阻接到1脚,不能稳压。当电位器调到某一阻值时,电压突然下降,明显地听到变压"打嗝"TL494输出不稳了。无论你怎样细心调都是这个结果!我把西平房工程师的<<我制作逆变器的经验>>看了又看,综合他的经验再通过后来对用SG3525制作的逆变器稳压的试验,得出的是一样的结果: 不能稳压!
经验:无论是TL494还是SG3525,在50HZ输出时闭环条件下,想通过调制脉宽来稳压是痴人做梦而已!SG3525的就是这个图
 
变压器自已做的也有,从旧UPS上拆下的也有,低频的一般是不用铜皮的,用2.0-3.0的铜线绕的!
下雪前几天,我估计年底供电紧张会停电(每年都有这个情况发生)就用SG3525又做了一个板,没想到下雪引起的停电竟派上了用场。但问题出来了,带150W左右变压器时空载电流450MA以下(应该差不多),但带500W变压器时有1。3A左右(我不能接受)。原来我用多谐振荡做的只有接近1A,我不解原因!
我减小R4来调节死区时间,没有什么效果,提高频率可以减小空载电流,但不是50HZ了?
我十分不解,现决定再做一个板看还是不是这个情况?
以下图就是我最近做的一个:
 
 
