器件集RF前端与灵活的混合信号基带部分为一体,集成频率合成器,为处理器提供可配置数字接口,从而简化设计导入。AD9361工作频率范围为70MHz~6.0GHz,支持的通道带宽范围为不到200kHz~56MHz.主要用在点对点通信系统、毫微微蜂窝/微微蜂窝/微蜂窝基站和通用无线电系统。
两个独立的直接转换接收器具有先进的噪声系数和线性度。每个接收器(RX)子系统包括独立的自动增益控制(AGC)、DC偏移校正、正交校正、数字滤波,从而减轻了数字基带的负担。AD9361还具有可以从外部控制的,灵活的手动增益模式。每个通道有两个高动态范围ADC,可将接收到的I和Q信号数字化,并通过可配置的抽取滤波器和128抽头有限脉冲响应(FIR)滤波器,来产生一个12位的输出信号(在适当的采样率)。
发射器采用直接转换架构,可实现高调制精度与超低噪音。该发射器的设计产生了较好的TX EVM(<-40dB),从而,为外部PA的选择提供了重要的系统余量。主板上的发射(TX)功率监视器可以用作功率检测器,可实现高度精确的发射功率测量。
其完全集成的锁相环(PLL)可为所有的接收和发送通道提供低功耗的小数N分频合成。通道隔离(频分双工(FDD)系统的需求)被集成到设计中。并集成了所有VCO和环路滤波器元件。
AD9361的核可以直接从一个1.3V稳压器上供电。该IC是通过一个标准的4线串行端口,和4个实时I/O控制引脚进行控制。在正常使用过程中它具有全面的省电模式,最大限度地降低了功耗。AD9361为10mm×10mm,144球芯片级封装,球栅阵列(CSP_BGA)。

 图1 AD9361功能框图
STM32072B-EVAL主要特性
•射频2×2的收发器,集成了12位DAC和ADC
•波段:70MHz~6.0GHz
•支持TDD和FDD操作
•可调信道带宽:<200kHz~56MHz
•双接收机:6路差分或12路单端输入
•高级接收机灵敏度,2dB的噪声系数,
800MHz的本地振荡器(LO)
• RX增益控制
•手动增益实时监测和控制信号
•独立的自动增益控制
•双发射器:4差分输出
•高线性宽带发射机
• TX EVM:≤-40dB
• TX噪音:≤-157dBm的/Hz本底噪声
• TX监控器:≥66dB动态范围,1dB的精度
•集成的小数N分频合成器
• 2.4Hz最大LO步长
•多芯片同步
• CMOS/LVDS数字接口
AD9361应用
•点对点通信系统
•毫微微蜂窝基站/微微蜂窝/微蜂窝基站
•通用无线电系统

 图2 评估板AD-FMCOMMS2-EBZ外形图
评估板AD-FMCOMMS2-EBZ
AD-FMCOMMS [234]-EBZ卡以高速模拟和模块化的设计展示了AD9361(或9364),它是一款高性能、高集成度、灵活的射频收发器,适用于RF领域,如3G和4G基站,以及软件定义无线电。可编程性和宽带能力使其非常适用于广泛的收发器领域。该器件组合了射频前端和灵活的混合信号基带部分,以及集成的频率合成器,通过提供一个可配置的数字接口处理器或FPGA,从而简化了设计。AD9361和AD9364芯片工作为70MHz~6GHz,涵盖了大部分授权和免授权频段。其电路板(由于分离外部组件)可能减少了某些RF输入/输出连接器的性能(例如FMCOMMS2调谐到2.4GHz)。AD9361和AD9364都支持低于200kHz~56MHz频率(通过改变采样率,通过改变数字滤波器和改变装置内部抽取)。
AD9361(2Rx,2Tx)和AD9364(1RX,1Tx)之间的区别是信道数的不同。软件、高密度HDL、引出线等都是一模一样的。
其AD-FMCOMMS2-EBZ板,简单来说,就是AD9361在一个2×2射频配置里。因此,功能和设备的性能可以延伸到板上。该板包括一个进行2.4GHz优化的,狭窄的,调谐范围不平衡变压器,并具有数据表规格。
AD-FMCOMMS3-EBZ板,简单来说,就是AD9361在一个2×2的射频配置里。因此,功能和设备的性能可以延伸到板上。该板包括一个宽调谐范围不平衡变压器,它的数据与数据表规格相近。
AD-FMCOMMS4-EBZ板,简单来说,就是AD9364在1×1射频配置里。因此,功能和设备的功能延伸到板上。该板包括窄、宽调谐范围不平衡变压器(在一个多路输入/输出上)。

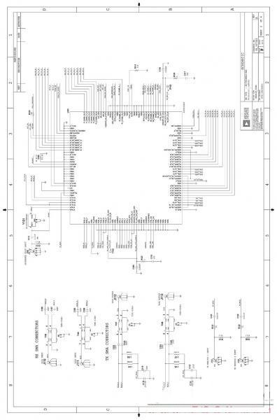
图3 评估板AD-FMCOMMS2-EBZ电路图(1)
评估板应用
•无线通信的示范和
学习工具
•远程射频头
•软件定义无线电
•卫星调制解调器
•测试和测量设备
•雷达和先进的成像
•通用数据采集
•规格及特点
•通用设计,适合任何应用程序
•宽频率范围可通过软件调节(70MHz~6GHz)
•小于200kHz~56MHz的信道带宽
•由单一的FMC连接器供电
•支持MIMO无线电、ADC和DAC小于1的样品同步
•包括原理图、布局、物料清单、HDL、Linux驱动程序和应用软件
•可以增加卡(用于具体频谱设计、PA、LNA等)
• SPI访问所有的设备寄存器