开关电源在各个领域被普遍采用,而开关电源技术也有了重大的突破和进步。新型功率器件的开发促进了开关电源的高频化,功率MUSFET和IGBT可使中小型开关电源工作频率达到400KHZ,软开关技术使高频开关电源的实现有了可能,它不仅可以减少电源的体积和重量,而且提高了电源的效率;控制技术的发展以及专用控制芯片的生产,不仅使电源电路大幅度简化,而且使开关电源的动态性能和可靠性大大提高。
开关电源的高频化是电源技术发展的创新技术,高频化带来的效益是使开关电源装置空前的小型化,并使开关电源进入更广泛的领域,特别是在高新领域的应用,推动到了高新技术产品的小型化、轻便化,另外开关电源的发展与应用在节约资源与保护环境方面都具有深远的意义。21世纪开关电源的发展技术追求和发展趋势可以概括为以下四个方面:小型化、轻量化、高频化;②高可靠性;③低噪声;④采用计算机辅助设计和控制。
开关电源的结构
开关电源的基本构成如图1所示,其中DC/DC变换器用于进行功率转换,是开关电源的核心部分,此外还有软启动、过流与过压保护等电路。输出采样电路检测输出电压变化,并与基准电压进行比较,误差电压经过放大及脉宽调制(PWM)电路,再经过驱动电路控制功率器件的占空比,从而达到调整输出电压大小的目的。DC/DC变换器有多种电路形式,常见的有工作波形为方波的PWM变换器以及工作波形为准正弦波的谐振型变换器,在本设计中采用PWM变换器来控制功率器件的占空比。本设计主要由四个部分组成:1)整流滤波电路;2)升压斩波电路;3)PWM脉宽调制电路;4)按键显示电路。

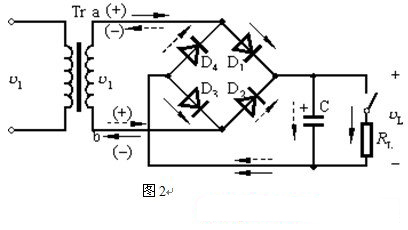
1.单相桥式整流滤波电路
单相桥式整流滤波电路如图2所示。负载RL未接入(开关S断开)时的情况:设电容器两端初始电压为零,接入交流电源后,当v2为正半周时,v2通过D1、D3向电容器C充电; v2为负半周时,经D2、D4向电容器C充电,充电时间常数为

其中Rint包括变压器副绕组的直流电阻和二极管D的正向电阻。由于Rint一般很小,电容器很快就充电到交流电压v2的最大值 ,极性如图2所示。由于电容器无放电回路,故输出电压(即电容器C两端的电压vC)保持在 ,输出为一个恒定的直流,如图3中t<0(即纵坐标左边)部分所示。
因td一般较大,故电容两端的电压vC按指数规律慢慢下降,其输出电压vL = vC,如图3的ab段所示。与此同时,交流电压v2按正弦规律上升。当v2>vC时,二极管D1、D3受正向电压作用而导通,此时v2经二极管D1、D3一方面向负载RL提供电流,另一方面向电容器C充电(接入负载时的充电时间常数tc =( RL||Rint)C≈Rint C很小),vC将如图3中的bc段,图中bc段上的阴影部分为电路中的电流在整流电路内阻Rint上产生的压降。vC随着交流电压v2升高到接近最大值 .然后,v2又按正弦规律下降。当v2 < vC时,二极管受反向电压作用而截止,电容器C又经RL放电,vC波形如图3中的cd段。电容器C如此周而复始地进行充放电,负载上便得到如图3所示的一个近似锯齿波的电压vL = vC,使负载电压的波动大为减小。

这种电路的优点是输出电压高,纹波电压较小,管子所承受的最大反向电压较低,同时因电源变压器在正、负半周内都有电流供给负载,电源变压器得到了充分的利用,效率较高。因此,这种电路在半导体整流电路中得到了颇为广泛的应用。
2.升压斩波电路
升压斩波电路原理图如图4所示。当控制器输出脉冲高电平时,开关管VT导通,电感L储存能量,在ton时间内电感电流增量为
.当控制器输出低电平时,开关管VT截止,电感L向电容C充电并向负载提供能量,在Ioff 时间内电感减少的电流量为
,当电路工作于稳定状态时,有
,可得
,因为 ,所以输出电压高于输入电压,电路实现升压,设计中只要调节占空比的大小就可以改变输出电压的大小。

3. PWM脉宽调制电路
PWM脉宽调制电路采用功能强大的TL494定频调制芯片,该芯片有16个引脚,芯片的封装图与内部电路如图5所示。

TL494由振荡器、D触发器、死区时间比较器、PWM比较器、两个误差放大器、5V基准电压源与两个驱动三极管组成。芯片的1脚、2脚和15脚、16脚分别为两个误差放大器输入端;3脚为误差放大器的反馈补偿端;4脚为死区电平控制端;5脚、6脚为振荡器的 R、C输入端;8脚、9脚和11脚、10脚分别为两个内部驱动三极管的集电极和发射极,通过它们发出的脉冲可以控制变换器开关管的交替导通与截止;13脚为输出状态控制端,当13脚为低电平时,两个内部驱动三极管同时导通或截止,引脚8 和11 同步工作,单端输出,当13脚为高电平时,两个内部驱动三极管交替导通,引脚8 和11推挽工作,双路输出,分别控制变换器的两个开关管。本设计采用第一种工作方式。
该芯片的最高工作频率为300kHz ,实际工作频率由引脚5、6 所接的电阻与电容决定,其振荡频率算式为f = 1.1/(RTCT ) ,本设计选择的振荡频率为50kHz ,锯齿波在片内被送到比较器1 和2 的反相端,锯齿波与片内的误差放大器的输出在PWM 比较器2 中比较,而死区控制电平与锯齿波在死区时间比较器1 中比较,两者的输出分别为一定宽度的矩形波,它们同时送到或门电路,经分频器分频后,再经相应的门电路去控制内部三极管导通,VT1和VT2同时导通或截止,从而控制开关管的导通与截止。其工作波形如图6 所示。

另外,在输入电源刚接通时,由于电容上的电压不能突变,所以起动瞬间,死区控制端4 与内部基准电压14 端等电位,为高电平,死区比较器1 也输出高电平,封锁输出端的两个晶体管;随着电容电压的不断上升,4 端电位逐渐降低,这两个晶体管才逐渐开通,使得该电源的输出电压不会突变,实现软起动。正常工作时,主电路开关元件的导通时间(它决定正常工作时的输出电压值) 将由接入误差放大器1 反相端的给定电压Ug 和接入同相端的反馈电压Uf 比较确定。
4. 按键显示电路
根据设计要求,要通过按键调整输出电压值,并实时显示电压设定值和实际值,可采用8个数码管来显示数值,四个实时显示当前设定的电压值,另外四个分时显示实际电压值和电流值;而按键应包括增加键和减少键,还可以通过按键来控制主电路的开通与关断。
5.系统实现方案及结构框图
系统设计框图如图7所示。设计中以升压斩波电路为主回路,该电路实现将整流滤波后的直流电压变为25V~30V的输出电压。整个系统以单片机PIC16F877A和PWM调制芯片TL494构成控制系统。TL494产生的脉冲信号控制升压斩波电路,同时还通过外围电路实现稳压、过流保护、自恢复、软启动等功能。单片机通过控制数字电位器MCP41010的输出值,实现输出电压值的设定和步进的调整,此外还通过A/D模块,实现输出电压、电流值的数显。在升压斩波电路中,采用了导通电阻非常小的MOSFET作为开关管,快恢复二极管作为续流管,有效的提高了电路的效率。

6.软件功能
主程序不断检测是否有按键输入,如果有按键,则进行相应的键值处理,根据按键改变设定的电压值,实现数控输入,并分时显示实际电压值和电流值。通过编程软件实现以下功能:
1)。输出电压可按0.1V的步进值调整;
2)。通过A/D采样,显示输出电压和输出电流;
3)。通过按键,可以控制主电路的开通与关断。
总结
本设计采用系统硬件和软件编程相结合的方法,根据设计目标从系统总体的设计方案和结构框图入手,再根据各模块的功能进行电路原理图的设计和主要器件的选择,设计出来的产品具有体积小、重量轻、效率高、发热量低、性能稳定等优点,在电子、电器设备和家电领域中得到了广泛的应用,极大地方便了人们的生活和生产,可以相信其市场前景一片广阔。