摘要提出以ARM7系列微控制器LPC2148为核心的烟叶自动烘烤实验系统设计方案。系统通过自行设计的数字式干湿球温度计采集温湿度信息,并由微控制器做出相应的判断以控制加热器功率与通风口开度,从而达到控制烤箱内温湿度的目的。此外,系统可通过触摸式液晶屏设置并显示温湿度信息,并实时将温湿度信息保存于SD卡中,以用于后期数据分析。
关键词烟叶烘烤;传感器;LPC2148;交互界面
烟草是重要的经济作物。作为烟草生产重要原料的烤烟烟草,其品质的优劣、产量的高低直接关系到卷烟工业的发展和经济效益的提高。自国家烟草专卖局提出烟叶生产要努力实现由传统农业向现代烟草农业转变以来,各地掀起了探索和研究现代烟草农业的热潮。烘烤是烟叶生产的关键环节。目前烟叶烘烤箱大多由人工控制,人工检测温湿度,再进行手动调节,实现对风机、阀门及加热功率的控制。这种方式劳动强度大且烟叶的质量不稳定。虽然有一些自动温湿度控制装置,但多是简单的自动调节,精度不高、功能不强、界面不够友好。针对上述问题,设计出一套烟叶自动烘烤系统,并对系统的硬件结构与软件流程进行具体说明。系统具有界面友好、功能齐全、操作简便、安全性好等优点,不仅提高了劳动效率,而且大幅提高了烤烟过程的控制精度。
1 系统总体功能设计
根据现有烟叶烘烤箱的功能组成,所提出的烟叶自动烘烤系统结构如图1所示。

图1可知,系统由中央控制模块、温湿度采集模块、加热功率控制模块、通风阀门控制模块、循环风机控制模块、LCD交互界面模块及SD卡读写模块共7个部分组成:(1)温、湿度采集模块。该模块实现对烘烤箱中温度与湿度的采集,并将采集的数据传到中央控制模块。(2)加热功率控制模块。通过控制加热功率实现对洪烤箱的温度调节。(3)通风阀门控制模块。通过电机实现对阀门的开闭,起到通风的作用。(4)循环风机控制模块。通过控制电机,实现对烘烤箱中风扇的控制,进而实现烘烤箱中的空气循环,避免温度的梯度效应。(5)LCD交互界面模块。通过触摸屏实现对控制信号的输入,并显示温度、湿度等信息。(6)SD卡读写模块。实现对温、湿度等数据的存储,并可提取进行分析,从而实现为不同温、湿度条件下的自动控制提供数据。(7)中央控制模块。实现与不同模块的数据交互,实现系统的功能。
2 系统硬件设计
针对上述结构与功能,系统采用LPC2148作为微控制器,该芯片为Philips公司的一个支持实时仿真和嵌入式跟踪的32位ARM7TDMI-S微控制器,可实现60 MHz的工作频率。同时,LPC2148拥有多达48个I/O口及多个串行接口,包括2个UART。
温湿度采集模块通过由两个数字温度传感器(DS18B20)组成的干湿球温湿度检测模块,以采集温度和湿度信息。该模块的接口电路如图2所示,接口采用DB9母头,只需在数据端口加入2 kΩ的上拉电阻即可正常工作,磁珠L120、电容C120用于增强抗干扰能力。LPC2148控制器的P0.28,P0.29及P0.30 3个接口,分别接收DS18B20采集的数据。系统中只需两个传感器数据,另一个作为备份。

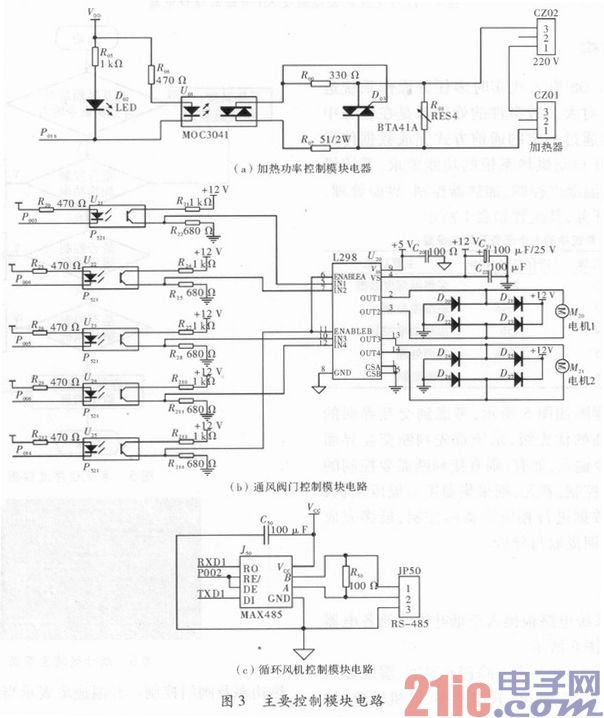
加热功率控制模块通过双向可控硅控制220 V交流电导通的周期个数来控制加热器功率,具体电路如图3(a)所示。LPC2148通过端口P0.16控制双向光耦MOC3041的导通,进而控制双向可控硅BTA41A的导通,最终达到控制加热器导通时间的目的。
通风阀门控制模块通过L298N直接驱动直流电机来控制通风阀门,具体电路如图3(b)所示。LPC2148通过端口P0.14使能L298芯片,此外,共用P0.03~P0.06这4个端口实现4路数字输入,当微控制器上相应端口输出电平为低时,对应的光电耦导通,L298的输入端则为高电平,否则为低电平。模块共接入两个电机,每路使用4个二极管防止电流反向。

循环风机控制模块采用变频器驱动交流电机,微控制器可以通过RS485总线直接控制其转速,具体电路如图3(c)所示。LPC2148通过串行接口与变频器通讯,实现频率设置,并且采集其频率与功率等信息。系统具有友好的交互界面,通过触摸式LCD显示屏对温湿度专家曲线进行预置,并在烘烤过程中直观的显示与查看温湿度以及其他相关信息。温湿度信息最终以文件的形式保存到SD卡中,为后期的数据分析与研究提供真实可靠的依据。图4为LCD交互界面模块及SD卡读写接口电路。

3 系统软件结构
系统采用μC/OS嵌入式实时多任务操作系统进行软件设计,CPU对大多数事件的处理都是在任务中完成,各任务之间通过一定的通信方式完成数据传递与同步。根据烟叶自动烘烤系统的功能要求,系统设计了温湿度采集、温湿度控制、加热器控制、界面处理、界面刷新等5个任务,其配置如表1所示。

系统程序流程图如图5所示,考虑到交互界面的控制命令具有更高的优先级,系统首先判断交互界面中是否有控制命令输入,如有,则直接判断需要控制的设备,并进行设备控制,若无,则采集温度与温度数据,根据温度与温度数据进行相应设备的控制,最终完成数据存储,以供后期提取与分析。

4 系统调试
将设计中的系统电路板接入至烟叶烘烤箱各电器设备,交互界面如图6所示。
从图中可以看出,交互界面除拥有温度、湿度显示功能外,还可进行温度、温度、升温速率、风机转速、加热功率及阀门控制。升温速率表示当前阶段的目标升温曲线的斜率,单位℃/h。报警键在开机时默认开启,当实际温度与跟踪温度相差2℃或实际湿度与跟踪湿度相差1℃时,发出长为0.5 s的间断报警声。只有当实际温度与跟踪温度相差1℃以下且实际湿度与跟踪湿度相差0.5℃以下时,报警开关自动关闭。当烘烤完成时,将发出的长为2 s的间断报警声。运行状态时,只有按停止键才有效,此时可修改参数。

从SD卡读出来温度数据可生成温度变化曲线,如图7所示。图中可以看出实际温度与目标温度基本一致,说明智能控制情况良好,实际温度中两次温度急剧下降是因为有断电关机。目标温度的曲线斜率为零时,实际温度与目标温度有差距,此时加热器开至最大,使实际温度尽快达到目标温度。
5 结束语
针对烟叶烘烤的自动化及后期的数据分析,提出了一种烟叶自动烘烤系统的设计方案。系统以微控制器LPC2148为核心,自行设计的数字式干湿球温度计采集温湿度信息,并根据采集到的温湿度信息,实现对加热器功率与通风口开度的自动控制,达到控制烤箱内温湿度的目的;同时,系统具有良好的人机交互界面,并通过SD卡存储数据以便后期分析。本系统具有功能齐全、操作简便、安全性好、控制精度高等优点,提高了劳动效率。