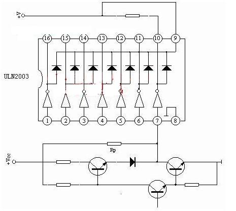
ULN2003管脚排列如下图所示:ULN2003的内部结构和功能
ULN是集成达林顿管IC,内部还集成了一个消线圈反电动势的二极管,可用来驱动继电器。它是双列16脚封装,NPN晶体管矩阵,最大驱动电压=50V,电流=500mA,输入电压=5V,适用于TTL COMS,由达林顿管组成驱动电路。 ULN是集成达林顿管IC,内部还集成了一个消线圈反电动势的二极管,它的输出端允许通过电流为200mA,饱和压降VCE 约1V左右,耐压BVCEO 约为36V。用户输出口的外接负载可根据以上参数估算。采用集电极开路输出,输出电流大,故可直接驱动继电器或固体继电器,也可直接驱动低压灯泡。通常单片机驱动ULN2003时,上拉2K的电阻较为合适,同时,COM引脚应该悬空或接电源。
ULN2003是一个非门电路,包含7个单元,但独每个单元驱动电流最大可达350mA.资料的最后有引用电路,9脚可以悬空。
比如1脚输入,16脚输出,你的负载接在VCC与16脚之间,不用9脚。
uln2003的作用:
ULN2003是大电流驱动阵列,多用于单片机、智能仪表、PLC、数字量输出卡等控制电路中。可直接驱动继电器等负载。
输入5VTTL电平,输出可达500mA/50V。
ULN2003是高耐压、大电流达林顿陈列,由七个硅NPN达林顿管组成。 该电路的特点如下: ULN2003的每一对达林顿都串联一个2.7K的基极电阻,在5V的工作电压下它能与TTL和CMOS电路 直接相连,可以直接处理原先需要标准逻辑缓冲器。
ULN2003 是高压大电流达林顿晶体管阵列系列产品,具有电流增益高、工作电压高、温度范围宽、带负载能力强等特点,适应于各类要求高速大功率驱动的系统。
ULN2003A引脚图及功能
ULN2003 是高耐压、大电流、内部由七个硅NPN 达林顿管组成的驱动芯片。
经常在以下电路中使用,作为:
1、显示驱动
2、继电器驱动
3、照明灯驱动
4、电磁阀驱动
5、伺服电机、步进电机驱动等电路中。
ULN2003 的每一对达林顿都串联一个2.7K 的基极电阻,在5V 的工作电压下它
能与TTL 和CMOS 电路直接相连,可以直接处理原先需要标准逻辑缓冲器来
处理的数据。
ULN2003 工作电压高,工作电流大,灌电流可达500mA,并且能够在关态时承受
50V 的电压,输出还可以在高负载电流并行运行。
ULN2003 的封装采用DIP—16 或SOP—16
ULN2003A在各种控制电路中常用它作为驱动继电器的芯片,其芯片内部做了一个消线圈反电动势的二极管。ULN2003的输出端允许通过IC 电流200mA,饱和压降VCE 约1V左右,耐压BVCEO 约为36V。输出电流大,故可以直接驱动继电器或固体继电器(SSR)等外接控制器件,也可直接驱动低压灯泡。
ULN2003可以驱动7个继电器,具有高电压输出特性,并带有共阴极的续流二极管使器件可用于开关型感性负载。每对达林顿管的额定集电极电流是500mA,达林顿对管还可并联使用以达到更高的输出电流能力。
ULN2003A中每对达林顿管的基极都串联有一个2.7kΩ的电阻,可直接与TTL或5V CMOS器件连接
ULN2003可以并联使用,在相应的OC输出管脚上串联几个欧姆的均流电阻后再并联使用,防止阵列电流不平衡。
2. 在输入口输入高电平时﹐输出口为低电平﹐但是在输入端输入低电平时﹐输出端怎么还是低电平?
ULN2003A的输出结构是集电极开路的,所以要在输出端接一个上拉电阻,在输入低电平的时候输出才是高电平。在驱动负载的时候,电流是由电源通过负载灌入ULN2003A的。
ULN2003一般用来驱动大电流的装置,如继电器,LED灯等,在驱动继电器这种装置时,COM端最好接上电源,以用来泄放继电器线圈的反向电动势
显示电路主要包括大型LED数码管BSI20-1(共阳极,数字净高12 cm)和高电压大电流驱动器ULN2003,大型LED数码管的每段是由多个LED发光二极管串并联而成的,因此导通电流大、导通压降高。ULN2003是高压大电流达林顿晶体管阵列电路,他具有7个独立的反相驱动器,每个驱动器的输出灌电流可达500 mA,导通时输出电压约1 V,截止时输出电压可达50 V。ULN2003的1~7脚为信号输入脚,依次对应的输出端为16~10脚,8脚为接地端。当驱动电源电压为+12 V时,若要求数码管每段导通电流为40 mA,则每段的限流电阻为50Ω。则一块ULN2003恰好驱动一个LED数码管的7段。大数码管采用共阳极接法,低电平有效。锁存器输出的电平经NPN三极管9014反相后,再由ULN2003放大后推动大数码管显示.