引言与背景
“神说,要有光,就有了光。神看光是好的,就把光和黑暗分开了。”我敢肯定,对《创世纪》中开头这两句话,我们大多数人都很熟悉,而且无论你信不信,事实依然是,我们这个世界确实有黑暗和光。不过光是什么? 光从哪里来? 它是怎么产生的? 它未来会是什么样?
这些问题都很好,但在本文中,我不想一一回答。我只想回顾一下光的简史,从大约 140 亿年前到今天。为什么从 140 亿年前开始呢? 因为我们知道,根据美国航空航天局威尔金森微波各向异性探测器 (Wilkinson Microwave Anisotropic Probe --- WMAP) 的探测,140 亿年大约就是宇宙的年龄。该探测器用来以精细的准确度探测宇宙,检测来自最遥远的宇宙深处之微波,那里就是宇宙大爆炸本身形成的那个正在冷却的火球。当然,我们自己的太阳系 (包括太阳和地球) 要比宇宙本身年轻得多,年龄仅约 45 亿年。因此,地球上光的主要来源是太阳。后来,大约 40 亿年前,月亮形成了。没人准确知道月亮是怎样形成的,尽管有 4 个主要的假设,即融合、捕获、共同形成和大撞击 (如需更多有关这些假设的信息,请见维基百科)。然而,不管月亮是怎样形成的,通过将太阳的光子反射回地球表面,月亮在夜间为我们提供了一个额外的光源。
人们普遍认为,地球上出现人类 (直立人) 的时间大约在 100 万年之前,而 100 万年在宇宙的银河中只不过是一眨眼的功夫! 显然,太阳是这些早期人类的主要照明光源,因为直到很久以后,才有了人造照明光源。实际上,很多科学家认为,有无可辩驳的证据证明,大约 12.5 万年以前,早期人类创造了可控制的火。也就是,人类造出了火把,而且火把成了第一种人造光源。然而,直到 1 万 7 千年以前,史前人类才用灯来照明。这些灯通常是用贝壳、岩石或动物角做成的,里面装入动物油或植物油作燃料,并使用一种纤维灯芯。又过了 1 万年,这些灯的燃料才包括了橄榄、坚果、芝麻或鱼油。在接下来的 5000 年中,这些灯使用的材料又经过了很多次变化。然后,大约在公元前 500 年,毕达哥拉斯提出了光的“粒子”理论。该理论假设所有可见物体都会发出稳定的粒子流,这些粒子轰击我们的眼睛。他又进一步提出,“光由射线组成,这些射线像触须一样,射线从眼睛到物体以直线传播,当这些射线触碰到物体时,就获得了视觉。”
直到公元 400 年,照明领域的下一次进步才出现,即发明了蜡烛。在接下来的 1400 年间,蜡烛成了主要的照明光源。然而,对现代照明具有重大意义的重要发现出现在 1666 年,当时才 23 岁的艾萨克•牛顿 (Isaac Newton) 做了他著名的棱镜实验。他注意到并记录下来,阳光是白色光,其中包含光谱的所有颜色。类似地,1752 年,本杰明•富兰克林 (Benjamin Franklin) 用风筝做了他的著名实验。他发明了避雷针,并解释了正负电现象。本杰明•富兰克林的工作具有重要意义,大约 100 年后发明白炽灯泡时,利用了他的发明和原理。接下来,到了 1792 年,威廉•默多克 (William Murdock) 通过给煤加热产生气体,并用该气体给他在英国康沃尔郡的家和办公室照明。这是第一次将气体作为燃料,产生了人造光。之后,在 19 世纪初,发现了天然气以后,在家庭、办公室、工厂和路灯中,采用气体照明才成为主流。
1877 年,托马斯•爱迪生 (Thomas Edison) 对电力照明产生了兴趣并做了实验。一年以后,在朋友的帮助下,他创建了爱迪生电灯公司 (Edison Electric Light Company),公司的目标是:“拥有、制造和经营用来通过电产生光、热或动力的各种不同装置,并提供这类装置的使用许可。”尽管爱迪生没有发明采用灯丝的电灯,但是他确实将理论转变为一种切实可行的形式,而且是首批成功地经销白炽灯的其中一要员。第一项涵盖白炽灯的专利实际上是由亨利 • 伍德沃德 (Henry Woodward) 和马修 • 埃文斯 (Matthew Evans) 于 1874 年提交的,大约比爱迪生开发电灯早 5 年。不过,也许德国化学家 Herman Sprengel 才是首先发明真空灯泡的人,他于 1865 年发明了这种灯泡。
尽管 100 多年来白炽灯泡一直独占鳌头,也免不了遭遇新技术的威胁,另一种新技术即将颠覆白炽灯在照明领域的主导地位,这就是白光发光二极管 (即 LED)。
白光 LED 和行将消亡的白炽灯
LED 是一种半导体器件,当被施加正向偏置电压时将发出非相干窄谱光,从而产生一种电致发光的现象。换句话说,固态磷光体在电场作用下,将电能直接转换成了光。所发光的颜色取决于所用半导体材料的化学组成,可以是近紫外、可见或红外光。
过去几年,LED 技术已经显著增强了,在散热、封装和加工方面取得很大进步的同时,不断涌现出更高亮度、更高效率、更长寿命和更低成本的 LED。与白炽灯泡不同,LED 没有会烧坏的灯丝,而且 LED 工作时温度往往较低。此外,白炽灯泡浪费了 95% 的电能,将其转化为热量消耗掉了。
大功率或高亮度 (HB) LED 的光输出已经跨越了每瓦 100 流明 (即 100 lm/W) 的关键里程碑。实际上,有些制造商已经宣布,在实验室中实现了 200 lm/W 的光输出。那么显然,就发光效率而言,LED 已经超过了白炽灯泡 (典型 60W 灯泡的光输出为 15 lm/W)。或者,发光效率还可以换一种方式来说,即以流明为单位衡量之光源的光输出量与以瓦为单位衡量产生该光输出所消耗的功率之比。情况还不止于此,预计在未来一年,光输出为 150 lm/W 的 LED 也将在市场上稳定供货。LED 的另一个好处是寿命长。视计算方法的不同而有所不同,白光 LED 灯至少有 5 万小时的寿命,有些甚至声称超过了 10 万小时,而白炽灯的寿命仅约 1200 至 1500 小时。
高亮度 LED 灯的价格也在非常快速地下降。几年前,单个白光二极管 (几个这样的二极管组成一个 LED 灯,并占 LED 灯成本的大部分) 的价格约为 4 美元,现在已经下降为不到 1 美元了。很多 LED 行业分析师都预测,在未来一年中,用 LED 灯替换白炽灯的费用将达到消费者可接受的程度。有些 LED 制造商宣布,已经设计出可为 LED 灯供电的发光芯片,使 LED 灯产生的光输出可与大多数家庭普遍使用的 75W 白炽灯相媲美。这类 LED 芯片要产生同样的照明量,通常仅需要大约 9W 功率。
这些进步有着重要意义,因为美国能源部已经表示,照明消耗美国所产电力的 22%。LED 照明的广泛使用有可能将照明耗电量削减一半。要正确理解这一点,可以看以下数据,到 2027 年,LED 照明有可能减少的年度能源使用量相当于 5 亿桶石油,伴随而来的是二氧化碳排放量也降低了。
汽车也需要 LED
今年,高亮度 LED 的市场规模预计将达到 120 亿美元,到 2015 年,预计将增长到 202 亿美元,年复合增长率达到了 30.6% (根据Strategies Unlimited 的研究)。驱动这种显著增长的关键应用领域之一是用于汽车中的 LED。应用包括从前灯、白天行车灯和刹车灯到仪表板显示器背光照明、以及所有种类的车内梳妆照明。不过,为了保持这种令人印象深刻的增长率,LED 不仅必须提供更高的可靠性、更低的功耗和更紧凑的外形尺寸,还必须在对比度和颜色准确度方面做出改进。此外,在汽车环境中,所有这些改进都必须进行优化,同时还要承受相对苛刻的汽车电气及物理环境的考验。不言而喻,用在汽车中的解决方案必须提供非常扁平和紧凑的占板面积,同时还要提高总体成本效益。
不过,汽车照明领域这种令人印象深刻的增长潜力是由哪些因素支撑的呢? 首先,LED 的发光效率是白炽灯泡的 10 倍,而且几乎是荧光灯 (包括冷阴极荧光灯) 的两倍, 因此降低了提供给定的光输出量 (以 lm/W 为单位衡量) 所需的电功率。随着 LED 的进一步发展,其效用或从电源产生光输出的能力只会继续提高。其次,我们是一个关注环保的世界,而 LED 照明不需要处理、暴露和弃置于冷阴极荧光灯 (CCFL) 中常见的有毒水银蒸气。简言之,LED 是“绿色”的。最后,白炽灯泡在使用约 1000 小时以后,常常需要更换,而荧光灯可以持续使用长达 1 万小时。不过,与 LED 照明提供超过 10 万小时的寿命相比,这些数字就相形见绌了。
在大多数应用中,这种更长的工作寿命使 LED 能永久性地嵌入到最终应用中。这对汽车仪表板、仪器以及信息娱乐系统显示器的背光照明而言,显然非常重要,不过,对于前灯和刹车灯来说,长工作寿命也成了“必须具备”的成份,因为在汽车工作寿命期内,这些灯就不需要更换了。此外,LED 的外形比其他灯可小好几个位量级,也更紧凑,而且通过红、绿和蓝光 LED 配置,可以提供无限多种颜色。
不过,汽车照明系统设计师面临的最大障碍之一是,怎样优化最新一代 LED 具有的所有特色和益处。因为 LED 一般需要一个准确和高效率的电流源和一种调光方法,LED 驱动器 IC 必须设计成能在多种工作条件下满足这些要求。另外,它们的电源解决方案必须非常高效、坚固和可靠,同时还必须非常紧凑和富有成本效益。可以说,就驱动 LED 而言,最苛刻的应用之一将是前灯组装 (由远光灯和近光灯、白天行车灯、雾灯和转向信号指示灯组成),因为这些灯处于严酷的汽车电气环境中,同时必须适应范围很宽的温度变化。与此同时,这些灯还必须能放入非常受限的空间中,并具富吸引力的成本结构。
面向汽车前灯应用的新型 LED 驱动器 IC
LT3791 是一款同步 4 开关降压-升压型 LED 驱动器和稳压器控制器,非常适用于驱动汽车前灯应用中的高亮度 LED。该控制器用高于、低于或等于输出电压的输入电压工作。该器件具有 4.5V 至 60V 的输入范围和 0V 至 60V 的输出范围,还能在工作模式之间无缝转换。

图 1:LT3791 以高达 100W 的功率驱动一个 3A LED 阵列
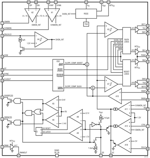
一个以地为参考的基准电压反馈引脚 (FB) 用作几个 LED 保护功能的输入,并使转换器能作为恒定电压源工作,如图 1 原理图所示。该器件提供故障保护,以承受并报告 LED 开路或短路情况,同时定时器允许 LT3791 连续运行、在发生故障时锁断或重启。
LT3791 具有专有的电流模式拓扑和控制架构,在降压或升压模式均使用电流检测电阻器。被检测的电感器电流由 VC 引脚上的电压控制 (参见图 2),该引脚是反馈放大器 A11 和 A12 的输出。

图 2:LT3791 方框图
该 VC 引脚由 3 个输入控制,一个来自输出电流环路,另一个来自输入电流环路,最后一个来自反馈环路。哪一个反馈环路电压较高,哪一个就优先,从而强制转换器或者进入恒定电流模式,或者进入恒定电压模式。
LT3791 设计为在两种工作模式之间彻底转换。再次参见图 2 所示的方框图,电流检测放大器 A1 检测 IVINP 和 IVINN 引脚之间的电压,并向放大器 A11 提供预增益。当 IVINP 和 IVINN 之间的电压达到 50mV 时,A1 的输出就提供 IVINMON_INT,以使 A11 的输出倒相,而且转换器处于恒定电流模式。如果电流检测电压超过 50mV,那么 A1 的输出就提高,从而引起 A11 的输出降低,进而降低提供给输出的电流。电流检测电压以这种方式调节到 50mV。
输出电流放大器的工作过程与输入电流放大器类似,但是具 100mV 电压而不是 50mV。输出电流检测值是通过 CTRL 引脚可调的。强制 CTRL 达到低于 1.2V,就可强制 ISMON_INT 达到与 CTRL 相同的值,从而提供电流大小控制。输出电流放大器提供轨至轨工作。类似地,如果 FB 引脚高于 1.2V,那么 A11 的输出就降低,以减少电流值,并调节输出。这是恒定电压模式。
LT3791 提供监视引脚 IVINMON 和 ISMON,这两个引脚的电压分别与输入和输出电流放大器上的电压成正比。
结论
在任何类型环境 (包括汽车) 中使用 LED 照明的好处具有多项积极的意义。首先,这些 LED 灯从不需要更换,因为它们的可靠寿命超过了 10 万小时,相当于 11.5 个使用年限。以汽车前灯为例,这允许汽车制造商永久性地将 LED 灯嵌入到车体中,而不需要为了更换而让 LED 灯能拿出来。款式也有可能有很大的改变,因为 LED 照明系统不需要白炽灯泡那么大的深度或面积。最后,在提供光输出 (以 lm/W 为单位衡量) 方面,LED 一般还比荧光灯效率高。这产生了两个积极影响。首先,LED 灯消耗更低的汽车总线电功率,另外,同样重要的是这降低了需要在前灯中散出的热量,从而不再需要笨重、昂贵的散热器。
最后,希望您喜欢这篇光的简史,从近 140 亿年前的宇宙大爆炸到今天 LED 开始占据主导地位,光的发展可谓多彩多姿。回顾过去,我们可以清晰地看到,人造光源的创新步伐已达到了以指数规律加快。显然,LED 的未来一片光明,而白炽灯时代已经显露黯然之态。不过,我们仍然有一个挥之不去的问题:“照明领域的下一件大事会是什么?”敬请关注。