背景
 用于测量和控制用途的超低功率无线传感器节点在大量增加,这种情况与新的能量收集技术相结合,已经使得有可能产生完全自主运行的系统,即由周围环境中的能源而不是电池供电的系统。用周围环境中的能源或“免费”能源给无线传感器节点供电这种方法很有吸引力,因为这种方法可以对电池电源起到补充作用,或者完全不再需要电池或导线。当更换电池或电池维护不方便、昂贵或危险时,这种方法具有显然的优势。
 完全不用导线还使得很容易大规模扩展监视和控制系统。能量收集无线传感器系统在多种多样的领域简化了安装和维护,例如楼宇自动化、无线 / 自动计量和预测性维护、以及其他无数的工业、军事、汽车和消费类应用。能量收集的好处很明显,但是有效的能量收集系统需要一种聪明的电源管理方法,以将极其微量的免费能源转换成无线传感器系统可用的形式。
一切都归结为占空比问题
 很多无线传感器系统都消耗非常低的平均功率,因此成为了用能量收集方法供电的首选系统。很多传感器节点都用来监视变化缓慢的物理量。因此,不用经常进行测量和发送测量结果,这使得系统以很低的占空比运行,相应地,平均功率需求也很低。例如,如果一个传感器系统在唤醒时需要 3.3V/30mA (100mW),但每秒钟仅有 10ms 处于工作状态,那么假定在发送突发数据中间的非工作状态,传感器系统的电流降至几微安,则所需的平均功率仅为 1mW。如果同样的无线传感器每分钟、而不是每秒钟仅采样和发送一次,那么平均功率就会降至不到 20µW。这种差别非常重要,因为大多数能量收集方法提供的稳定状态功率都非常低,通常不高于几毫瓦,在有些情况下仅为几微瓦。应用所需的平均功率越低,就越有可能用收集的能量供电。
能量收集来源
 最常见的可收集能源是振动 (或运动)、光和热。所有这些能源的换能器都有 3 个共同特点:
 1.电输出是不稳定的,不适合直接用来给电子电路供电
 2.也许不能提供连续的、不间断的电源
 3.一般产生非常低的平均输出功率,通常在 10µW 至 10mW 范围
如果要用这些能量源来给无线传感器或其他电子产品供电,那么面向上述特点要求,就要进行审慎的电源管理。
电源管理:能量收集中缺少的环节
 由收集能量供电的典型无线传感器系统可以划分成 5 个基本组成部分,如图 1 所示。除了电源管理部分,其他所有部分通常都面市有一段时间了。例如,以毫瓦功率运行的微处理器、小型和经济实惠的 RF 发送器、以及消耗非常低功率的收发器都可以广泛地得到。低功率模拟和数字传感器也是无处不在。

图 1:典型无线传感器系统配置
在实现这种能量收集系统链路时,缺失的一环始终是可以依靠一个或多个常见免费能源工作的功率转换器 / 电源管理构件。能量收集的理想电源管理解决方案应具有小巧、易用的特点,在采用由常见的能量收集源产生的异常高或低电压工作时良好地运行,并在理想的情况下提供与源阻抗的上佳负载匹配以实现最优的功率传输。电源管理器本身在管理累积能量时所需消耗的电流必须非常小,且应在使用极少分立组件的情况下产生稳定的输出电压。
有些应用 (例如: 无线 HVAC 传感器或地热供电的传感器) 给能量收集电源转换器造成了另一种独特的挑战。这类应用要求能量收集电源管理器不仅能用非常低的输入电压工作,而且能随着热电发生器 (TEG) ∆T 极性的变化,用任一极性的电压工作。这是一个非常具有挑战性的问题,在数十或数百毫伏电压情况下,二极管桥型整流器不是一个可行的选择。
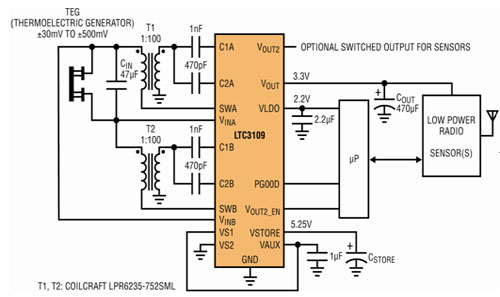
LTC3109 采用 4mm x 4mm x 0.75mm 20 引脚 QFN 或 20 引脚 SSOP 封装,解决了任一极性超低输入电压源的能量收集问题。该器件能以低至 ±30mV 的输入电压工作,提供了紧凑、简单、高度集成的单片电源管理解决方案。这种独特能力使该器件能用 TEG 给无线传感器供电,而 TEG 可从低至 2°C 的温度差 (∆T) 中收集能量。运用两个小型 (6mm x 6mm) 现成有售的降压型变压器和少数低成本电容器,该器件就可提供为今天的无线传感器电子产品供电所必需的稳定输出电压。
LTC3109 运用这些降压型变压器和内部 MOSFET 形成一个谐振振荡器,该振荡器能用非常低的输入电压工作。运用 1:100 的变压比,该转换器能以低至 30mV 的输入启动,而无论电压是哪种极性。变压器副端绕组向充电泵和整流电路馈送电压,以给该 IC 供电 (通过 VAUX引脚),并给输出电容器充电。2.2V LDO 输出设计为首先稳定,以尽快给低功率微处理器供电。之后,主输出电容器被充电至通过 VS1和 VS2引脚设定的电压 (2.35V、3.3V、4.1V 或 5.0V),以给传感器、模拟电路、RF 收发器供电,甚至给超级电容器或电池充电。当无线传感器工作并发送数据时,VOUT存储电容器在低占空比负载脉冲期间提供突发能量。另外,还提供开关输出 (VOUT2),以给没有停机或低功率休眠模式的电路供电,该开关输出很容易通过主器件控制。还包括一个电源良好输出以提醒主器件,主输出电压接近其稳定值了。图 2 显示了 LTC3109 的电路原理图。

图 2:适用于单极性输入工作方式的 LTC3109 原理图
一旦 VOUT充电到稳定状态,那么收集的电流就转而进入 VSTORE引脚,以给可选的大型存储电容器或可再充电电池充电。如果能量收集电源处于间歇状态,那么这种存储单元可用来保持稳定或给系统供电。VAUX引脚上的并联稳压器防止 VSTORE充电至高于 5.3V。运用一个典型的 40mm2 TEG,LTC3109 可以用低至 2°C 的 ∆T 工作,从而使该器件适用于种类繁多的能量收集应用。较大的 ∆T 使 LTC3109 能提供更大的平均输出电流。该转换器的输出电流随 VIN 变化的曲线如图 3 所示,这条曲线说明 LTC3109 用任一极性的输入电压都能同样良好地发挥作用。

图 3:LTC3109 输出电流随输入电压的变化
热电发生器
 热电发生器 (TEG) 其实就是热电模块,它利用塞贝克 (Seebeck) 效应将设备上的温差 (以及由于温差所导致的流过设备的热量) 转换为电压。这一现象的逆过程 (被称为帕尔帖 [Peltier] 效应) 则是通过施加电压而产生温差,并为热电冷却器 (TEC) 所惯用。输出电压的极性取决于 TEG 两端温差的极性。如果 TEG 的热端和冷端掉换过来,那么输出电压就将改变极性。
TEG 由采用电串联连接并夹在两块导热陶瓷板之间的N型掺杂和P型掺杂半导体芯片对或偶所构成。最常用的半导体材料是碲化铋 (Bi2Te3)。图 4 示出了 TEG 的机械构造。

图 4:TEG 的典型机械构造
有些制造商将 TEG 与 TEC 区分开来。当作为 TEG 销售时,通常意味着用于装配模块内部电偶的焊料具有较高的熔点,故可在较高的温度和温差条件下工作,因而能够提供高于标准 TEC (其最大温度通常限制在 125°C) 的输出功率。大多数低功率能量收集应用不会遇到高温或高温差的情况。TEG 的尺寸和电气规格多种多样。大多数常见的模块都是方形的,每边的长度从10mm到50mm不等,厚度一般为2mm~5mm。
对于一个给定的 ΔT (与塞贝克系数成比例),TEG 将产生多大的电压受控于诸多的变量。其输出电压为每 K 温差 10mV 至 50mV (取决于电偶的数目),并具有 0.5Ω 至 10Ω 的源电阻。一般而言,对于给定的 ΔT,TEG 所拥有的串联电偶越多,其输出电压就越高。然而,增加电偶的数目同时也将增加 TEG 的串联电阻,从而导致在加载时产生较大的压降。制造商可以通过调整个别半导体芯片的尺寸和设计对此进行补偿,以在保持低电阻的同时仍然提供一个较高的输出电压。在选择 TEG 并使其与散热器相匹配的过程中,TEG 的热阻是另一个需要考虑的因素。
负载匹配
 为了从任何电压源抽取最大功率,负载阻抗必须与电源的内阻匹配。图 5 所示的例子说明了这一点,在该例中,开路电压为 100mV、电源阻抗为 1Ω 或 3Ω 的电压源驱动一个负载电阻器。

图 5:电压电源驱动阻性负载的简化原理图
图 6 显示了提供给负载的功率,该功率是负载电阻的函数。在每条曲线中都可以看到,当负载电阻与电源电阻匹配时,提供给负载的功率最大。

图 6:电源的输出功率是负载电阻的函数
LTC3109 对输入电源呈现出 2.5Ω 的最小输入电阻。(请注意,这是转换器的输入电阻,而不是该 IC 本身的输入电阻。) 这一电阻值落在大多数 TEG 电源电阻范围的中间部份,从而提供了良好的负载匹配,以实现接近最佳的功率传递。LTC3109 设计为: 随着 VIN 下降,输入电阻增大。这一特点允许 LTC3109 很好地适应具不同源电阻的 TEG。
为发电选择 TEG
 大多数热电模块制造商都不提供输出电压或输出功率随温差变化的数据,而这正是热能收集器设计师想看到的东西。其他一些可能有用的 TEG 参数是电气 (AC) 电阻和热阻。制造商也不总是提供这些参数。两个总是提供的参数是 VMAX和 IMAX,这是特定模块 (当受到加热 / 冷却应用驱动时) 的最大工作电压和最大工作电流。VMAX除以 IMAX将得到该模块电阻的近似值。
如果有大量热流可用,那么在 TEG 的一侧可以提供充分的散热,为发电而选择热电模块时,一个良好的经验法则是,就给定尺寸而言,选择 (VMAX* IMAX) 之积最大的模块。这样选择以后,一般能提供最高的 TEG 输出电压和最低的电源电阻。使用这个经验法则时,有一点需要提醒的是,散热器的尺寸必须按照 TEG 的大小确定。为了实现最佳性能,较大的 TEG 需要较大的散热器。请注意,电阻如果已给定,那么给定的是 AC 电阻,因为利用传统方法,该电阻无法用 DC 电流测量,DC 电流会产生席贝克电压,而该电压又会导致错误的电阻读数。就可用热流有限和 / 或必须使用较小散热器的应用而言,最好选择其热阻与最大可用散热器匹配的 TEG 。
图 7 显示,在 1°C 至 20°C 的 ∆T 范围内,一个 30mm2的 TEG 之输出电压和最大输出功率。在这一温差范围内,输出功率从数百微瓦变化到数十毫瓦。注意功率曲线假设一个理想负载匹配并且没有转换损耗。最终,由 LTC3109 将其升高到更高的电压后,由于电源转换损失,可用输出功率会变小。LTC3109 的数据表针对几种不同工作条件,提供了几条可用输出功率曲线。

图 7:采用一个 30mm2 TEG 时的开路电压和最大功率耗散
 就给定应用而言,所需 TEG 的尺寸取决于最小可用 ∆T、负载所需的最大平均功率以及用来保持 TEG 一侧处于环境温度的散热器热阻。
热考虑
 当在温度不同的两个表面之间放置一个 TEG 时,加入 TEG 之前的“开路”温差高于放置 TEG 之后 TEG 两侧的温差。这是因为, TEG 本身的两个面板之间有相当低的热阻 (典型值为 1°C/W 至 10°C/W)。
例如,考虑以下情况,一个正在运行的大型机器之表面温度为 35°C,周围环境温度为 25°C。将一个 TEG 安装到该机器上时,必须给该 TEG 温度较低 (环境温度) 的一侧增加散热器,否则,整个 TEG 会受热升高到接近 35°C,从而消除了任何温度差。请记住,输出电功率是通过 TEG 的热流产生的。
在这个例子中,散热器和 TEG 的热阻决定,在 TEG 两侧总共存在多大的 ∆T。该系统的简单热模型如图 8 所示。

图 8: TEG 和散热器的热阻模型
假定热源的热阻 (RS) 可以忽略不计,TEG 的热阻 (RTEG) 为 6°C/W,散热器的热阻为 6°C/W,那么 TEG 上产生的 ∆T 仅为 5°C。从一个其上仅有几度温差的 TEG 仅能产生很低的输出电压,这突出显示了 LTC3109 能用超低输入电压工作所具有的重要性。
请注意,与较小的 TEG 相比,较大的 TEG 因为表面积较大,所以通常有较低的热阻。因此,在应用中,若在 TEG 一侧使用相对较小的散热器,那么与较小的 TEG 相比,较大的 TEG 上的 ∆T 将较小,因此也许未必提供更大的输出功率。在任何情况下,使用具最低热阻的散热器,都能通过最大限度地增大 TEG 上的温差,而最大限度地增大电输出。
对于有较大温差 (即较高的输入电压) 可用的应用而言,匝数比较小的变压器 (例如 1:50 或 1:20) 可用来提供较大的输出电流。作为一个一般性的规则,在有负载情况下,如果最低输入电压至少为 50mV,那么建议使用 1:50 的匝数比。如果最低输入电压至少为 150mV,那么建议使用 1:20 的匝数比。
具电池备份的超低功率应用
 有些应用是连续运行的。这类应用传统上由小型主电池供电 (例如 3V 锂离子币形电池)。如果功率需求足够低,那么这类应用可以靠热量收集连续供电,或者可以利用热量收集来极大地延长电池寿命,从而降低维护成本。当所有电子产品消耗的功率低于能量收集电源能提供的功率时,只要 TEG 上存在温差,LTC3109 能连续给负载供电。在这种情况下,电池上没有负载。当收集的能量不够用时,备份电池无缝地加入进来,并给负载供电。
结论
 LTC3109 能独特地以低至 ±30mV 的输入电压工作,提供了一种简单和高效的电源管理解决方案,该解决方案使得能从常见的热电器件利用热能收集给无线传感器以及其他低功率应用供电。LTC3109 采用 20 引脚 QFN 或 SSOP 封装,提供前所未有的低压能力和高集成度,以最大限度地减小解决方案尺寸。LTC3109 与现有低功率基本构件无缝连接,以支持自主工作的无线传感器,并在关键电池备份应用中延长电池寿命。