1 引言
同步电动机运行稳定性和可靠性对工业生产有重要的影响。单片机用于同步电动机励磁控制由于软件丰富,能使励磁装置结构简化、功能增多且易于实现复杂的控制规律,同时还具有参数整定灵活,使用维护方便和故障自诊断功能。目前,国内许多基于单片机的同步电动机励磁控制系统与传统的模拟励磁控制系统相比性能有很大的提高,但因为采用的单片机内部资源较少使得单片机外围电路复杂,其内部控制程序采用查表的方法,这样影响了整个励磁控制系统的精度、快速性和稳定性。PIC16F877单片机内部资源丰富,广泛应用于工业控制领域。我们研制了基于PIC16F877单片机的同步电动机新型智能励磁控制系统,控制程序可以实时计算,利用内部的捕捉单元可以很容易实现自动投励、全压投切电路。同时我们通过控制晶闸管移相整流模块的控制端电压来控制整流模块的输出,使得整个系统硬件电路简单、调试维护方便、系统性能较高。
2 系统组成与工作原理
同步电动机新型智能励磁控制系统的硬件结构图如图1所示。包括整流变压器、晶闸管移相整流模块、灭磁电路、投励投全压信号转换电路、励磁电流反馈信号转换电路、PIC单片机控制电路、键盘及液晶显示电路、保护跳闸电路、RS-232C接口电路。
 
当同步电动机的定子合上电源时,同步电动机进入异步运行状态,通过单片机的I/O口控制灭磁继电器使灭磁电路工作,转子感应交变电压的正负半波都通过灭磁电阻,且正负半波电流对称,以保证同步电动机具有良好的异步驱动特性。在此期间单片机控制晶闸管移相整流模块的输出为零。同步发电机的投全压、投励时刻通过检测电机的滑差确定。当转速上升到同步转速的90%左右投全压;当转速上升到同步转速的95%左右采用“超前顺极性投励”方式,自动准确的选择在最佳的分离角处投励。同时系统具有后备时间投全压、投励环节(可以通过键盘设置)。投励之后,断开灭磁电路,单片机PWM输出引脚的输出经光耦隔离、施密特整型电路、滤波电路之后控制晶闸管移相整流模块的控制端电压,晶闸管移相整流模块的输出直流电压施加于电动机励磁绕组两端,同步电动机被牵入同步运行,起动完毕。
同步电动机正常运行时,系统对励磁电流进行闭环PID调节实现恒流励磁,励磁电流不受交流电网波动及励磁绕组热态电阻变化的影响,并且可以通过键盘改变励磁电流的大小。通过调节励磁电流的大小可以调节同步电动机的功率因数。
由于某些因素造成过励、欠励、失步时单片机可以自动检测,经延时后自动给出跳闸信号并显示故障类型。单片机自动检测励磁装置温度,并与温度设定值比较自动开停风机。
3 硬件电路设计
3.1 PIC16F877单片机控制单元
PIC16F877具有高性能类RISC CPU,20MHz时钟输入时,指令周期为200ns,8K字(14位字长)的FLASH程序存储器,368字节的RAM,256字节的EEPROM,带有片内RC振荡器的WDT以保证可靠工作[3]。PIC16F877有强大的外围功能模块,有三个定时器,16位捕捉输入的最大分辨率为12.5ns,脉宽调制(PWM)输出的最大分辨率为10位,10位多通道A/D转换器。PIC16F877还具有多达14个的内部/外部中断源。
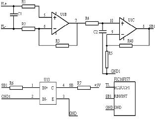
3.2 滑差信号捕捉电路
滑差信号捕捉电路如图2所示。对电机滑差大小的检测是根据转子回路内测取的转子电压波形经过零比较电路转换成方波,通过光耦隔离输入PIC16F877的CCP1捕捉引脚,根据捕捉到的方波脉冲宽度可以准确的确定投全压、投励时刻。通过控制单片机的I/O口与隔离电路控制相应的继电器以实现投励、投全压动作。
 
图2 滑差信号捕捉电路
3.3 失步保护电路
同步电动机失步时会在其转子回路产生不衰减的交变电流分量,通过测取转子励磁回路分流器上的交变电流信号,对其波形特征进行分析即可快速、准确判断电机是否失步。电动机失步是很严重的事故,必须快速、准确的判断。因此我们把失步毫伏信号通过放大电路、比较电路转换成方波信号经光耦隔离接到PIC单片机的外部中断输入管脚。单片机通过检测方波信号的频率来判断电机是否失步,还是励磁回路产生了同步振荡。失步信号转换电路如图3所示。
当电机失步后,立即封锁PWM输出,复位投励继电器,使电机进入异步驱动阶段。此后电机转速上升,待进入临界滑差后,按准确强励对电机实施整步,使电机恢复到同步状态。如整步失败,单片机发出跳闸信号动作于跳闸回路,保护继电器动作,液晶显示“失步”。
 
图3 失步信号转换电路
3.4 励磁电流采样电路
从串联在励磁回路的分流器上测取励磁电流信号。假设分流器变比为300A/75mv,同步电动机转子稳定运行励磁电流为150A,那么测得与电流成比例的电压37.5mv。再通过放大电路经光耦隔离(光耦工作在线性工作区,+5V供电电源)接到PIC单片机A/D管脚。单片机对光耦输出端采样就可以得到与励磁电流大小成比例的电流信号。
4 软件设计
系统软件采用PIC单片机的HI-TECH PIC C语言编程,人机界面友好,操作简单。系统软件采用模块化结构,分别由主控程序、显示程序、捕捉程序、数据采集程序、PID运算程序、过励欠励检测程序、失步检测程序、温度检测程序及中断服务程序等程序模块组成,软件流程如图4所示。可以方便、灵活的添加、删除功能模块。
5 结束语
基于PIC单片机设计的同步电动机新型智能励磁控制系统,利用PIC16F877单片机的捕捉单元及方波转换电路方便、准确的在同步电动机进入“亚同步”状态时投励完全消除了电机起动过程中的脉振和投励冲击现象;采用数字PID控制算法实时性好、可靠性高;利用PIC单片机的PWM单元及滤波电路实现了PID控制运算结果的D/A转换,外围电路简单系统实时性强;软件设计采取了抗外界干扰措施,使系统具有较强的环境适应性和较高的可靠性。该系统在某工厂动力分厂拖动空气压缩机的同步电动机上进行了试用,证明系统具有较强的可操作性、可维护性和可靠性,并且结构简单、现场安装调试方便、运行稳定。