基于Multisim10的8路彩灯控制系统设计与仿真.pdf
        
        
           
           
                  时间:08-20 15:57
                  查看:1664次
                  下载:163次
           
           
                      
           
		          
                   简介:
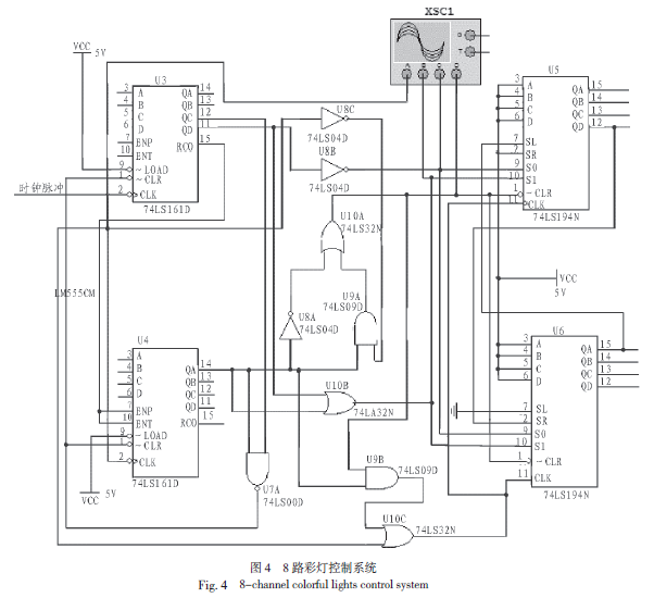
采用数字集成电路的控制方法,结合计数器74LS161、寄存器74LS194 设计了一款8 路彩灯控制系统,可以实现双向流水及闪烁。详细介绍了电路的设计原理及构成方法,并以Multisim10 软件为平台,利用信号发生器、示波器、逻辑分析仪等虚拟仪器对各单元电路及整体电路进行了分析与仿真,结果证明了设计电路功能与理论分析的一致性。所述方法的创新点是将电路设计与软件仿真相结合,提高了电路设计的效率。

 


