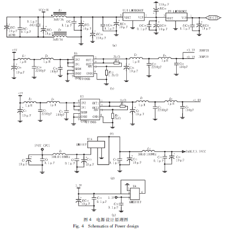
基于CPCI结构变频器若直接采用CPCI机箱内部的开关电源,存在较为严重的电磁干扰,为了消除此电磁干扰,文中通过分析基于CPCI结构变频器的电磁干扰源及切断干扰源的方法,设计了一种电源处理方式,通过实际电路的杂散指标测试,得出该处理方式可以有效地隔离数字电路与模拟电路间的电磁干扰,降低开关电源对变频器的干扰及其输出纹波。此外,本设计可以为其他接收机电源设计提供参考。
Altium Designer视频教程 2.电子设计基础知识b
开关电源原理与维修视频教程
张飞硬件设计与开发 第六部 开关电源
开关电源电路设计的介绍
准谐振开关电源设计详解
开关电源原理与维修
开关电源原理与维修31
开关电源设计软件的介绍
Cocktail
x