基于ARM的轨枕张拉系统设计.pdf
时间:08-25 11:46
查看:986次
下载:162次
简介:
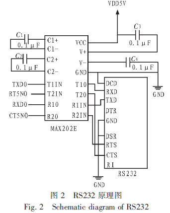
为了提高轨枕预应力张拉系统的控制精度、系统的稳定性,减少生产现场由于粉尘较多导致操作按钮、外置键盘的损坏故障,实现远距离实时监控生产数据的需求,提出了一种基于S3C6410为核心的轨枕张拉系统设计方案,并完成了该系统的软硬件设计。文中以三星S3C6410为嵌入式微处理器作为硬件平台,通过移植嵌入式操作系统linux,实现对轨枕预应力张拉自动控制。实际应用表明,该系统具有控制精度高、稳定性好、实时跟踪、智能控制的优点。


