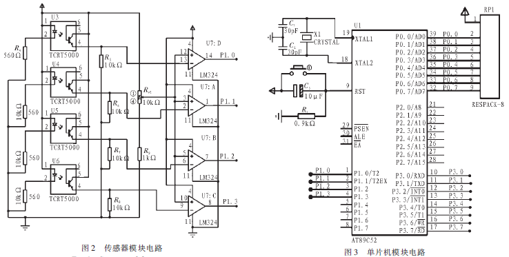
介绍了一种采用STC89C52、L298N和TCRT5000设计的智能循迹和红外遥控的小车。智能循迹采用红外传感器检测路面信息,传递给单片机自动分析处理,最后控制电机调节小车按预定轨道平稳行驶。红外遥控部分是手动模式,单片机解码遥控器发出的指令,控制电机操纵小车。液晶显示模块使操作更加简单、智能、人性化。实践表明,小车能够准确实现沿黑线轨道平稳行驶和接收遥控器指令。
深入浅出玩转STC15单片机-第03讲_如何学习STC15单片机
2.C51智能小车零基础操作篇2—智能小车驱动安装方法(全屏高清)
1.HJ-4WD智能小车零基础操作篇1-新手必看(全屏高清)
深入浅出玩转STC15单片机-第11讲_模块化编程实例介绍
深入浅出玩转STC15单片机-第17讲_数码管驱动器件74HC595的介绍
ASR M08-A语音识别控制模块 语音控制单片机
11.C51智能小车零基础入门篇1—51单片机最小系统(全屏高清)
郭天祥PIC单片机视频教程lesson1_1
x