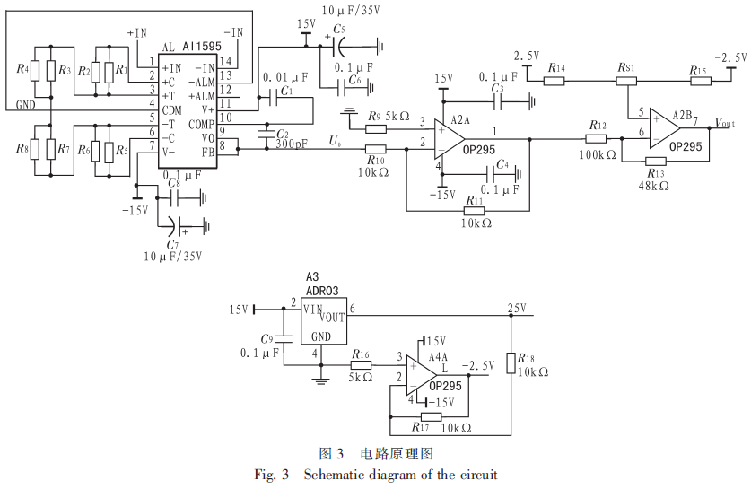
用热电偶测量温度是航空温度测量中应用最广泛的一种方式,常用来测量高温气流及高速气流。提出了一种可以应用于管道内流体测量的热电偶测温系统的设计方法:以热电偶作为感温元件,配合变换器实现准确可靠的温度测量,输出的电压信号与对应温度成线性关系。通过设计实例及试验,验证了系统的精度性能,实现了预期的设计目标。
EasyEDA1.2电路原理图、spice及PCB设计主界面介绍
毕业设计基于51单片机超声波测距仪测距系统倒车雷达(含语音播报)
基于51单片机水位符码开关智能 烧水
基于51单片机阶梯波信号发生器毕业设计课程设计
基于51单片机24位AD电子称设计毕业设计课程设计
课程设计作品演示视频 超声波测距NRF905无线传输
单片机 AD 调压、调光
labview入门——布尔和数组
x