PIC16C54C锁相环程序.doc
时间:09-22 14:10
查看:976次
下载:162次
简介:
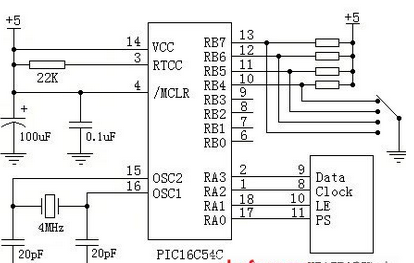
PIC16C54C为8位单片机,指令字长12位,全部指令都是单字节指令,系统为哈佛结构,数据总线和程序总线各自独立分开,数据总线宽度为8位,程序总线宽度为12位,内部程序存储器为512×12位,内部数据寄存器为32×8位。
PIC16C54C有12根双向可独立编程I/O引脚,分为PortA和PortB两个端口,其中PortA为RA0~RA3,PortB为RB0~RB7,每根I/O引脚可由程序来编程决定其输入输出方向。
PIC16C54C提供四种可选振荡方式:
- RC,低成本的阻容振荡方式
- XT,标准晶体/陶瓷振荡
- HS,高速晶体/陶瓷振荡
- LP,低功耗,低频晶体振荡
