16×16点阵LED电子显示屏的设计-课程设计
        
        
           
           
                  时间:10-25 15:54
                  查看:1788次
                  下载:162次
           
           
                      
           
		          
                   简介:
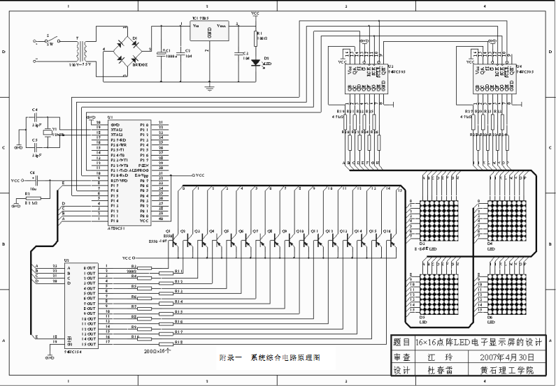
本设计是一16×16点阵LED电子显示屏的设计。 
整机以美国ATMEL 公司生产的40脚单片机AT89C51为核心,介绍了以它为控制系统的LED点阵电子显示屏的动态设计和开发过程。通过该芯片控制一个行驱动器 74HC154和两个列驱动器74HC595来驱动显示屏显示。该电子显示屏可以显示各种文字或单色图像,全屏能显示1个汉字,采用4块8×8点阵LED显示模块来组成16×16点阵显示模式。显示采用动态显示,使得图形或文字能够实现静止、移入移出等多种显示方式。文中详细介绍了LED点阵显示的硬件设计思路、硬件电路各个部分的功能及原理、相应软件的程序设计,以及使用说明等。 
单片机控制系统程序采用单片机汇编语言进行编辑,通过编程控制各显示点对应LED阳极和阴极端的电平,就可以有效的控制各显示点的亮灭。所显示字符的点阵数据可以自行编写(即直接点阵画图),也可从标准字库中提取。 
LED显示以其组构方式灵活、显示稳定、功耗低、寿命长、技术成熟、成本低廉等特点在车站、证券所、运动场馆、交通干道及各种室内/外显示场合的信息发布,公益宣传,环境参数实时,重大活动倒计时等等得到广泛的应用。 
经实践证明,该系统显示误差小,性能稳定,结构合理,扩展能力强。
