LED实现大屏幕时钟的电路图设计
        
        
           
           
                  时间:10-27 10:52
                  查看:1858次
                  下载:162次
           
           
                      
           
		          
                   简介:
基于在对单片机研究的基础上,本文提出了一种以AT89C51为核心的单片机构成数字电子钟的看法。AT89C51芯片是美国ATMEL公司生产的低电压、高性能8位单片机,片内含2KB的可反复擦写的只读程序存储器128 bytes的随机存储数据存储器(RAM),器件采用高密度,非易失性存储技术生产,兼容标准MCS-51指令系统,片内置通用中央处理器和flash存储单元。因此,在此基础上进行了数字电子钟设计的工作,给出数字电子钟的软件和硬件的设计。考虑到存在的各种干扰对系统的影响,从软件和硬件设计方面进行分析,采用相应的措施以增强系统的抗干扰能力。 
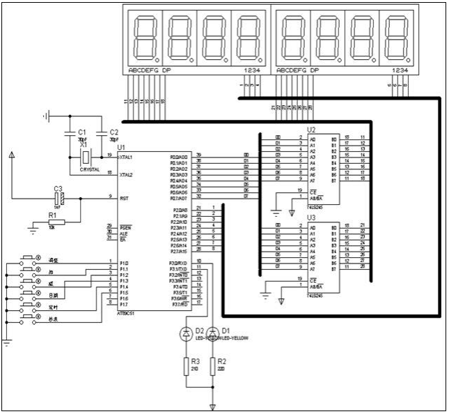
该钟的显示电路采用LED数码管与AT89C51的外部I/O引脚,即采用P0口为输出口,P2口为位选,P1用来与外部输入按钮相连接,以用来控制数字钟的各个功能。P0口要直接驱动8位LED是不够的,我们通过两片74LS245对功率进行放大,如果没有,LED管将不能正常显示。
