心率测试仪设计的毕业论文
时间:10-29 10:28
查看:1201次
下载:162次
简介:
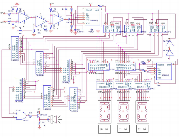
本次设计的主要内容是设计个由取样电路、放大整形电路、计数显示电路、比较报警电路组成的脉蝉信号实时采集系统。采用间集成1立、间性能、低功耗、间房i问边的集1&A巳、片实现计数译码校块。具有时35 信号频率稳定,设置合理, 计数器泊苓及时等优点a 设tt的主要结果归纳如下:
(1) 研究了PVDF 压电脉搏传感器的设计原理和优点
(2) 讨论了滤ilJi器的作用
(3) 放大电路的设计
(4 ) 电压比较及波形整形电路的选择
(5) 计数器的比较与边择
(6) 译码显示设计
(7) 定时控制系统
( 8) 报警控制
