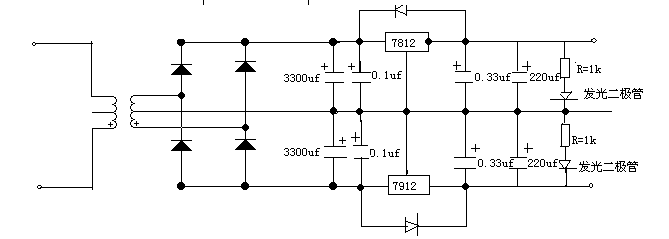
用四个整流二极管组成单相桥式整流电路,将交流电压U2变成脉动的直流电压,为了减小电压的脉动,再经滤波电容C1滤除纹波,输出直流电压Ui ,UI=1.2U2
为了获得较好的滤波效果,在实际电路中,应选择滤波电容的容量满足RLC=(3~5)T/2的条件。两个二极管分别与LM7812和LM7912反向并联,取到保护电路的作用。同时在后面有两个发光二极管监视电路。
野火STM32视频教程:16-DAC正弦波
野火STM32教程(基础)16.DAC正弦波
avr学习系列 生成的正弦波
单片机毕设调试指导视频9、继电器调试与外接负载方法
基于FPGA的交通灯设计(非单片机)-红外遥控通行状态
单片机毕设调试指导视频7、从protel中粘贴清晰图
单片机毕设调试指导视频8、芯片引脚说明
单片机毕设调试指导视频10、仿真软件怎么用(入门)
x