8038信号发生器.doc
时间:11-05 16:37
查看:1511次
下载:162次
简介:
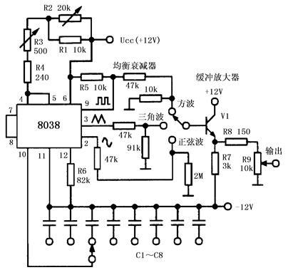
图中的8038 为函数发生器专用IC,它具有3 种波形输出,分别正弦波、方波和三角波,8038的第10脚外接定时电容,该电容的容值决定了输出波形的频率,电路中的定时电容从C1至C8决定了信号频率的十个倍频程,从500μF开始,依次减小十倍,直到5500pF,频率范围相应地从0.05Hz~0.5 Hz~5Hz~50Hz~500Hz~5kHz~50kHz~500kHz,如果C8取250pF,频率可达1MHz。图中的V1、R7、R8构成缓冲放大器,R9 为电位器,用于改变输出波形的幅值。