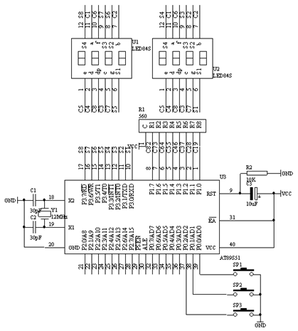
20. 数字钟﹝★﹞
1. 实验任务
(1. 开机时,显示12:00:00的时间开始计时;
(2. P0.0/AD0控制“秒”的调整,每按一次加1秒;
(3. P0.1/AD1控制“分”的调整,每按一次加1分;
(4. P0.2/AD2控制“时”的调整,每按一次加1个小时;
深入浅出玩转STC15单片机-第03讲_如何学习STC15单片机
2.C51智能小车零基础操作篇2—智能小车驱动安装方法(全屏高清)
1.HJ-4WD智能小车零基础操作篇1-新手必看(全屏高清)
深入浅出玩转STC15单片机-第11讲_模块化编程实例介绍
深入浅出玩转STC15单片机-第17讲_数码管驱动器件74HC595的介绍
ASR M08-A语音识别控制模块 语音控制单片机
11.C51智能小车零基础入门篇1—51单片机最小系统(全屏高清)
郭天祥PIC单片机视频教程lesson1_1
x