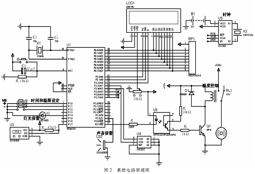
温度作为工业生产中最基本的物理量之一,在工业控制过程有着重要作用。本文利用Proteus仿真平台,设计了基于51单片机的实时温度测控和显示系统,并联合Keil C51完成了软件调试、硬件测试和系统调试,充分提高开发效率、降低开发成本。本设计具有成本低,可靠性好,实时性强等优点,此外,本设计包含了时钟显示模块,可方便的作为主系统的显示界面使用,增加了本系统的应用范围。
基于51单片机的触摸调光LED台灯设计-原理图讲解
基于51单片机指纹密码锁毕业设计
毕业设计基于51单片机超声波测距仪测距系统倒车雷达(含语音播报)
基于51单片机水位符码开关智能 烧水
基于51单片机阶梯波信号发生器毕业设计课程设计
基于51单片机24位AD电子称设计毕业设计课程设计
课程设计作品演示视频 超声波测距NRF905无线传输
单片机 AD 调压、调光
x