基于集成计数器的N进制计数器设计与仿真-课设毕设
时间:12-04 11:32
查看:1760次
下载:162次
简介:
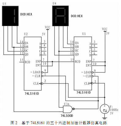
计数器是一种重要的时序逻辑电路,广泛应用于各类数字系统中。介绍以集成计数器74LS161和74LS160为基础,用归零法设计N进制计数器的原理与步骤。用此方法设计了3种36进制计数器,并用Multisim10软件进行仿真。计算机仿真结果表明设计的计数器实现了36进制计数的功能。基于集成计数器的N进制计数器设计方法简单、可行,运用Multisim 10进行电子电路设计和仿真具有省时、低成本、高效率的优越性。
