ATA5823-5824及其在短距离无线通信中的应用.pdf
        
        
           
           
                  时间:01-07 10:44
                  查看:1398次
                  下载:162次
           
           
                      
           
		          
                   简介:
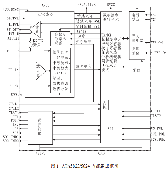
介绍Atmel公司的无线收发器ATA5823/5824的基本工作原理及其在短距离无线传输中的应用。该系统是以C8051F530单片机为控制核心,其内置的A/D转换器将放大的压力、应变等信号转换为数字信号,再通过内置的SPI通信模块传送给ATA5823/5824,经ATA5823/5824编码调制后发射;接收端同样经ATA5823/5824接收并处理后传送至CPU或计算机,实现短距离无线传输。
