HMR3000电子罗盘与DSP的接口设计及编程.pdf
        
        
           
           
                  时间:01-15 11:11
                  查看:892次
                  下载:162次
           
           
                      
           
		          
                   简介:
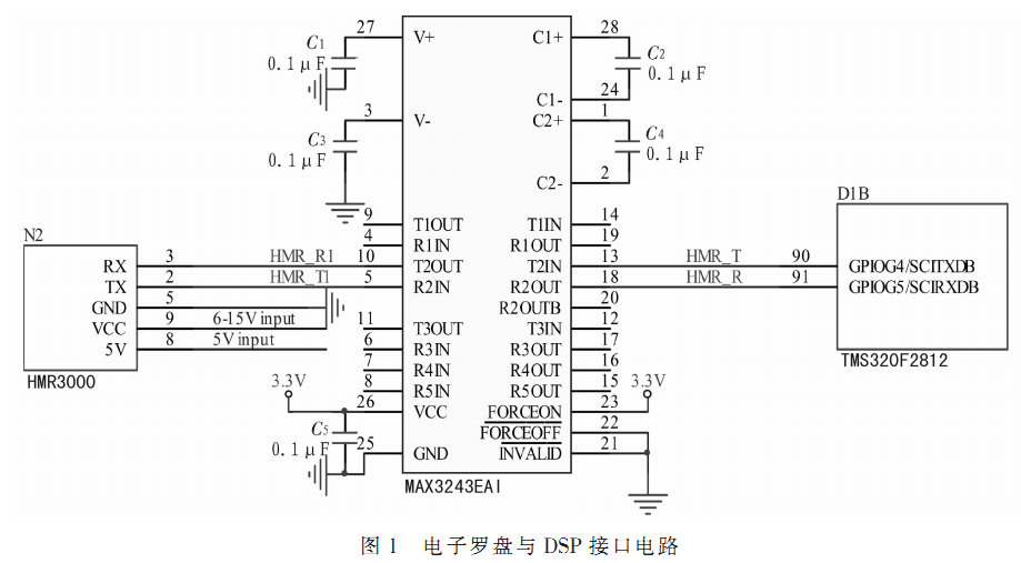
针对光电搜索侦察系统报告搜索到的空中目标当前方位、俯仰位置给后端武器打击系统的需要,在光电搜索系统与后端武器打击系统之间建立大地坐标系是解决此类问题的较好方法, 以便后端武器打击系统指向搜索到的空中目标。介绍了数字电子罗盘HMR3000的接口特性,给出了HMR3000的控制编程以及与DSP的接口电路,同时也给出了HMR3000电子罗盘获取光电搜索系统平台方位轴系相对地理正北的获取流程和编程实现方法以及DSP端相关程序。结果表明系统坐标系建立精度达到±0.5°,重复精度达到±0.1°,且能稳定运行。
