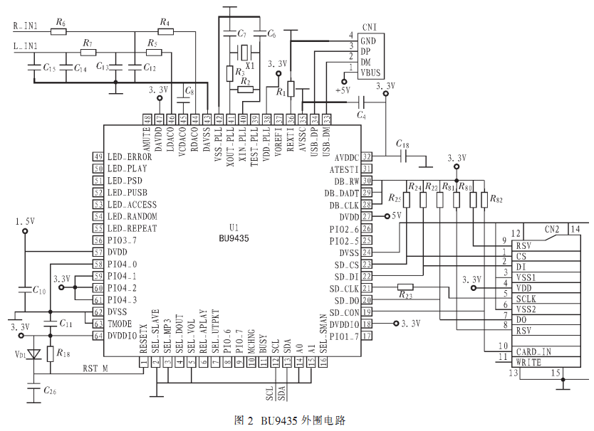
提出一种基于BU9435的MP3播放模块的软硬件设计方法。由于BU9435自身带有USB和SD主机控制器和MP3解码器,不仅极大简化了外围电路,而且支持U盘和SD卡作为存储介质。该模块以I2C总线为控制接口,只要系统能提供I2C接口,就可以方便地将该模块嵌入到系统中。
31 第十八讲 I2C总线 AT24C02 模块创新视频教程-2
金沙滩宋老师手把手教你学51单片机-14-I2C总线与EEPROM
九 24C08 I2C存储器—锐志51
从零到项目开发学51单片机与C语言30 第十八讲 I2C总线 AT24C02模块化创新-1
从零到项目开发学51单片机与C语言31 第十八讲 I2C总线 AT24C02 模块创新-2
lesson9 I2C总线的简单应用(B)
lesson9 I2C总线的简单应用(A)
51单片机教程-17.I2C总线实验
Cocktail
x