DSP嵌入式系统人机接口设计.pdf
时间:02-07 10:29
查看:2711次
下载:163次
简介:
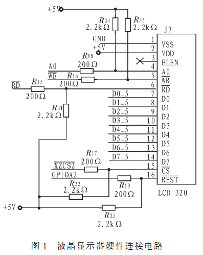
介绍利用DSP2812作为嵌入式控制器的人机交互界面实例以及SED1335液晶控制器和PS/2键盘在实际应用中的处理方法。并对RT320240B液晶屏的刷新速度和PS/2键盘的误码情况进行分析。针对DSP驱动大尺寸液晶屏显示刷新速率较慢,提出利用外部接口总线并行控制的改进方案,大幅提高液晶刷新速度。该接口设计主要应用于具有板级BIST功能的数据采集系统中,并可广泛适用于各种嵌入式系统,实现灵活,实用价值高。
